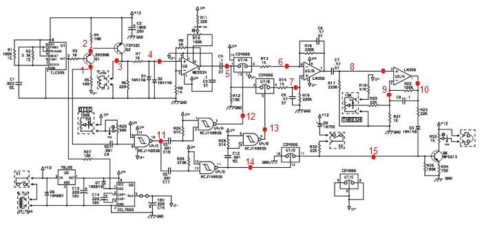
I only saved the schematic not the scoop pics, but i can not find it anymore.
Announcement
Collapse
No announcement yet.
Announcement
Collapse
No announcement yet.
Where can i find this thread
Collapse
X
-
Thats the Surf PI schematic,.. maybe this is the thread you are looking for???
http://www.geotech1.com/forums/showthread.php?t=18181
and lots about it on here.......
http://www.geotech1.com/forums/showthread.php?t=13810
Its available as a Surf PI kit from Silverdog......
http://www.silverdog.co.uk/shop/index.php
Cheers, hope that helps, Fred
-

Comment