sorry wronggggggg
) its +5.07 7660 pin 8
) its +5.07 7660 pin 8
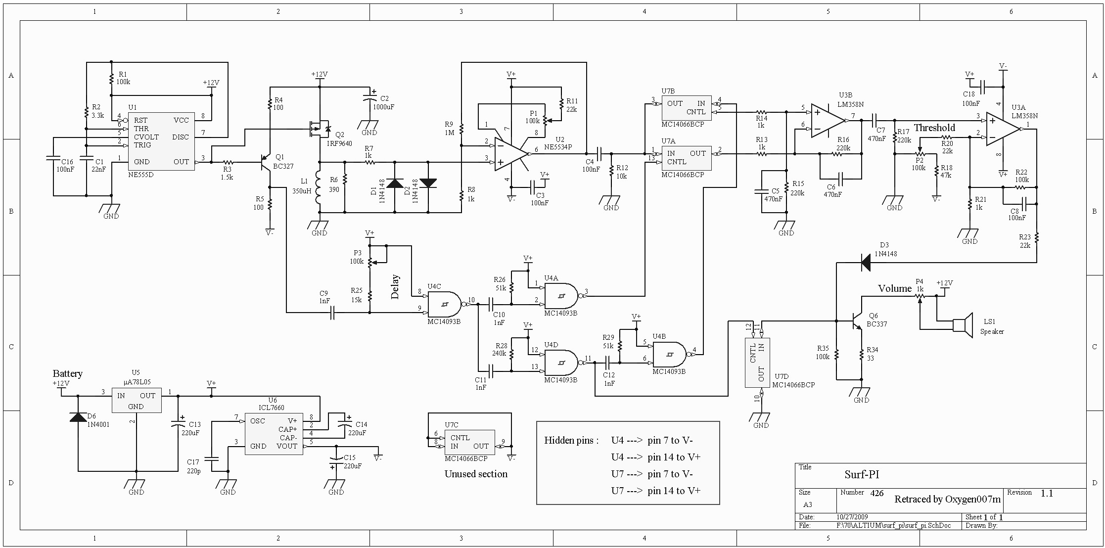
i had bought a bc307a thinking that 2n3906 has gone bad and when i changed it i put it other way around, now that is in the right direction we have the right readings, -4.7v in all blue line, 2.9mA with 7660 only, 9.1mA with 7660 & 555, and 51.6mA with 7660, 555 and coil. 
Comment