Hi everyone
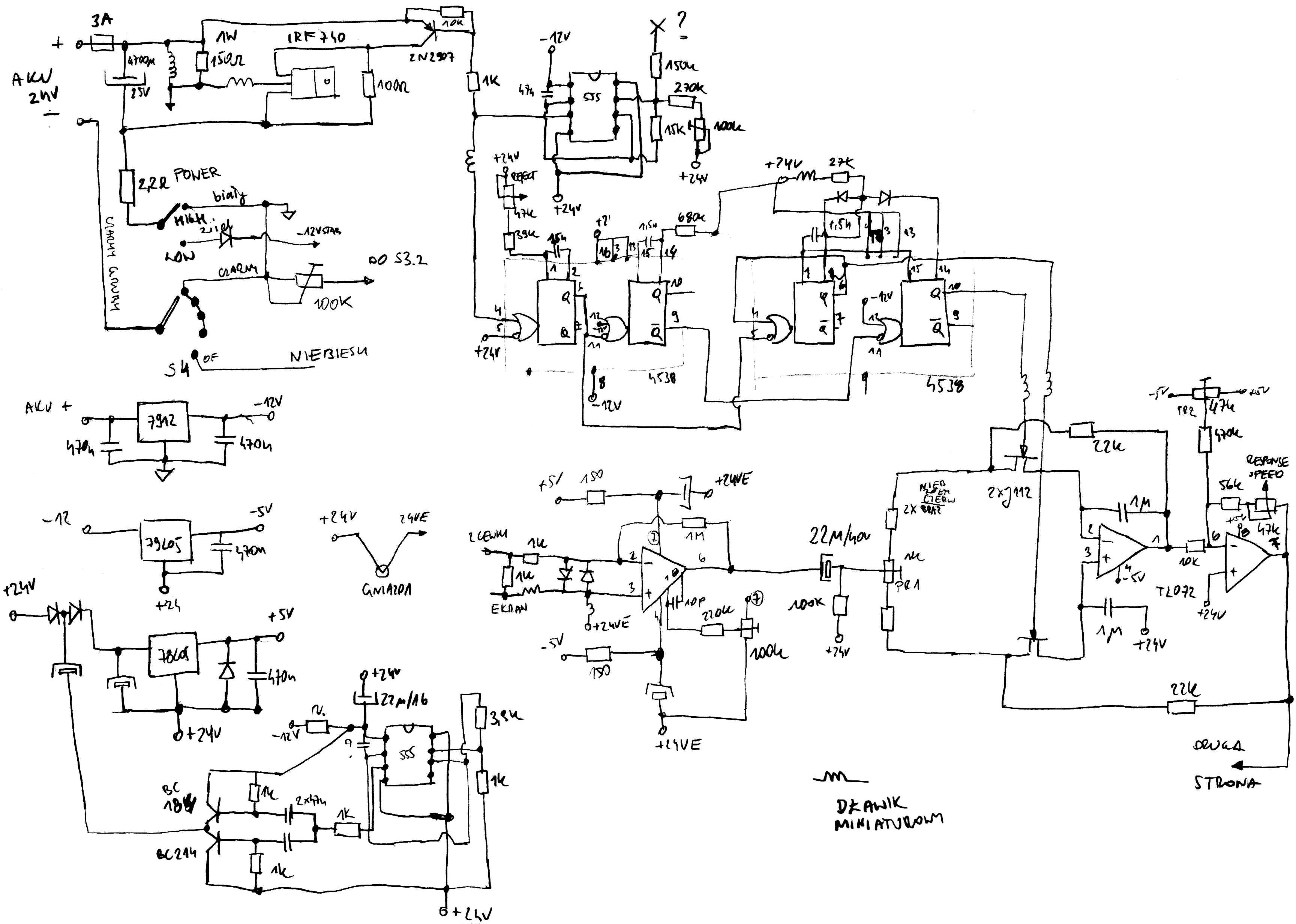
I’m looking to build a DIY pulse induction (PI) metal detector specifically designed for maximum depth on large, highly conductive targets i searched the forums complete project section and i couldn't find one that suits my expectation due to my lack of knowledge of metal detectors.
i want to make it so that it may reach 4m depth for objects around the size of 1 liter the soil is dry and low mineralization, i am looking for something with
-High transmit power (high-voltage or high-current pulses)
-Support for large mono coils (1+ meter)
-Proven success by other builders for deep detection
I’m comfortable building circuits with high-voltage MOSFET drivers
i am looking forward for any advice from the everybody willing to help and thank you all for your time
I’m looking to build a DIY pulse induction (PI) metal detector specifically designed for maximum depth on large, highly conductive targets i searched the forums complete project section and i couldn't find one that suits my expectation due to my lack of knowledge of metal detectors.
i want to make it so that it may reach 4m depth for objects around the size of 1 liter the soil is dry and low mineralization, i am looking for something with
-High transmit power (high-voltage or high-current pulses)
-Support for large mono coils (1+ meter)
-Proven success by other builders for deep detection
I’m comfortable building circuits with high-voltage MOSFET drivers
i am looking forward for any advice from the everybody willing to help and thank you all for your time

Comment