What is your timing without GB, and what is it with GB?
Announcement
Collapse
No announcement yet.
Announcement
Collapse
No announcement yet.
Ground Balance
Collapse
X
-
Hi Carl,
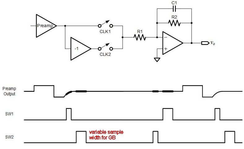
My timing is as under;
Tx=150us
Delay Period=16us (Have a fairly fast coil)
Target Sample=20us
Delay=10us (Did try to adjust this delay)
GB Sample=(variable)
After long delay=EMI sample (GB sample width-target sample width)
GB Sample width = Target sample width + EMI sample width.
Comment
-
Hi Carl
do I understand your GB description correctly , that when you use a single ended integrator
the first pulse on switch 2 has variable width and that is the GB control ?
Would you mind suggesting some timings please ?
ThanksAttached Files
Comment
-
Yes, that's correct. The exact timing requirements depend on a lot of things, like coil inductance, damping, and preamp compensation, but here is a rough example:
Target sample: turn on at 15us, turn off at 20us
Ground sample: turn on at 25us, turn off at 40-50us
Comment
-
Hi Carl
is this something like what should be happening with sw1 and sw2 ? for the single int
you will see the 100uS tx pulse at the top and sw1 and sw2 at bottom
the width of the first long pulse on sw2 is being altered with a pot the rest are fixed ?
The long pulse is going from 100uS to about ~180us.
dont take any notice of the distortion of the bottom of the wave form
this is caused by combining the sw1 and sw2 waveforms with diodes and resistor for cro.
The camera is not square onto the cro screen.
https://www.youtube.com/watch?v=NvmH...ature=youtu.be
Comment
-
Thanks Carl
yes the sequence is sw1-sw2-sw2-sw1, and I now have second sw1 tracking the first sw2 WIDTH, and moved the EF pulses out further.
The video shows the two long pulses tracking in width. Does this look a bit better.
https://youtu.be/J8MGv5RZg6U
Comment
-
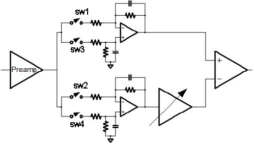
Hi Carl
another question please, with your 4 sample duel integrator GB circuit (attached) does it matter if the variable gain amplifier after the integrator is inverting or non inverting ? thanks.Attached Files
Comment

Comment