Announcement

Collapse
No announcement yet.

Announcement

Collapse
No announcement yet.

Magnet wire coil

Collapse
X
 
  • Filter
  • Time
  • Show
Clear All
new posts

  • #31
    Hi Green, Your charts show that targets on edge really reduce the depth of detection. Also explains why pinpointing is ineffective on many targets that are not flat.
    Thank you again,

    Comment


    • #32
      Made a single layer vertical 3-1 to match 3-1 spider web ZZ. 22 turns about 230 uh. Both have a circuit resonance around 2 Mhz with R damping removed (not shielded). Got some overshoot with the vertical coil shielded, so I removed the shield from both. Used 1k for R damping (R5) with the bench circuit and LT spice. With Lt spice the circuit critical damps with 1470 ohms. I've thought I found why the overshoot before but it keeps showing up. The zeners were added in LT spice so the circuit would clamp the same as IRF740 in the bench circuit. Any idea why two coils with about the same specs would act so much different?
      Attached Files

      Comment


      • #33
        Hi Green, Is it possible that the inductance/coil capacitance ratios are different? The same resonance frequencies achieved by different ratios might require different value damping resistors. The 1k damping value may be too high for either coil. I normally use a pot and adjust for the best wave shape. Most always the best value is less than 1k.

        Comment


        • #34
          Originally posted by Chet View Post
          Hi Green, Is it possible that the inductance/coil capacitance ratios are different? The same resonance frequencies achieved by different ratios might require different value damping resistors. The 1k damping value may be too high for either coil. I normally use a pot and adjust for the best wave shape. Most always the best value is less than 1k.
          Still trying to understand why the overshoot. The single layer winding is sandwiched between two pieces cut from a cardboard box.Tried wrapping the spiderweb ZZ coil with a layer of of the cardboard box to see if that would make a difference. Not. Reran the coils with 1000 and 1400 ohm damping resistors. The first two scope traces are from the other day at 2 usec/div. The other traces at 1 usec/div are from today. The single layer coil overshoot is a lot less today.
          Attached Files

          Comment


          • #35
            Hi Green, it still looks like they need a lower damping resistance, suggest 500 ohms. Also looks like the op-amp front end is staying in saturation too long; might try less gain or increase the op-amp +/_ power voltages from +5v and -5v to +12v and -12v or 15v. This may require changing some of the capacitors to a higher voltage rating.

            Comment


            • #36
              Made another 3-1 coil. Connected one coil to driver and other coil to amplifier. Positioned coil for IB. Signal strength vs distance close to 50 percent with the nickel. Maybe 20 percent with the split shot. Didn't expect that much drop with the split shot. Could I be doing something wrong or is that what I should expect? The integrator out is more stable so the 50 percent wouldn't bother me. Stacked them on top of each other and got about the same amplitude as the mono coil with a more stable signal.

              Comment


              • #37
                Hi green, this is a new area, but will offer a possible idea. Could it be out of phase coupling from the transmit coil. During receive the transmit coil also receives the same eddy currents from the target as the balanced receiver coil. The close proximity of the coils may allow the currents in the transmit coil to corrupt the currents in the receiver coil. Dropping the balanced receiver coil a couple of inches below the transmit coil might improve the readings by reducing the close coupling.


                BTW I sent a PM to you.

                Comment


                • #38
                  Made more spiderweb coils. Want to make a figure 8 coil. Thinking of using two round coils for the Rx and a rectangle coil with 1/2 round ends for the Tx.Tested the coils without a shield to compare the coils before making the figure 8. Something to compare the DD and figure 8 against.
                  Attached Files

                  Comment


                  • #39
                    Originally posted by green View Post
                    Made more spiderweb coils. Want to make a figure 8 coil. Thinking of using two round coils for the Rx and a rectangle coil with 1/2 round ends for the Tx.Tested the coils without a shield to compare the coils before making the figure 8. Something to compare the DD and figure 8 against.
                    Hi green

                    Looks like the 8" coil #4 has the best sensitivity at 8".

                    Thank you,
                    Chet

                    Comment


                    • #40
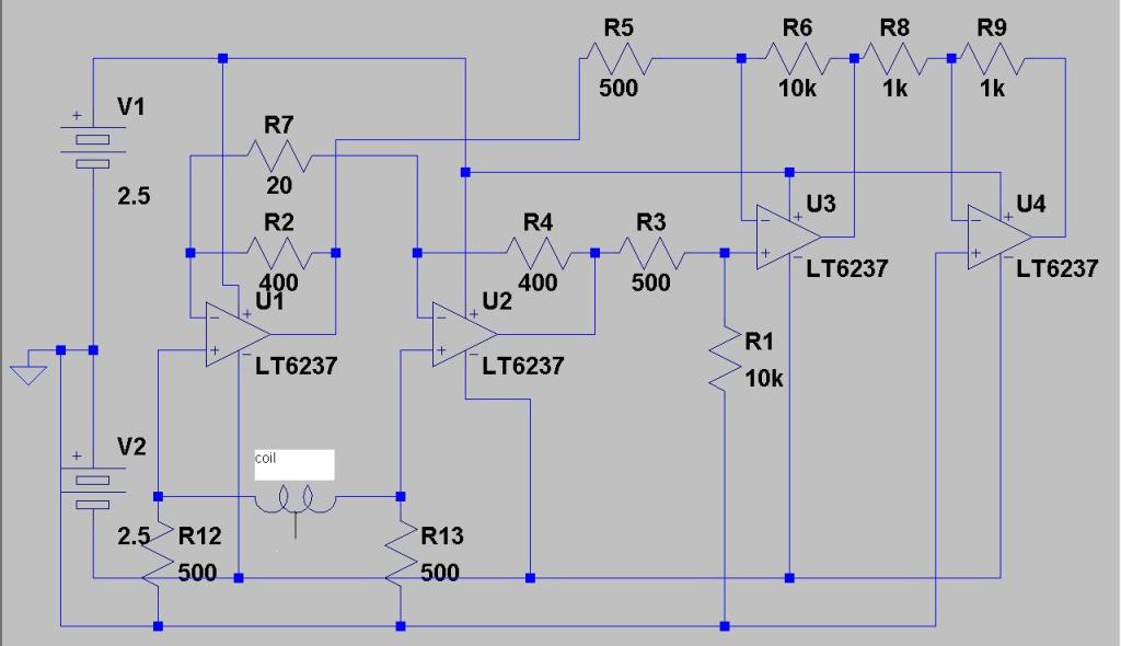
                      Made a couple center tapped coils, one bifilar, one not. Wanted to compare noise rejection to start with. Don't know what to expect. Grounding center tap didn't help. Differential input better than single ended. Both coils more turns than needed. Bifilar less noise but lower resonance frequency. Shorted input less noise. Neither coil shielded yet. Damping resistors R12 and R13 would need to be changed for critical damping. Could someone tell me if it is what I should expect or what I might be doing wrong. A lot of the noise is high frequency due to using higher frequency amps than probably needed. Spelled magnet wrong. Both coils similar size, about 165 mm diameter
                      Attached Files

                      Comment


                      • #41
                        Going differential and centre tapped should result in 3dB more noise compared to single ended if you keep all other parameters the same. However, keeping the same number of bifilar turns provides you with double the signal or 6dB gain, or 3dB overall gain (6dB - 3dB).
                        In this particular case I think there might be some problem with extremely fast op amps. You could try adding ferrite beads at non-inverting inputs (as gate protectors), and perhaps some small caps in feedback branches. Point is that a coil is also an antenna. Even when you shield it, it will still be antenna of the same aperture.

                        Comment


                        • #42
                          Originally posted by green View Post
                          Made a couple center tapped coils, one bifilar, one not. Wanted to compare noise rejection to start with. Don't know what to expect. Grounding center tap didn't help. Differential input better than single ended. Both coils more turns than needed. Bifilar less noise but lower resonance frequency. Shorted input less noise. Neither coil shielded yet. Damping resistors R12 and R13 would need to be changed for critical damping. Could someone tell me if it is what I should expect or what I might be doing wrong. A lot of the noise is high frequency due to using higher frequency amps than probably needed. Spelled magnet wrong. Both coils similar size, about 165 mm diameter
                          Hi green


                          Very interesting results, especially the differences in self-resonant frequencies. Is the MOSFET driving the entire coil or just one half of the windings?


                          The noise will probably be greatly reduced in the field away from manmade electrical noise.


                          Could you post pictures of your coils?


                          Thank you,
                          Chet

                          Comment


                          • #43
                            Originally posted by Chet View Post
                            Hi green


                            Very interesting results, especially the differences in self-resonant frequencies. Is the MOSFET driving the entire coil or just one half of the windings?


                            The noise will probably be greatly reduced in the field away from manmade electrical noise.


                            Could you post pictures of your coils?


                            Thank you,
                            Chet
                            The coil is just connected to amplifier in reply #40. Was looking for noise comparison. Don't have bipolar driver built yet.
                            Attached Files

                            Comment


                            • #44
                              Hi green

                              Thank you for the reply and pictures. Nice coils. Can you explain why the coil with more turns has a higher self-resonant frequency?

                              Thank you,
                              Chet

                              Comment


                              • #45
                                Originally posted by Chet View Post
                                Hi green

                                Thank you for the reply and pictures. Nice coils. Can you explain why the coil with more turns has a higher self-resonant frequency?

                                Thank you,
                                Chet
                                I'm going to guess it's because the coil with fewer turns is bifilar. Starts out with two wires twisted together and then wound, then connected tin series. More capacitance than the other coil where each turn just sees the turn before and after. To me it looks like a spiral coil wound spiderweb. I expected more capacitance with the bifilar coil, but wondered how much less noise it would have. I couldn't see any advantage other than noise. Maybe there is?

                                Comment

                                Working...
                                X