Announcement

Collapse
No announcement yet.

Announcement

Collapse
No announcement yet.

Very large DD coil

Collapse
X
 
  • Filter
  • Time
  • Show
Clear All
new posts

  • #76
    do you know about glass bubbles?

    Comment


    • #77
      Have a look at any cellulose based filler commonly available.
      Too many glass bubbles for large coil, and it may crack or break. For small coil it's good, but for huge coil, may be too brittle. Just something to consider.

      Comment


      • #78
        Currently, I am facing the problem of choosing the parameters of the receiving coil. I decided to make 2 receive coils, connected in series in the "DOD" configuration (similar to the Super-D), working at close frequency of 15 kHz resonance. Click image for larger version

Name:	DOD4.jpg
Views:	1
Size:	40.9 KB
ID:	351604 Click image for larger version

Name:	DOD_coil.JPG
Views:	1
Size:	16.9 KB
ID:	351605
        I made simulations of DFX input circuits with a standard RX coil with inductance of around 14mH and 36 Ohm resistance, connected in series with 220nF capacitor according to the scheme and modifies the capacitor values ​​for this frequency, because the current characteristic due to supported two frequencies (3 and 15 kHz) is wide. I will try to get resonance narrow and steep characteristics. I'm afraid that with such a large induction, getting a strong enough signal from a small object can be difficult to achieve, or maybe even impossible ...Click image for larger version

Name:	DFX_RX_RLC.JPG
Views:	1
Size:	84.0 KB
ID:	351606

        Comment


        • #79
          Despite striving to obtain a sufficiently strong signal from the receiving coil by using more coil turns - I came to the conclusion that the inductance of the transmission coil for a given detector operation frequency can not be too large and its value determined by the manufacturer is not accidental. Large inductance means a reduction in capacitance, and the parasitic capacitance disturbs the stability of the amplitude-phase characteristics. The greater the inductance for a given frequency - the smaller the capacity that is involved in shaping a stable resonance characteristic and, unfortunately, becomes more significant. Please correct me if I'm in error

          Comment


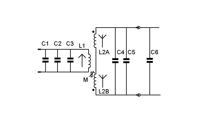
          • #80
            After many trials and computer simulations, I came to the conclusion that the best will be a set of 5 parallel-connected sections of receiver coils tuned to resonance, composed of 2 wound series-opposing. One large coil has too much voltage unbalance and has less sensitivity due to fewer turns for the same inductance as smaller coils and a larger number of turns.

            Click image for larger version

Name:	RLC5.JPG
Views:	1
Size:	47.7 KB
ID:	352019

            Resonance characteristic

            Click image for larger version

Name:	f_res_dfx.JPG
Views:	1
Size:	58.3 KB
ID:	352020

            Comment


            • #81
              okkkk

              Comment

              Working...
              X