Originally posted by Mrand
View Post
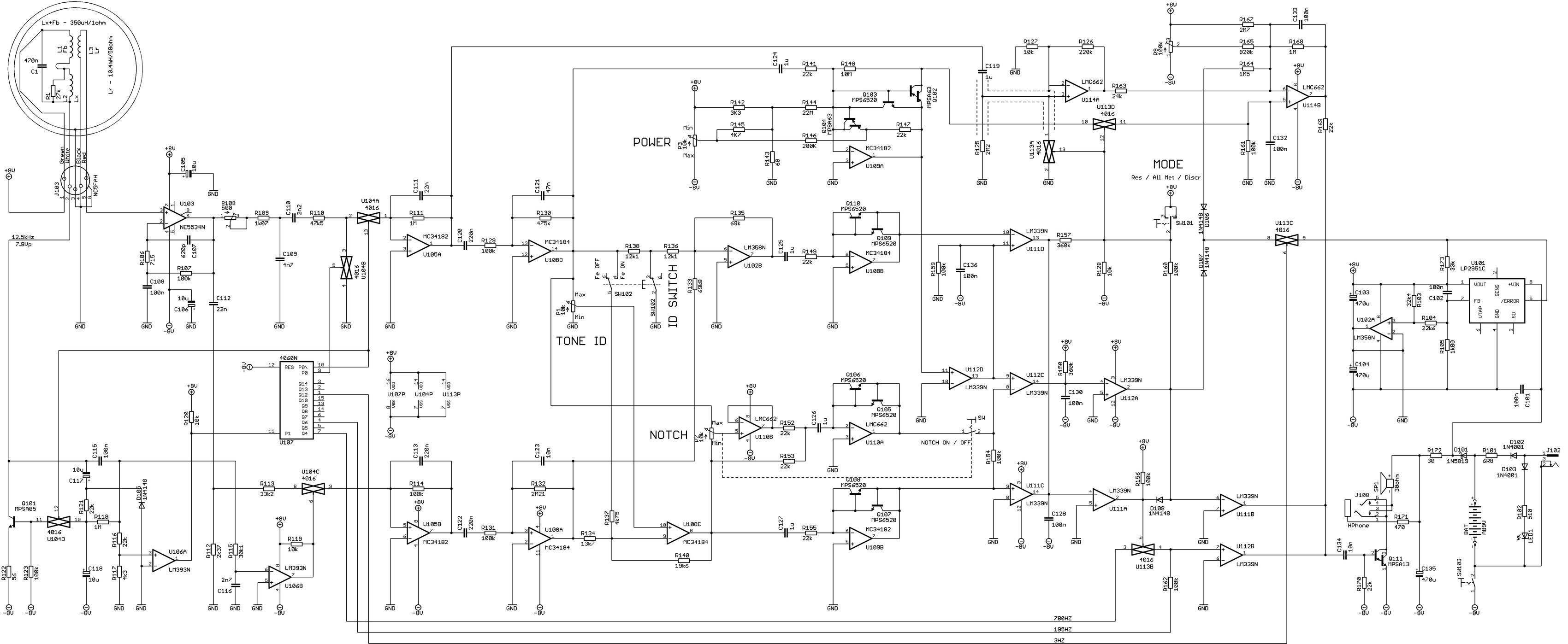
I finded in WEB the following circuit diagram:
Gold Moutain Cobra (from your schematic) is typical, some modified Tesoro. This not especially interest for me. Detector from my schematic was know so Viper.
Gold Moutain Cobra (from your schematic) is typical, some modified Tesoro. This not especially interest for me. Detector from my schematic was know so Viper.
. I hope that I did not commit errors.
Comment