Announcement

Collapse
No announcement yet.

Announcement

Collapse
No announcement yet.

coil generator : tester of coils

Collapse
X
 
  • Filter
  • Time
  • Show
Clear All
new posts

  • coil generator : tester of coils

    guys

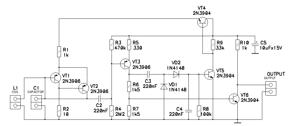
    i begin to do simplest schematic for testing of a coil. your suggestion?
    Attached Files

  • #2
    on kt315's
    Attached Files

    Comment


    • #3
      hgyuyuy
      Attached Files

      Comment


      • #4
        I'm not sure that the 6 transistor circuit will be stable when changing the power supply.
        Why are you looking for another circuit - the Foma generator is stable and checked.

        Comment


        • #5
          You forgot to show power supply connection in post #3. I take it you measure frequency of resonance and then what? Must compare to some table showing correct frequency for that coil? What is your goal here? Are you saying this is better way to measure coil characteristics? By measuring coil resonance rather than inductance? Please explain.
          Can't read document.

          Comment


          • #6
            Measuring inductance varies alot depending on quality of inductance meter being used, but measuring frequency with coil generator circuit gives vital characteristics if you want to build another coil of different sizes. Then all you would need is to measure resistances of Rx and tx. Then you could develop some sort of tables for different metal detectors and there respective coils. After which using your coil generator, you could quickly test any coil with reference to data from tables. How's that.

            Comment


            • #7
              For a novice like myself, the implication here is startling. Are you inferring that a search coil can have correct resistances and inductances( measured) for tx and Rx, and still be defective? The only way to know is use coil tester circuit to measure resonance frequency with Cx. Please explain. In other words, the coil measures good(correct resistances, inductances) but metal detector still not working as it should, is the problem your coil or is it the control box?(scenario for factory made brand metal detector)

              Comment


              • #8
                DB

                yes, you search unknown coil for the resonance. also you can choice cap for coil you do. or retune your coil for another detector with different frequency.
                for example you need to get 18kHz in 6.59kHz IDX. how you search resonance of RX coil?

                Comment


                • #9
                  Your rationalization is sound. Maybe first, a fixed cap of known capacitance, then the possibility of switching in a varicap for CX to tune for same frequency. What is the range of oscillation of circuit?

                  Comment


                  • #10
                    according the original article generator with L= 50uH and C=50pF gives 3.2MHz. a range of connected L from 50uH to 100mH.

                    Comment


                    • #11
                      Originally posted by Toros View Post
                      I'm not sure that the 6 transistor circuit will be stable when changing the power supply.
                      Why are you looking for another circuit - the Foma generator is stable and checked.
                      changing the power supply for what? article says the output voltage is stabile in wide range of power supply.

                      Comment


                      • #12
                        Originally posted by kt315 View Post
                        according the original article generator with L= 50uH and C=50pF gives 3.2MHz. a range of connected L from 50uH to 100mH.
                        I like this little circuit, thanks for sharing. It's range is perfect for testing any coil. Would be nice to have article in English.

                        Comment


                        • #13

                          Comment


                          • #14
                            Where is top layer? The tiny blue lines?

                            Comment


                            • #15
                              KT315
                              I would be interested in building it, and then using it to see if I can read coils. Is there anyway one could get an English Translation of the article? Maybe a link with an English translation?
                              Melbeta

                              Comment

                              Working...
                              X