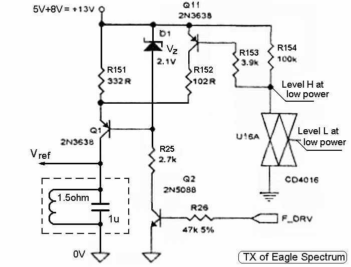
TX for metal detectors
1. Optimal power of TX
Despite homebrew is not popular recently for hams, my hobby is to design TXs, RXs and antennas for QRP amateur radio.
QRP means low TX power, maximal efficiency of TX circuit and exactly matched antenna. The RX for ham radio extracts faint signals masked by larger noise and interferences.
The RX in a sensitive MD (metal detector) also should extract masked signals and sensitivity also should be limited by noise. However at conventional MDs this is not so (because they are not designed by radio amateurs:-).
The TGT (target) signals at conventional MD are not so faint as in amateur radio, because they are not masked by noise and interference, but by AIR & GND - a signal combination generated by own TX.
"Generated by own TX" means if we increase the power of TX twice, the TGT signal will increase twice, and the combination AIR & GND also will increase twice, ie the modulation index remains the same. This is very bad for incompetent designers, but ideal for my QRP concept. I can can reduce the power of TX until MD starts to loose sensitivity because there are interference and noise in input. In my concept, the TX should be low power and efficient, because it drains current from battery. The weight of metal detector depends on weight of battery. In a low power and efficient TX we can use more lightweight battery.
So arises the question:
"How to determine the optimal minimum power of TX for MD?"
My answer is: "Maximal TX power is possible when there is ABC (automatic balance control) and AGC (automatic gain control). The ABC slowly try to compensate all signals in input of RX which have TX frequency. The AGC slowly try to increase the gain of RFA (radio frequency amplifier) to maximal allowed level. With correct operating ABC and AGC, we can reduce TX power until MD starts to loose sensitivity."
Since this is said too summary and not so easy to understand, with following representation I will try to explain the concept comprehensively and more visually.
The RFA should amplify received signal before demodulation with maximal possible gain. The possible gain of RFA is limited by signals in its imput without target. We can increase the gain of RFA until its output starts to saturate by undesired input signal. In the left side of attached image is shown the output when starts saturation by undesired AIR & GND signal in input. We should slight reduce this gain to avoid distortion.
There are mine detectors and some honebrew projects of MDs which use two buttons for manual compensation (see BALANCE below) of AIR & GND in input of RFA. If ideal compensation is possible, the gain of RFA can be increased until its output starts to saturate by undesired EMI (interference) and noise in input. In the right side of attached image is shown visual effect at wideband RFA when output starts to saturate only by noise in input. Despite EMI is zero, this is not the ideal case. The ideal solution is a narrow band RFA to reduce the input noise, then we can increase the gain.
Since depth of detecting depends on gain of RFA, every conventional metal detector should be improved with three buttons: two for BALANCE and one for GAIN as shown in other threads. However for best improvement should be used ABC and AGC instead manual controls.
If we upgrade with manual controls, what is the procedure for adjusting TX power?
We should add a control TX POWER, imagine a potentiometer with switch to disable TX as shown below. What is the correct algorithm for adjusting control TX POWER?

always find your ideas interesting.
Comment