Originally posted by Carl-NC
Announcement
Collapse
No announcement yet.
Announcement
Collapse
No announcement yet.
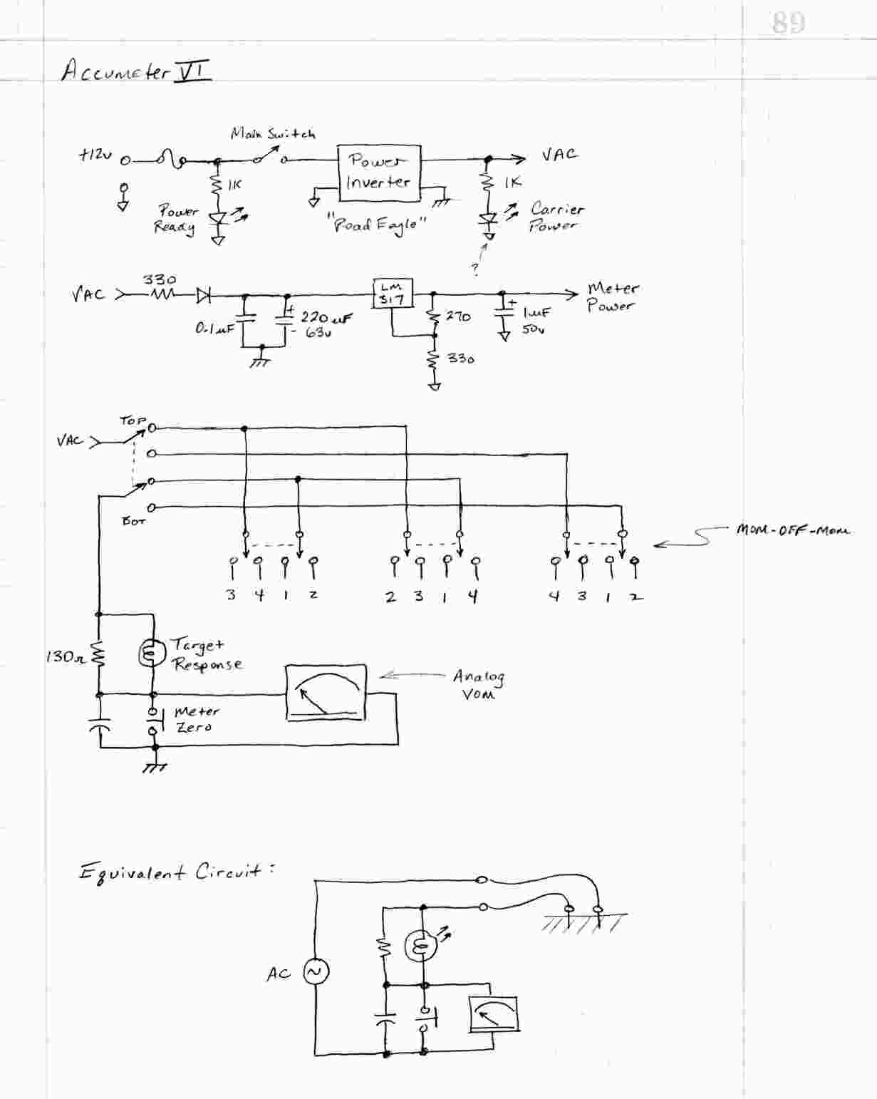
Accumeter VI
Collapse
X
-
This is what I have so far. I need to double-check the value of the cap, and to make sure I've drawn the VOM hook-up correctly.
Once you remove the DC-AC converter, the power supply circuit for the VOM, and the switch network, you are left with the equivalent circuit at the bottom. A resistor, a light bulb, a capacitor, and a VOM. All for $3495. Is that capitalism, or what?
- CarlAttached Files
Comment
-
EARTH RESISTIVITY METER
Found in internet.
Originally from The Radio Constructor (1966). Have ten levels for each depth. Maybe you can added more... The combinated key select the desirables electrodes.
Only have the info in Spanish and Russian.
Comment
-
production costs
Thanks Carl; I plan to try one of these just to see it work. To be fair the nice box these are put in are about $45 wholesale. Electrodes and wire another $10 and advertising is expensive, but 100% tax deductible. When you add built in data logging and control the production cost might shoot way up to $500. :-) The unit being offered by lrlman that will take any dc input seems a fair price at around 1k.
Comment
-
Basically a Wheatstone bridge... the multi-level electrodes are interesting.Originally posted by EstebanOriginally from The Radio Constructor (1966). Have ten levels for each depth. Maybe you can added more... The combinated key select the desirables electrodes.
- Carl
Comment
-
Oratron
I Agree.
Oratron wich works via non-metallic electrodes (copper sulphide-drops) maybe is the better. Sorry the images. Also, another option of this schematic is the Geiger counter.Attached Files
Comment
-
carl, i'm interested in the "logger" mentioned above. How can i get in touch with Tim?Originally posted by Carl-NCWith the AL's Accumeter, Fitzgerald's Mother Lode Locator, and Kellyco's GPLs, the case is the single most expensive item. I agree, the logger Tim has is a far, far better deal.
-
Carl
regards, hank.
Comment
-
Go to lrlman.com... ignore the LRL garbage, that stuff doesn't work... the "Arc-Geo Logger" is the device that does work. It does not perform the same function as a resistivity meter, so if you were looking at res. meters, you'll have to determine if Tim's device is suitable for your needs.
- Carl
Comment
-
Carl,did You finished schematics of accumeter
I am wondering if You finished this schematics of Accumeter.It will be usefull having one at home
and for that price too!! Think that is a good piece for metal detecting,and finding water.
Stay good and fast up hill
Comment
-
Need help ! Yelp!
Trying to make earth res.meter....and need help.
Any body know suitable replacement for 2072,2082,2081 op.amps? I can not find
those here where I am living(europe)....
Any replacement?
I can not find eve any information on those ic's....
And one more thin ...what about LM 1812?
thanks in advantage
best regards!
Comment

Comment