Hello all I would like the experts to have a look at this simple PI schematic I have build this MD and it is working very well But what I would like to find out from the experts is Are there any Modifications I can make to make it more sensitive and detect deeper at the moment with a 15cm coil I get about 10 to 13cm detection depth on a R2 south African coin please have a look and let me know
Thank you all
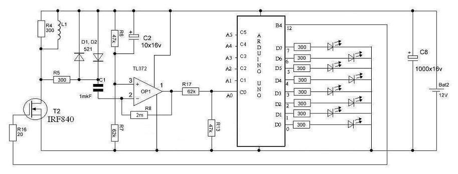
I added the Schematic and the home build detector of mine

Okay sorry cant find my homemade pics now will upload as soon as I have Please look at the schematic any changes would be helpful
Thank you all
I added the Schematic and the home build detector of mine

Okay sorry cant find my homemade pics now will upload as soon as I have Please look at the schematic any changes would be helpful

Comment