Hi! Morgan
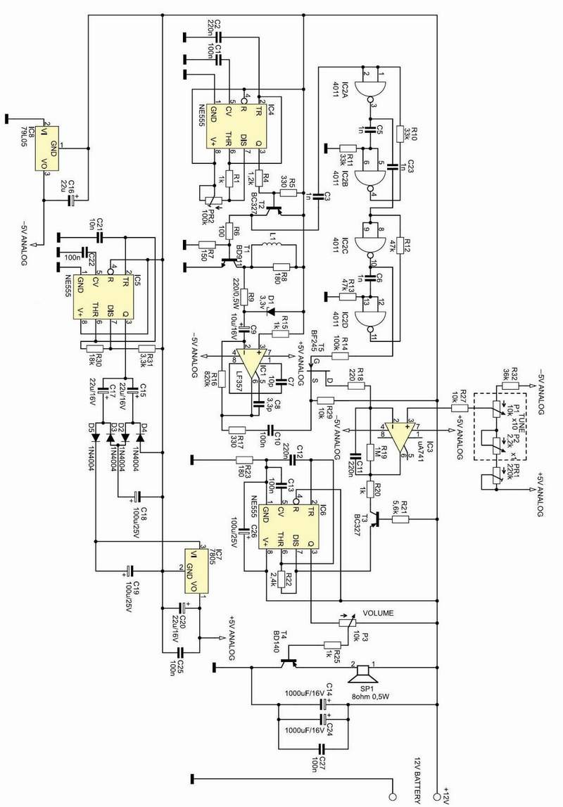
Yes. You can use HEF 4011 BP in IC 7 position.
Only IC 3 is a unbuffered tipe (CD 4011 UB)
In position TR 6 use J 176 (P-channel switch)
2N 2646 is a unijunction transistor. Do not use it there.
Best Regards
DIRCEU
Yes. You can use HEF 4011 BP in IC 7 position.
Only IC 3 is a unbuffered tipe (CD 4011 UB)
In position TR 6 use J 176 (P-channel switch)
2N 2646 is a unijunction transistor. Do not use it there.
Best Regards
DIRCEU

Comment