Announcement

Collapse
No announcement yet.

Announcement

Collapse
No announcement yet.

Looking for Goldscan 5c by Eric Foster schematic

Collapse
X
 
  • Filter
  • Time
  • Show
Clear All
new posts

  • Looking for Goldscan 5c by Eric Foster schematic

    Hi,
    looking for schematic of this best metal detector made by Eric Foster.
    It will be a good project to made it.

  • #2
    This is what I have from here. Search Goldscan or Gold Skan for more details.
    Attached Files

    Comment


    • #3
      And these.
      Attached Files

      Comment


      • #4
        Thanks for your links, but it is not the same detector i'm looking for.

        I'm looking for this model.

        Comment


        • #5
          Originally posted by Tim View Post
          And these.
          this is not a goldscan 5 schematic

          Comment


          • #6
            Can you identify this then Dave? And do you have the GS5 info?
            Rom1-perhaps you can also post any relevant information on the GS5 you are looking for?

            Comment


            • #7
              Originally posted by Tim View Post
              Can you identify this then Dave? And do you have the GS5 info?
              Rom1-perhaps you can also post any relevant information ton the GS5 you are looking for?
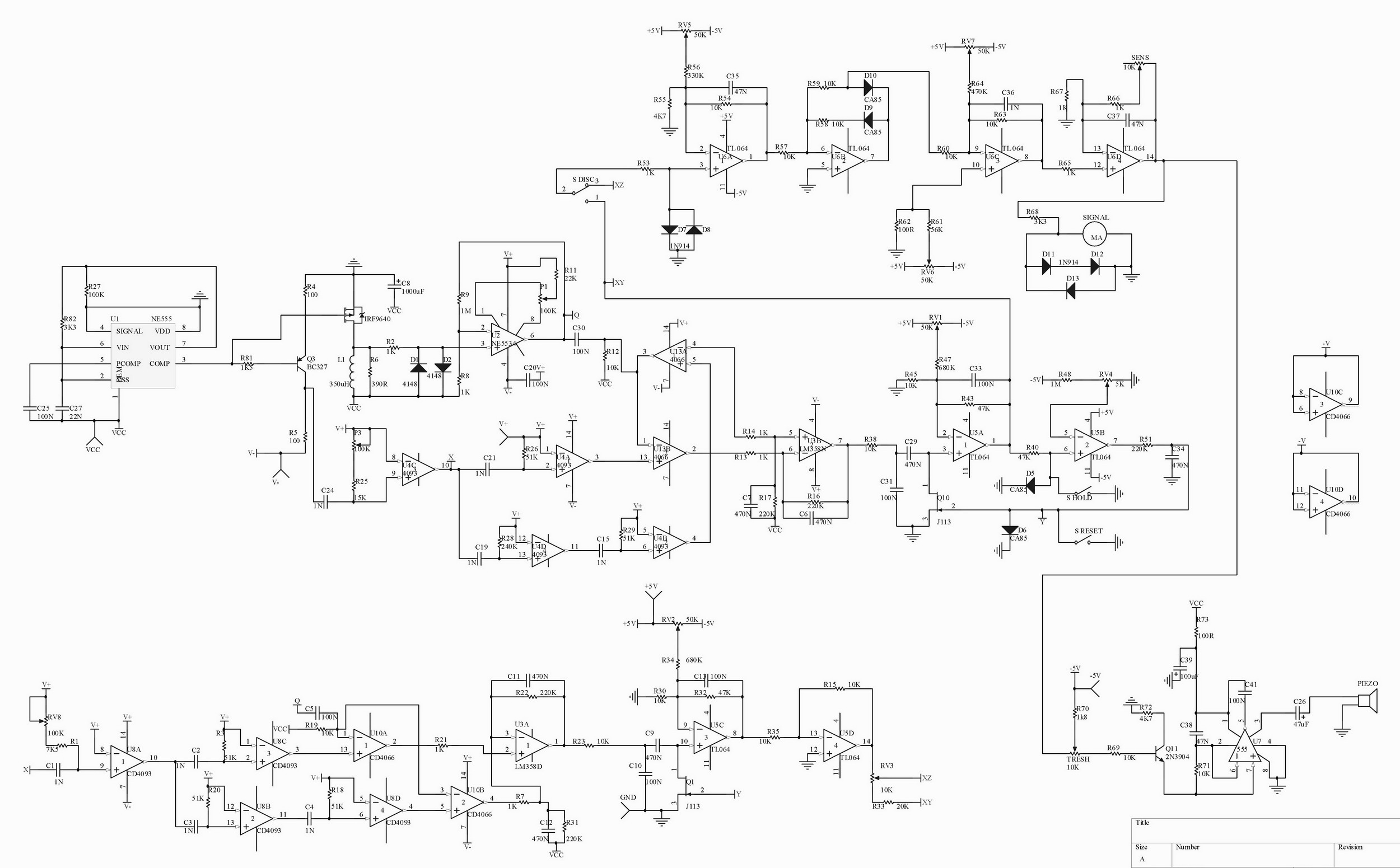
              Hi Tim....I know the schematic you showed is pre goldscan 5...the hand drawn schematic you showed i believe is gold scan 5 but without the very important section of the audio schematic....i personally would love to own a goldscan 5 detector but out of my reach cause of second hand prices...the machines i would love to try out on the beach are the gold scan 5...white's tdi sl or tdi pro

              Comment


              • #8
                Originally posted by daverave View Post
                Hi Tim....I know the schematic you showed is pre goldscan 5...the hand drawn schematic you showed i believe is gold scan 5 but without the very important section of the audio schematic....i personally would love to own a goldscan 5 detector but out of my reach cause of second hand prices...the machines i would love to try out on the beach are the gold scan 5...white's tdi sl or tdi pro
                Dave, can you ask where this guy bought a housing? http://www.findmall.com/read.php?22,...06#msg-2325706
                my english is poor... you know...

                TIA

                Comment


                • #9
                  Originally posted by daverave View Post
                  Hi Tim....I know the schematic you showed is pre goldscan 5...the hand drawn schematic you showed i believe is gold scan 5 but without the very important section of the audio schematic....i personally would love to own a goldscan 5 detector but out of my reach cause of second hand prices...the machines i would love to try out on the beach are the gold scan 5...white's tdi sl or tdi pro
                  I too would love to own and use any of those. I'm curious, Dave. What is it that draws you to these models for use on the beach ? Depth ? Or other attributes ? For me, it would be learning to gain different responses or blanking out certain targets like Reg does in his video. Hours of fun to be had there.


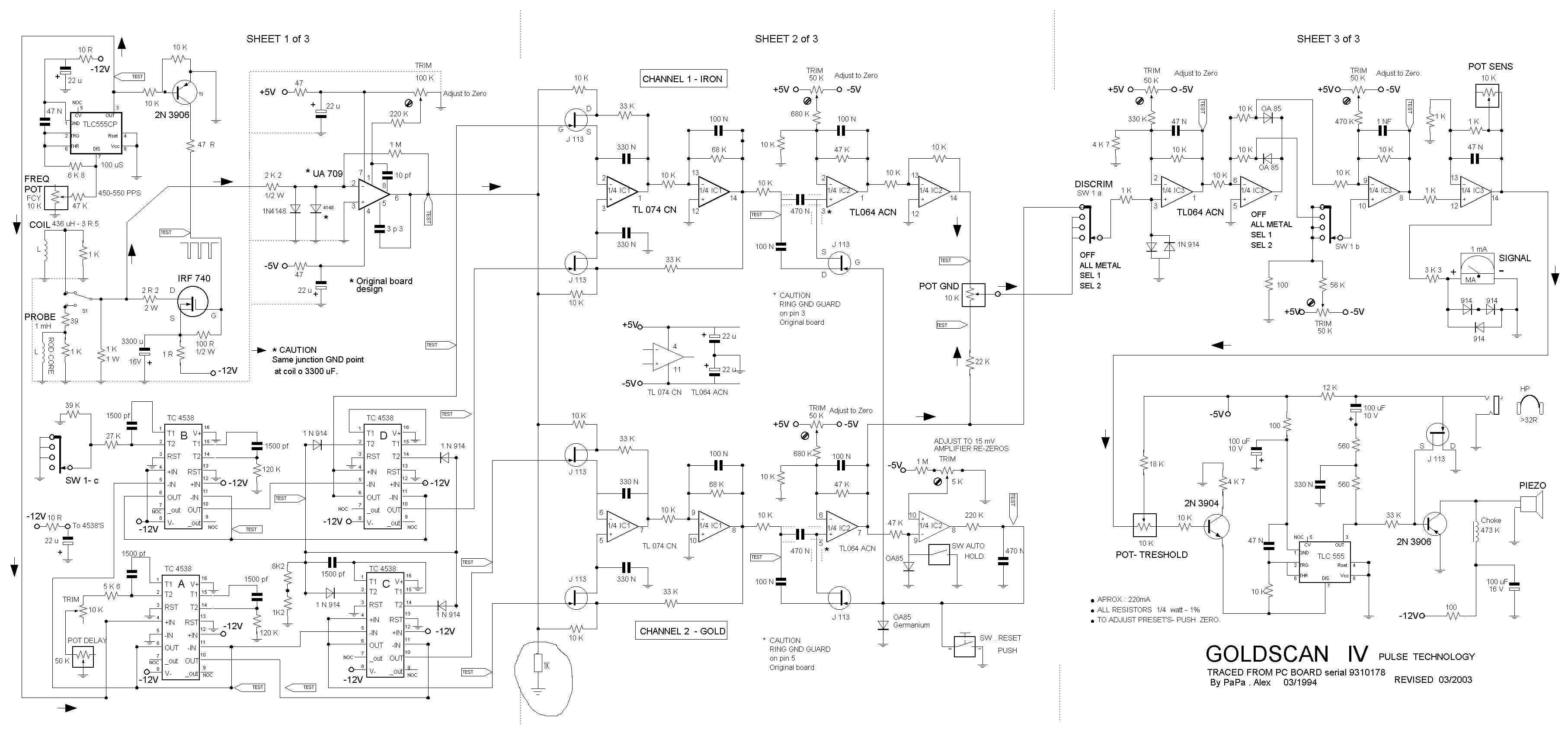
                  Dave has got it right, the pdf with the missing audio section is the one (680.2kb). Its good to study and compare to the alexismex schematic of the older GS4, if you want to understand how G/B can be implemented.
                  Reg posted an image of the audio board if anyone is looking for clues. http://www.geotech1.com/forums/showthread.php?22909-gold-scan-5-audio&p=212322#post212322




                  Comment


                  • #10
                    Originally posted by kt315 View Post
                    Dave, can you ask where this guy bought a housing? http://www.findmall.com/read.php?22,...06#msg-2325706
                    my english is poor... you know...

                    TIA
                    Hi kt315....all done.

                    Comment


                    • #11
                      Originally posted by greylourie View Post
                      I too would love to own and use any of those. I'm curious, Dave. What is it that draws you to these models for use on the beach ? Depth ? Or other attributes ? For me, it would be learning to gain different responses or blanking out certain targets like Reg does in his video. Hours of fun to be had there.


                      Dave has got it right, the pdf with the missing audio section is the one (680.2kb). Its good to study and compare to the alexismex schematic of the older GS4, if you want to understand how G/B can be implemented.
                      Reg posted an image of the audio board if anyone is looking for clues. http://www.geotech1.com/forums/showthread.php?22909-gold-scan-5-audio&p=212322#post212322




                      I would like to try a gold scan 5 or white's tdi sl/pro as i would like to test the pure depth proformance as most of the heavier gold items and old coins are now very deep...im a big white's fan as i feel they are the best machine's for the purpose.

                      Comment


                      • #12
                        personaly, i own a white's pulsescan tdi, very good machine but would like to test a gs5c.

                        Comment


                        • #13
                          Originally posted by daverave View Post
                          I would like to try a gold scan 5 or white's tdi sl/pro as i would like to test the pure depth proformance as most of the heavier gold items and old coins are now very deep...im a big white's fan as i feel they are the best machine's for the purpose.
                          Perhaps even look out for a Foster Deepstar or Aquastar. I read somewhere that they all shared a similar TX pulse width and repetition rate with the above models you mentioned. 100µS tx, 3.2 kpps. A visit to BnQ for a sturdy shovel might also be called for.

                          Comment


                          • #15
                            With 4x4538,s and GB, it may be tuneable for the mineralisation here. I am interested in trying to adapt another 2x74hc221's to the Hammerhead to achieve this. I will study this more.
                            Here is the GS4 with audio and 1k to earth missing on some schems.

                            Thanks for your clarification gentleman.
                            Attached Files

                            Comment

                            Working...
                            X