Originally posted by scs
View Post
Announcement
Collapse
No announcement yet.
Announcement
Collapse
No announcement yet.
GOLDSCAN 5 SCHEMATIC QUESTION
Collapse
X
-
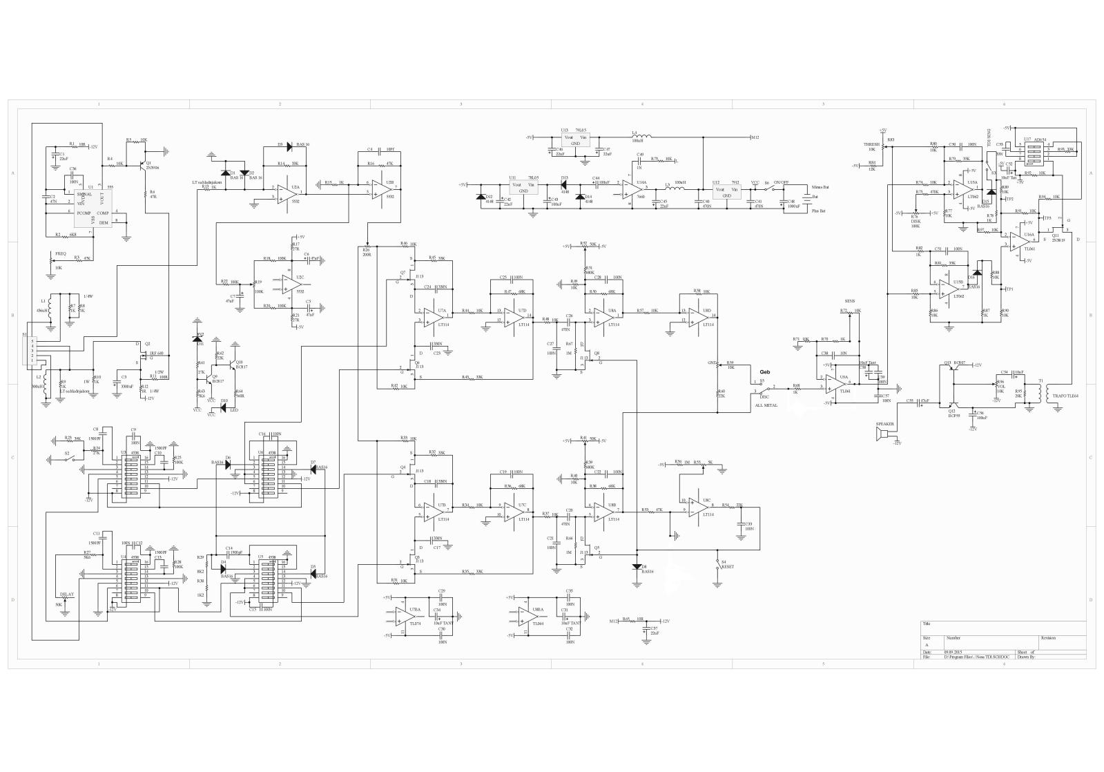
With any schematic posted or published one needs to go through each stage and Understand how it works.Then at least the simple errors like backwards op-amps and transistor are found.The TDI Proto schematic is Full of these errors. Not sure if that was intentional or this schematic was just a Very Preliminary one for the 'general' signal flow.Originally posted by dbanner View PostTrue. How does one distinguish a good schematic among many that contain errors in the same thread? I start from the assumption that all contain errors, however minor. Even some published schematics from Companies, deliberately contain errors.
The hard errors to notice are wrong component values.
IF you understand the circuit, example is the 47nF cap across the feed-back of the Hammer Head II Pre-amp, then a value way out is easily spotted. The cap/resistor values for the Timing circuit in the TDI Proto could be why off. Also, I doubt that the TDI, even the first ones, actually used the timing on that proto schematic.
Sometimes these value errors are due to Copy/Paste of parts and then forgetting to change the value (done this).
Last, one should Prototype any posted schematic or at least stages to ensure it actually works. This is what I did to build my version of the Hammer Head circuits (see my thread "my take on the HH2" in the HH II sub-forum).
Comment
-
My idea is testing every section separately, correct of errors and put here correct sehamatic and pcb file.
Now i see timing section AB and CD timings are same and i dont understand who is 1 sample and others because now C ,B is about 10us from TX and DA samples is about 120us from TX
Comment
-
The simple errors are easy to spot as you say like backward opamp wrong pin numbers etc. But wrong values for components and wrong circuit connection are difficult problem for novice like myself. I can work out most errors by going through each stage and maybe comparing with other similar type circuits, even running simulation to understand what's going on and how each stage works. Most errors can be found, but still, there are some that are very much hidden, even for expert.Originally posted by waltr View PostWith any schematic posted or published one needs to go through each stage and Understand how it works.Then at least the simple errors like backwards op-amps and transistor are found.The TDI Proto schematic is Full of these errors. Not sure if that was intentional or this schematic was just a Very Preliminary one for the 'general' signal flow.
The hard errors to notice are wrong component values.
IF you understand the circuit, example is the 47nF cap across the feed-back of the Hammer Head II Pre-amp, then a value way out is easily spotted. The cap/resistor values for the Timing circuit in the TDI Proto could be why off. Also, I doubt that the TDI, even the first ones, actually used the timing on that proto schematic.
Sometimes these value errors are due to Copy/Paste of parts and then forgetting to change the value (done this).
Last, one should Prototype any posted schematic or at least stages to ensure it actually works. This is what I did to build my version of the Hammer Head circuits (see my thread "my take on the HH2" in the HH II sub-forum).
Comment
-
7660 / LT1054 is used to double the +Bat voltage (0 to 12V from battery becomes 0 to ~24V on the output) then it's regulated down to 12V + 5V = 17V.
Look into Minipulse Plus for example it's used there and many other circuits out there. It also can be used to deliver negative voltage. Image is too blurry.
Comment

Comment