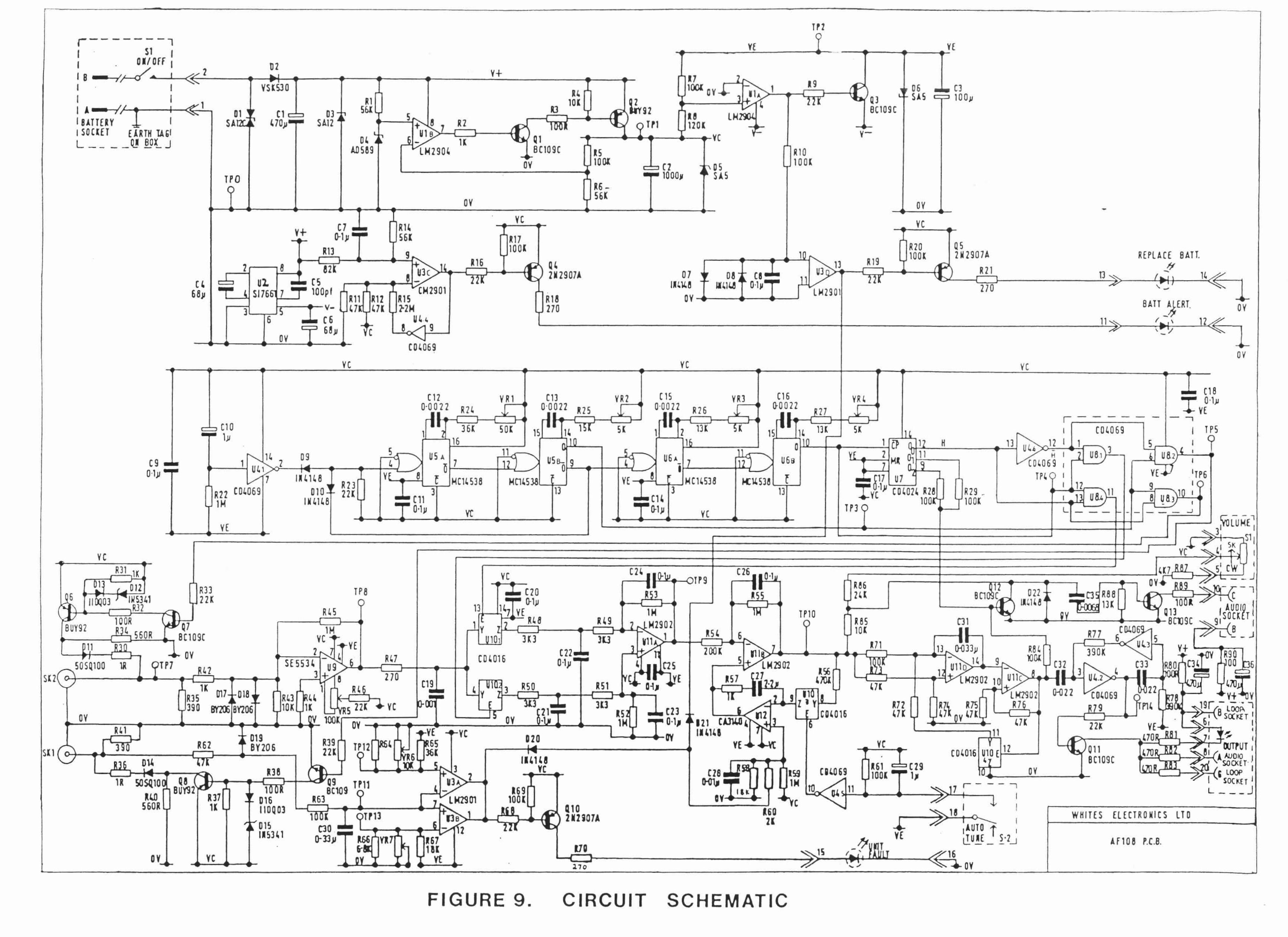
Here is a schematic titled AF108 P.C.B. A pulse machine with bi-polar TX drive circuit. Firstly, I would like to redraw just the drive circuit and then secondly, the timing circuitry. Followed by an attempt at modeling the timing train on ltSpice. Then perhaps some modifications to the circuit and finally building and testing the circuit(just the TX drivers and bi-polar circuitry).
Announcement
Collapse
No announcement yet.
Announcement
Collapse
No announcement yet.
A closer look at the AF108 bi-polar drive circuit
Collapse
X
-
Holmes here.
it was 'unknown' board of iwkonik. he asked what he got. then we went to resolution it is AF108 board.
ask him to share out high resolution pics at sunlight and you will have a pic for copy in SL.
https://www.youtube.com/watch?v=w_35bXpnZn8
White's AF-108 Mine detector. Pulse Induction,air test after some mods.
-
Yes Holmes, you remember it was Ivica who first came to forum with unknown pulse machine. Later it was identified as Whites detector model AF108, made in England.Originally posted by kt315 View PostHolmes here.
it was 'unknown' board of iwkonik. he asked what he got. then we went to resolution it is AF108 board.
ask him to share out high resolution pics at sunlight and you will have a pic for copy in SL.
https://www.youtube.com/watch?v=w_35bXpnZn8
White's AF-108 Mine detector. Pulse Induction,air test after some mods.
Thanks for posting the link for the video. This detector is very sensitive and rather good detection distance. Very smooth audio VCO and extremely stable threshold with fast response. All the ingredients of a very good machine. My aim is to break it down to bare bones, do some analysis, then perhaps use it as a basis for a new project.
Comment
-
First up, the power supply for this rig.
Looking at the schematic, I can see several rail voltages, namely V+, VC, VE, -V and 0V. There also appears to be an Si7661(ICL7662) charge pump voltage inverter and an LM2904 dual operational amplifier as part of the overall power supply circuitry. There appears to be a "battery alert" and "replace battery" circuits as part of an elaborate power supply architecture. These added features can certainly be dispensed with in a bare bones rebuild of this detector.
Comment
-
Hold your horses, there is also a "glass passivated transient voltage suppressor" (SA12C) across the battery socket.
"Transient voltage suppressor diodes are very popular devices used to instantaneously clamp transient voltages to safe levels before they can damage a circuit."Attached Files
- Likes 1
Comment
-
Here are the specs for the diodes associated with the power supply.
D4-AD589 1.2V Reference
D5,D6-SA5 Zener transient voltage suppressors
D2-schottky diode 30V, 5Amp
Interestingly, the charge pump does not appear to be synchronized or triggered, and appears isolated in this respect.
Also Battery negative is tied to the chassis box, and provides the 0V reference of the entire circuit(circuit ground).
Overall, the power supply circuit can be vastly simplified, no need for all the extras in a test circuit.
Comment
-
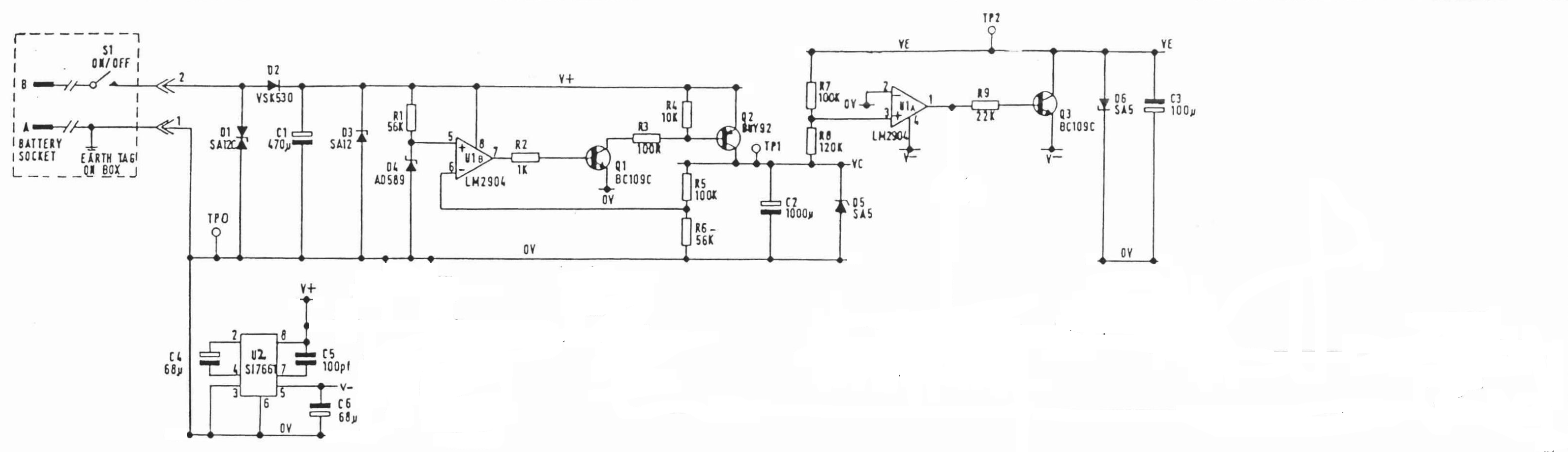
Here is the same power supply, without the non-compulsory parts which drive the "battery alert" and "replace battery" L.E.D's
Things are becoming a bit clearer now. All that remains is to determine the actual values for the rail voltages.
Then I'll construct a stand-alone power supply for testing the main circuit. Some of those fancy diodes will be chucked out for sure!Attached Files
Comment
-
Well, I think the rail voltages, although not expressly stated on the schematic, can be assumed to be +5V for VE and -5V for VC, just because of those zeners SA5's. Then V+ would be the battery voltage, here I'm assuming 12volts, and the output of the charge pump V- , which I'm going to say -12V.
V+......12V/battery positive.
VE......+5V
VC.......-5V
V-.......-12V
0V.......chassis /battery negative.
Now to design a pcb layout for the PS.
Since I don't have a SI7661/ICL7662, my charge pump inverter will instead be made using a 555 timer chip.
Comment
-
Years. I think it's in a storage trailer.Originally posted by dbanner View PostSeems like you haven't seen it in ages.
AD589 = 1.2VOriginally posted by dbanner View PostWell, I think the rail voltages, although not expressly stated on the schematic, can be assumed to be +5V for VE and -5V for VC, just because of those zeners SA5's. Then V+ would be the battery voltage, here I'm assuming 12volts, and the output of the charge pump V- , which I'm going to say -12V.
V+......12V/battery positive.
VE......+5V
VC.......-5V
V-.......-12V
0V.......chassis /battery negative.
Now to design a pcb layout for the PS.
Since I don't have a SI7661/ICL7662, my charge pump inverter will instead be made using a 555 timer chip.
U1B is a gain of ~3 via R5/R6 so VC ~ 3.5V
U1A is a gain of ~0.8 via R7/R8 so VE ~ -3V
Comment
-
Thanks Carl,
So VC is the positive rail, U1B gain 1+(100/56)=2.8 so VC=2.8*1.2=3.34V??????
And VE is the negative rail, U1A gain 100/120=-0.8*3.34=-2.7V???????
I'm beginning to think I picked up the wrong hobby.
I guess if I spent 6 hours everyday for the next three years, I could get there. By which time I would have lost most if not all of my hair, and most likely all of my teeth from grinding away at those algebraic equations.
Comment
-
My numbers were guestimates, yours are probably more accurate.Originally posted by dbanner View PostThanks Carl,
So VC is the positive rail, U1B gain 1+(100/56)=2.8 so VC=2.8*1.2=3.34V??????
And VE is the negative rail, U1A gain 100/120=-0.8*3.34=-2.7V???????
I'm beginning to think I picked up the wrong hobby.
I guess if I spent 6 hours everyday for the next three years, I could get there. By which time I would have lost most if not all of my hair, and most likely all of my teeth from grinding away at those algebraic equations.
And, yes, I have no hair.
Comment
-
Hi Andi68, yes, it does appear to be an ancient PNP device, but its an ordinary jobby, nothing special, that one. Any medium powered TUP device should work, I think.Originally posted by Andi68 View PostThe BUY92 is obsolet
The schematic of the Whites 2000 PI shows some similarity with the AF108. Notably the power supply and the RX preamp all the way up to the second integrator. The auto-tune circuit is identical.
If your'e wondering what a TUP is, I picked up that jargon from EleKtor magazine TUP,TUN,DUG,DUS. Transistor Universal Pnp, Diode Universal Silicon, etc.
They also published a list of what they considered to be "Universal" I've included it below. The PI 2000 uses a 9015 PNP transistor in the same place.
Comment

Comment