Announcement
Collapse
No announcement yet.
Announcement
Collapse
No announcement yet.
Blast from the past a Goldscan II
Collapse
X
-
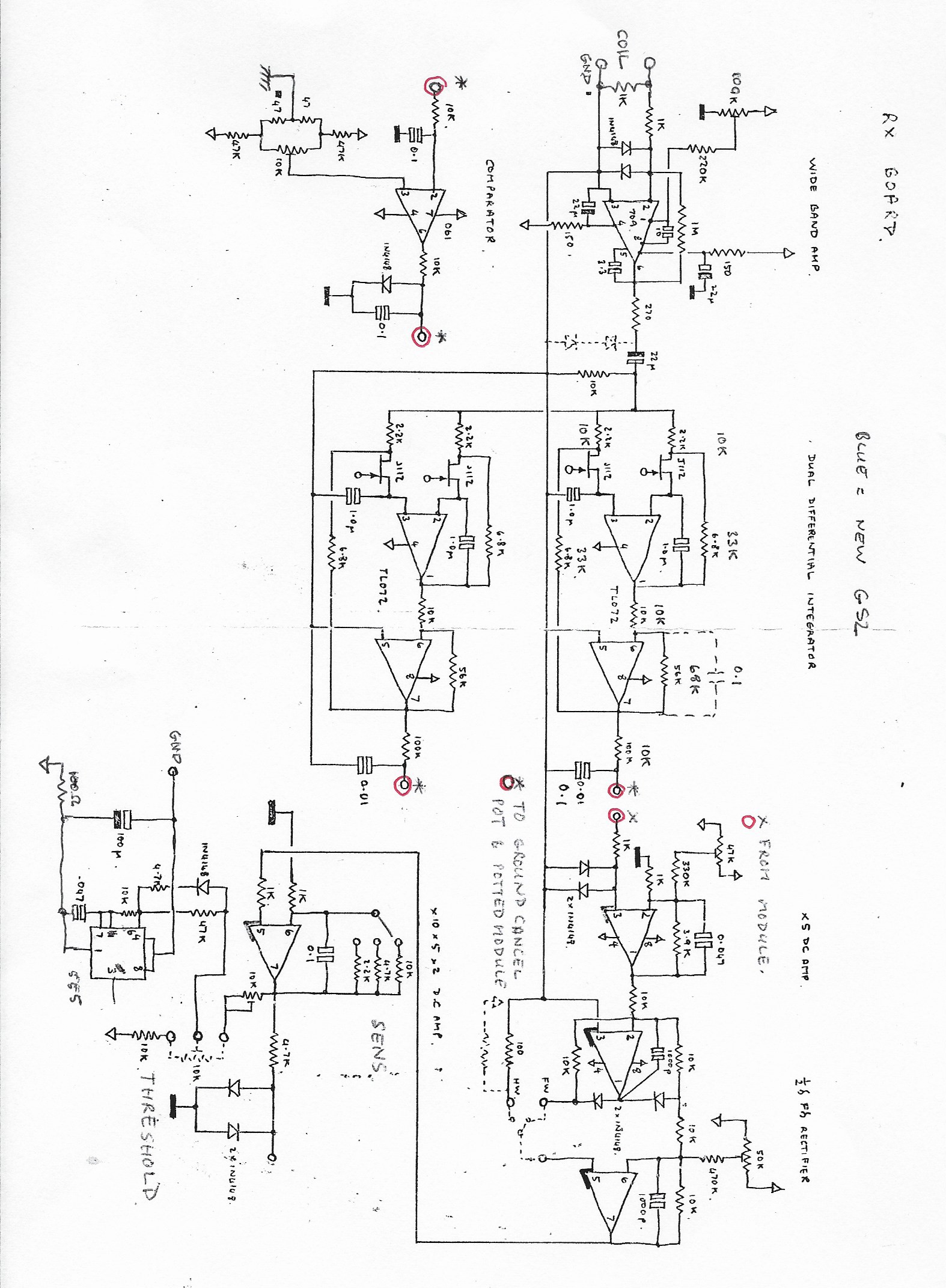
Originally posted by Paul Harris View PostLooked at the fathers Goldscan II after he said it had let off a puff of magic smoke, but it still works. Apart from his Beach Burner he says this was his best machine!!! Anyone know what the function of the black potted box is in the corner?
[ATTACH]53846[/ATTACH][ATTACH]53847[/ATTACH][ATTACH]53848[/ATTACH]
It looks to me like it could be an audio output transformer. It appears to be connected to the volume control and the headphone socket.
-
Hi Paul, The two tantalum caps were almost certainly 22uF 16V.
The potted module contained the zeroing circuitry for the two Rx channels. I am trying to locate the circuit diagrams for the GS2, but after all this time and moving from place to place (both workshop and house) it is not easy. However, I have found a folder marked GS2 and will post anything relevant.
Eric.
Comment
-
Hi All, thanks for the replies.
Hello Eric, thanks for the cap values, I will let him know and thank you for any info you could pass on about this great machine. He said he tried the machine with a coil, the depth was still very good, even though he's not used it in 15 years and it has two burnt caps, but it lost the threshold after a short time and he struggled with it until giving up. His GS II needs a bit of TLC from me.
Comment
-
i think the tants were reversed, then yes this cause of the burnt. if you see a line on the tant case it is not NEGATIVE like
you can guess, as always you meeting on electrolitics. this is the POSITIVE pin.
with tants you must be careful.
Comment
-
I don't know why they burnt, maybe it was just age, he has had that detector since around 1982 and that was his go to machine for many years - its seen a lot of action.Originally posted by kt315 View Posti think the tants were reversed, then yes this cause of the burnt. if you see a line on the tant case it is not NEGATIVE like
you can guess, as always you meeting on electrolitics. this is the POSITIVE pin.
with tants you must be careful.
Comment

Comment