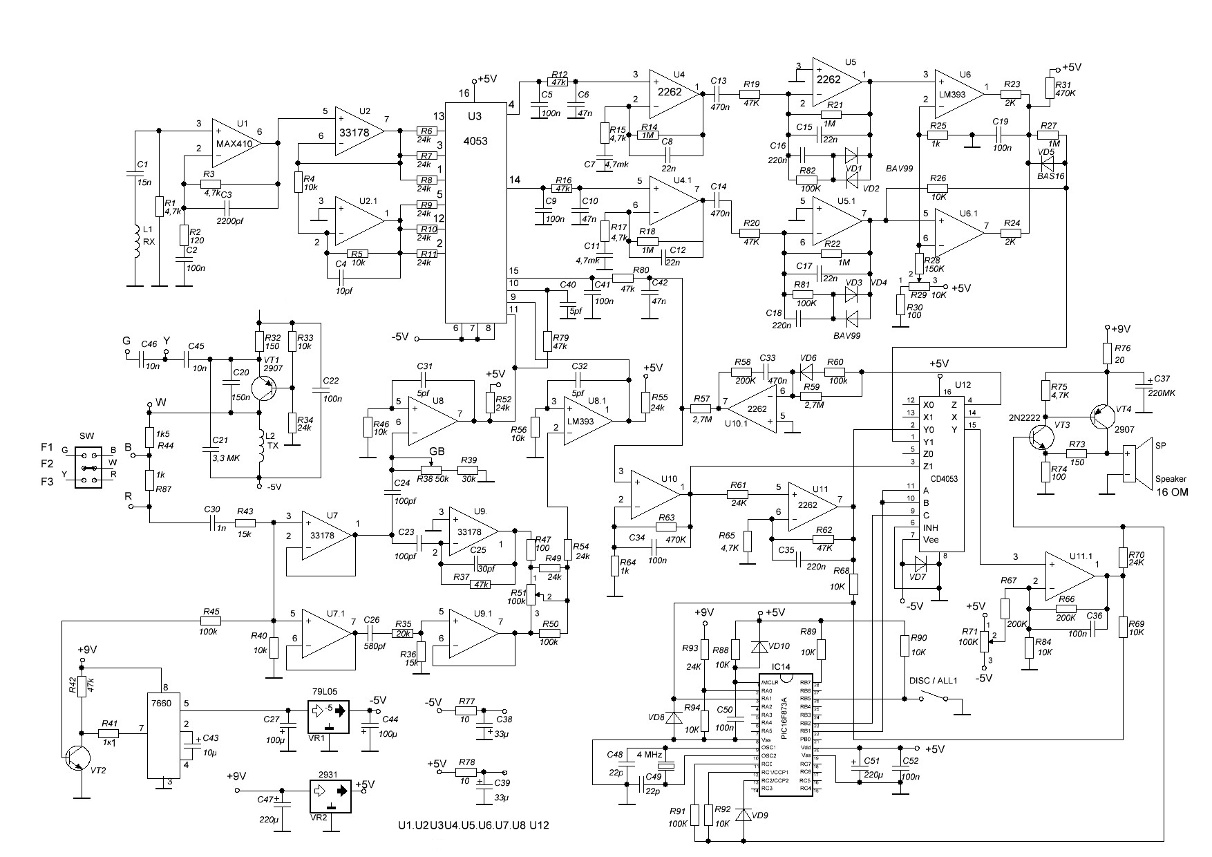
I do think that VD7 was placed on the 4053 possibly as a clamping diode/level shifter to help prevent undershoot. Makes more sense than over on the oscillator imho. This is in addition to the "blocking diodes" which are missing. It could be what prevents the "pops" that are heard in other detectors that don't have it.
The circuit really needs to be put on scope to see though.
The circuit really needs to be put on scope to see though.



Comment