Hi
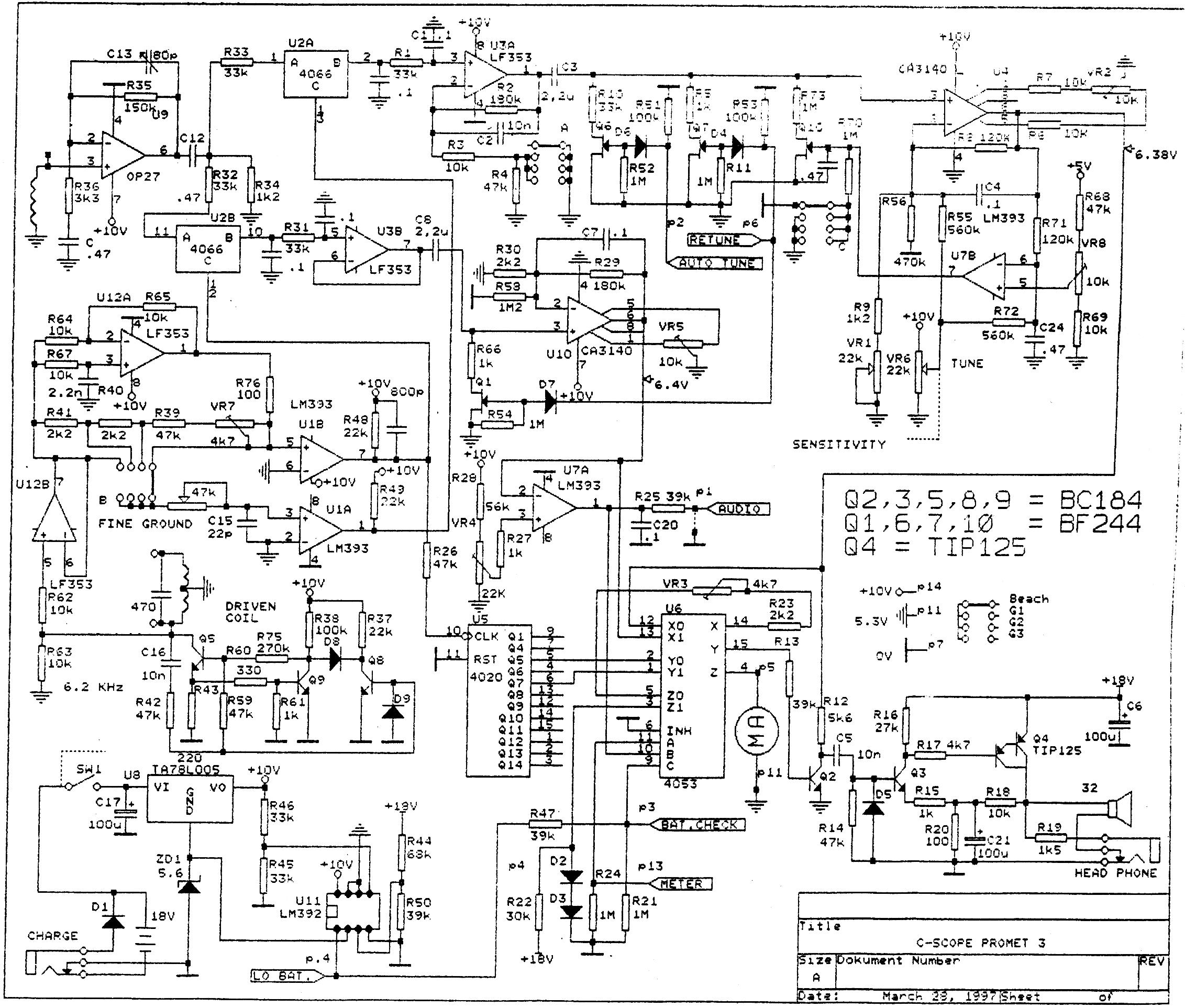
I have a cscope spoiled . but my big problem is that i have not the part list or better than say have not the shematic
I put the pictures and films of this.
yes I need the part list because a few part of this on board cut.
I need the compeletly the shematic and your Experience & your help.
http://up.toca.ir/images/nmddotvoktcxr0u1gr.zip
excuse for my English
I have a cscope spoiled . but my big problem is that i have not the part list or better than say have not the shematic
I put the pictures and films of this.
yes I need the part list because a few part of this on board cut.
I need the compeletly the shematic and your Experience & your help.
http://up.toca.ir/images/nmddotvoktcxr0u1gr.zip
excuse for my English

Comment