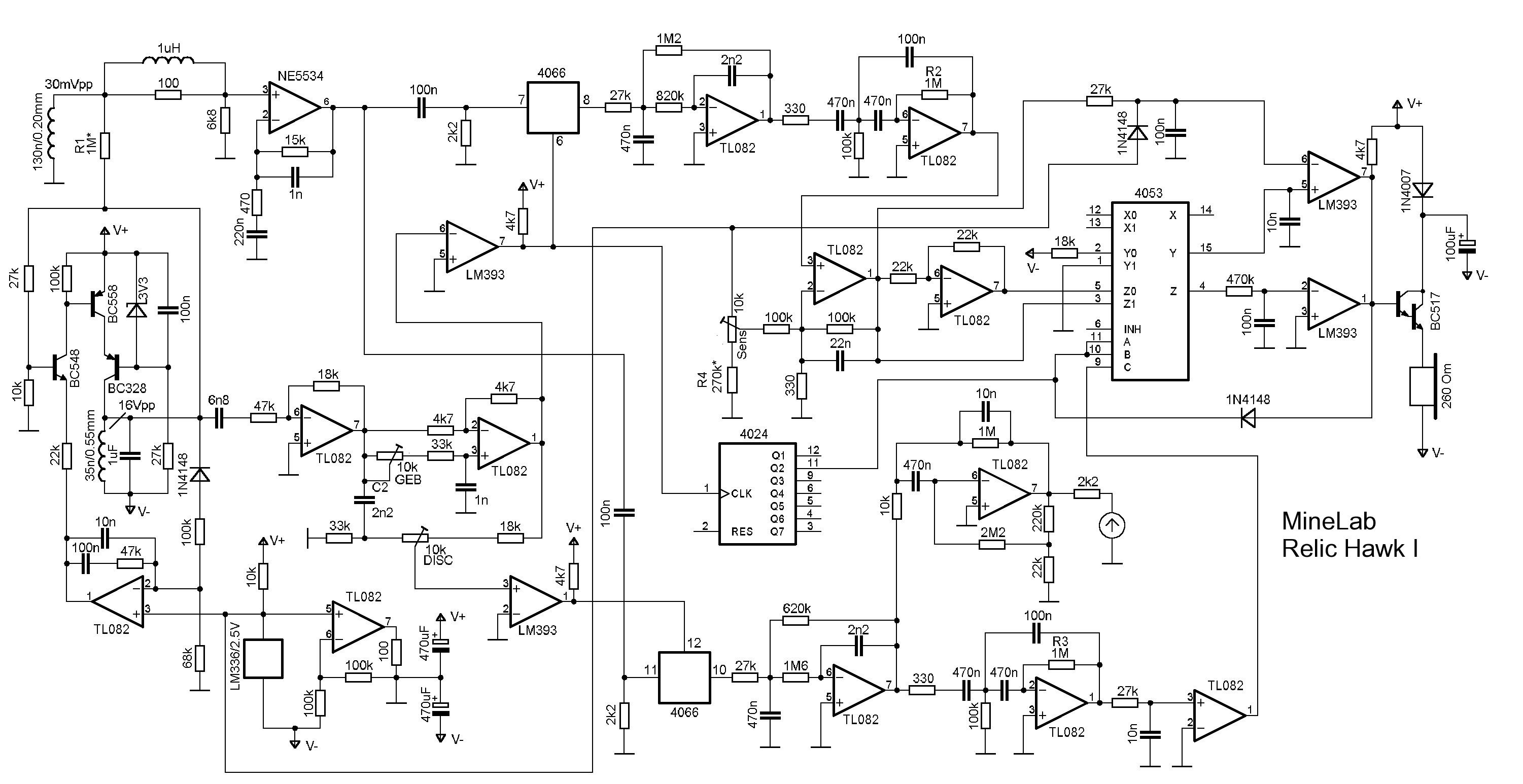
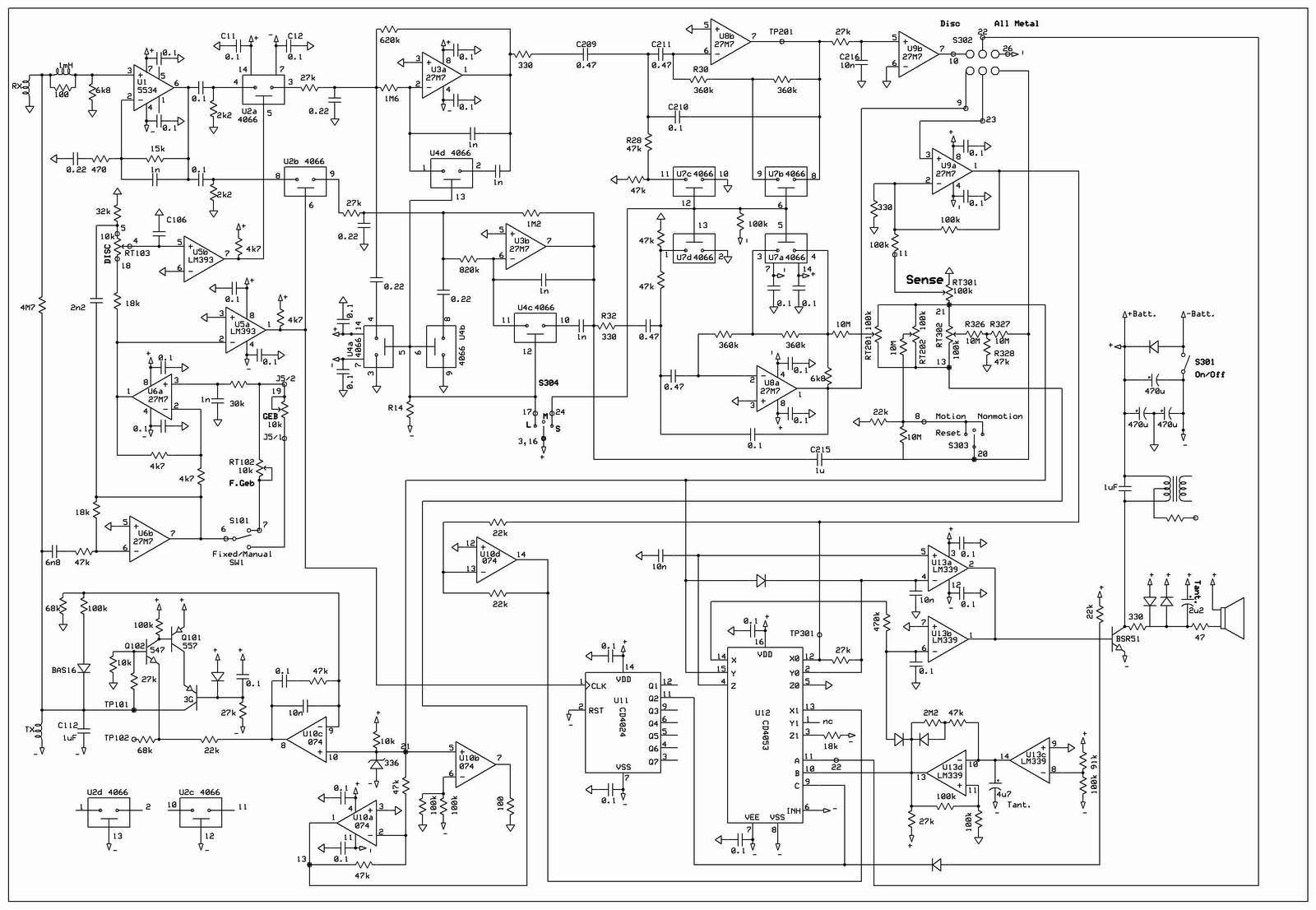
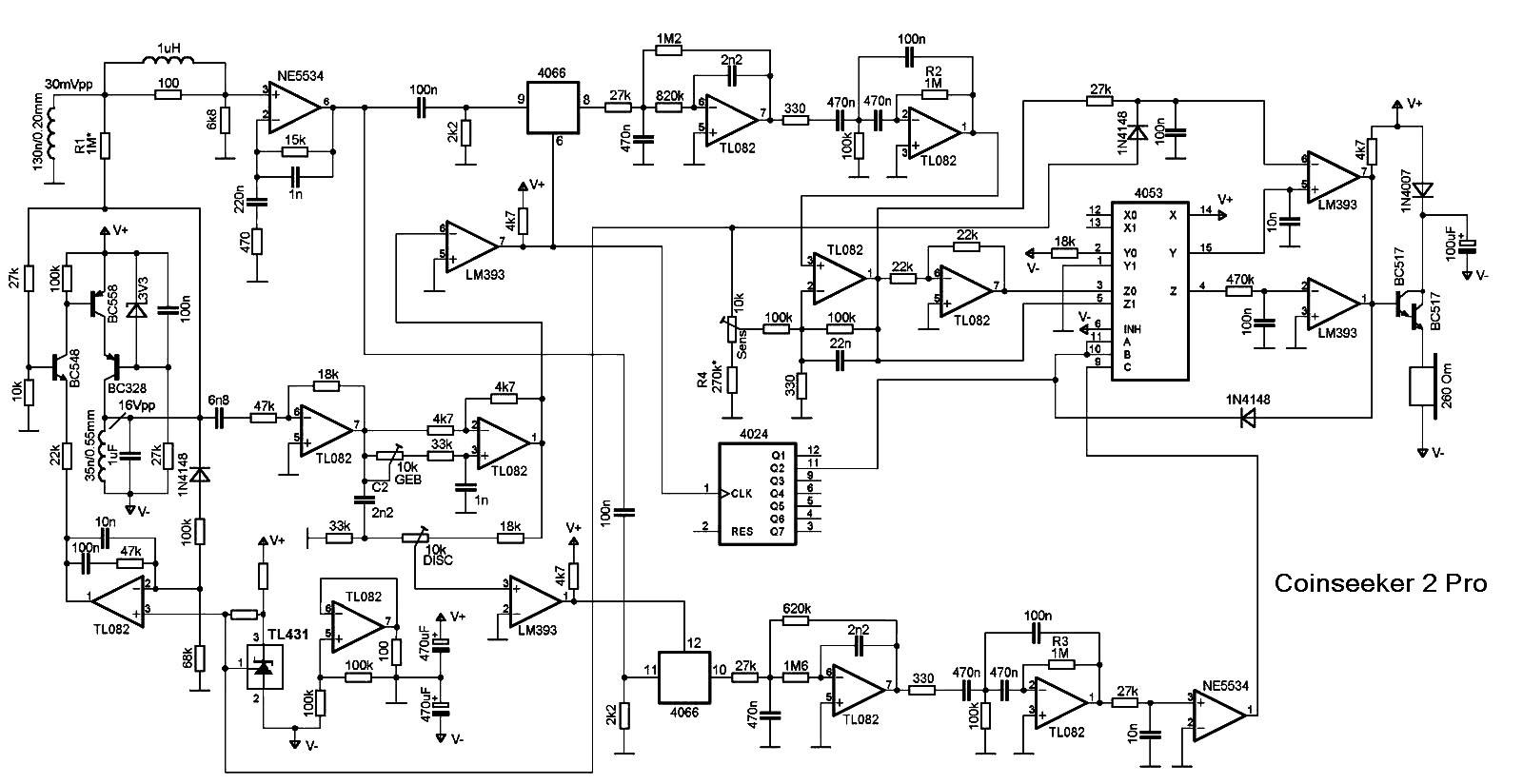
hello to all the forum, I'm Italian, I need help to mount an electronic board of the coinseeker 2 Pro, the card already installed but I do not know where to connect the positive and the negative
Announcement
Collapse
No announcement yet.
Announcement
Collapse
No announcement yet.
HELP COINSEEKER 2 PRO
Collapse
X
-
Ahh here it is; http://www.powerscan.eu/cart/index.php
Hmm they don't seem to sell it anymore. Just PI detectors right now....
Comment
-
-
roccocoin - What not work in your detector? Tray to find first 2,7volt aftrer 5v, 7v and start generator.
I made this project and work werry well. About coil I made dd28 Tx 48/0.6 Rx 170/0.2.
WHITCH COIL YOU MAKE FOR THIS DETECTOR. THE COIL IS THE SAME LIKE MINELAB RELIK HAWK.
Comment
-
thank you, lax pcb I c omprata already installed and I have the original coil made in bulgaria, but it does not work I do not know why.
best regards
Annulla modifiche
Il tuo contributo sarà utilizzato per migliorare la qualità della traduzione e può essere mostrato agli utenti in modo anonimo
Contribuisci
Chiudi
Grazie per l'invio.
Definizioni di ti ringrazio,lax pcb l'ho c omprata gia montata e ho la bobina originale fatta in bulgaria,ma non funziona non so il perche .
sostantivo
(in solmization) the seventh note of a major scale.
Sinonimi di ti ringrazio,lax pcb l'ho c omprata gia montata e ho la bobina originale fatta in bulgaria,ma non funziona non so il perche .
sostantivo
- titanium
- te, si
Esempi per ti ringrazio,lax pcb l'ho c omprata gia montata e ho la bobina originale fatta in bulgaria,ma non funziona non so il perche .
Vedi anche
TI
Traduzioni di ti ringrazio,lax pcb l'ho c omprata gia montata e ho la bobina originale fatta in bulgaria,ma non funziona non so il perche .
sostantivo lo si ti
Google Traduttore per il Business:Translator ToolkitTraduttore di siti webStrumento a supporto dell'export
Trascina e rilascia il file o il link qui per tradurre il documento o la pagina web.
Trascina e rilascia il link qui per tradurre la pagina web.
Il tipo di file che rilasci non è supportato. Prova altri tipi di file.
Il tipo di link che rilasci non è supportato. Prova altri tipi di link.
Comment
-
Originally posted by plboy View PostPrimo:
Tu serve mejure :
1---2.5-2.7 voltage dopo lm336
2--- +5v and -7v
3--- mejure kuando colegato Coil - generator lavoro/no lavoro ..... dai fotografiko plata montaja
hello plboy these are the pictures of my pcb, but it does not work, emits only a little noise but nothing piu.tu can see if possible error?
coil bought already assembled so. tanks
Comment

Comment