Announcement
Collapse
No announcement yet.
Announcement
Collapse
No announcement yet.
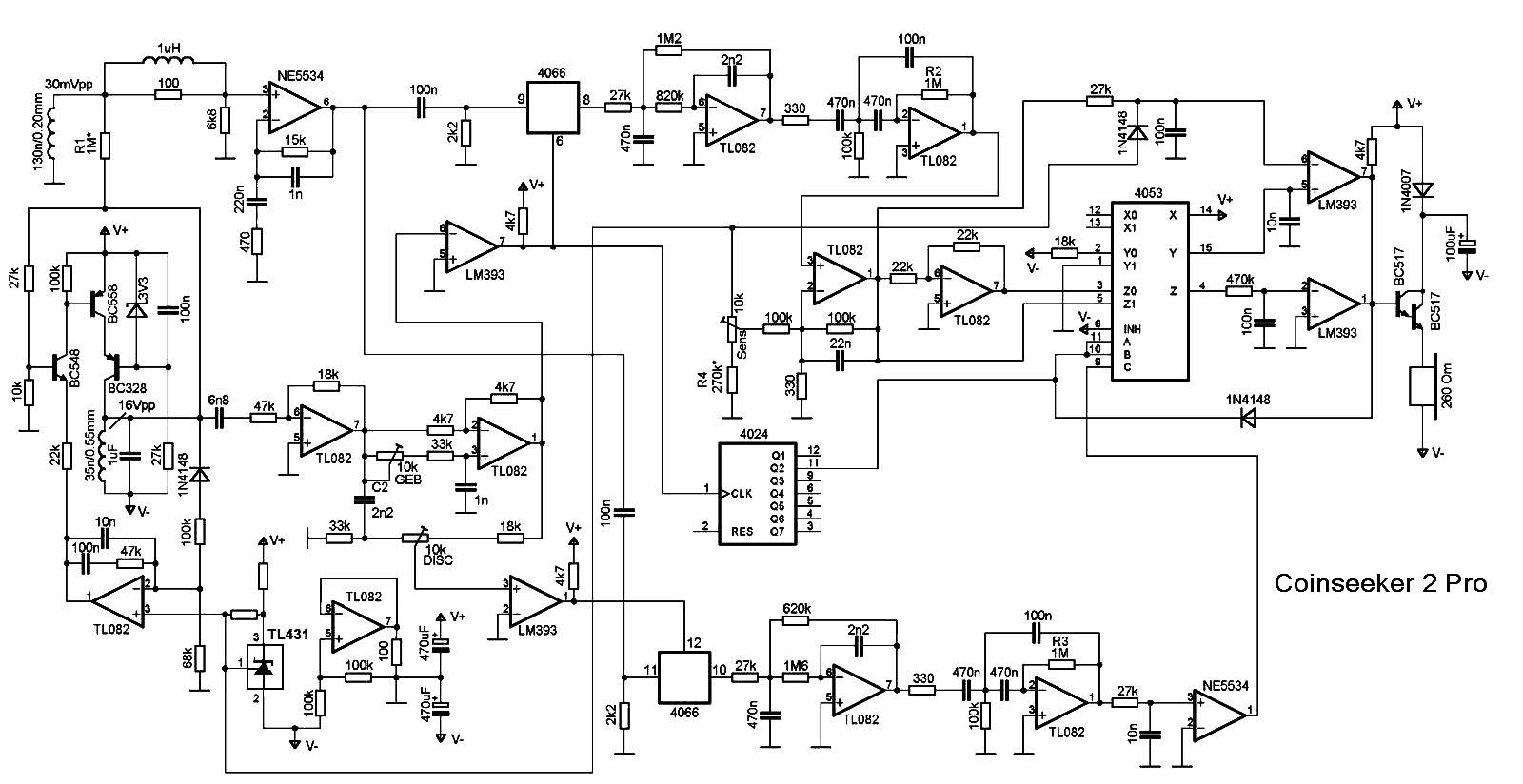
HELP COINSEEKER 2 PRO
Collapse
X
-
seems one botanic had learned this forum and offers TGSL. can you give PART LIST? (PART LIST is a list/diggest of all integral micros of your PCB)Originally posted by roccocoin View Posthello plboy these are the pictures of my pcb, but it does not work, emits only a little noise but nothing piu.tu can see if possible error?
coil bought already assembled so. tanks[ATTACH]32696[/ATTACH]
and please do not do so tiny pics
. anotherway I will answer in this manner - seems one botanic had learned this forum and offers TGSL. can you give PART LIST? (PART LIST is a list/diggest of all integral micros of your PCB)
and please do not so tiny pics. anotherway I will answer in this manner
Comment
-
Originally posted by kt315 View Postseems one botanic had learned this forum and offers TGSL. can you give PART LIST? (PART LIST is a list/diggest of all integral micros of your PCB)
and please do not do so tiny pics
. anotherway I will answer in this manner - seems one botanic had learned this forum and offers TGSL. can you give PART LIST? (PART LIST is a list/diggest of all integral micros of your PCB)
and please do not so tiny pics. anotherway I will answer in this manner
I have no part list I'm sorry, the pcb I bought already assembled with components
Comment
-
I'm sorry but I'm not a good electronic, are a beginner and do not know how to describe certain components, then I should go see for all colors each resistor and I have all this free time, I could do another picture where bigger hoping you can see all the components ..... best regardsOriginally posted by kt315 View Postoh not... i am cry... mamma mia give them a good lesson. PART LIST IS A LIST/DIGEST OF ALL IC'S THAT YOU SEE AT YOUR PCB.
Comment
-
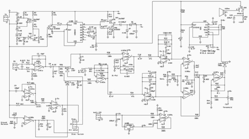
best you write to Distributor/ builder and ask him why this detector dont work
for pcb Picture: use sunlight- go out, try different Settings (maybe makro mode) and make Pictures from top and bottom
make a copy of componetn side and write all the names of the integrated circuits, transsistors voltage Regulators and capacitors on this picture
Comment

Comment