Announcement
Collapse
No announcement yet.
Announcement
Collapse
No announcement yet.
SBG-PID
Collapse
X
-
-
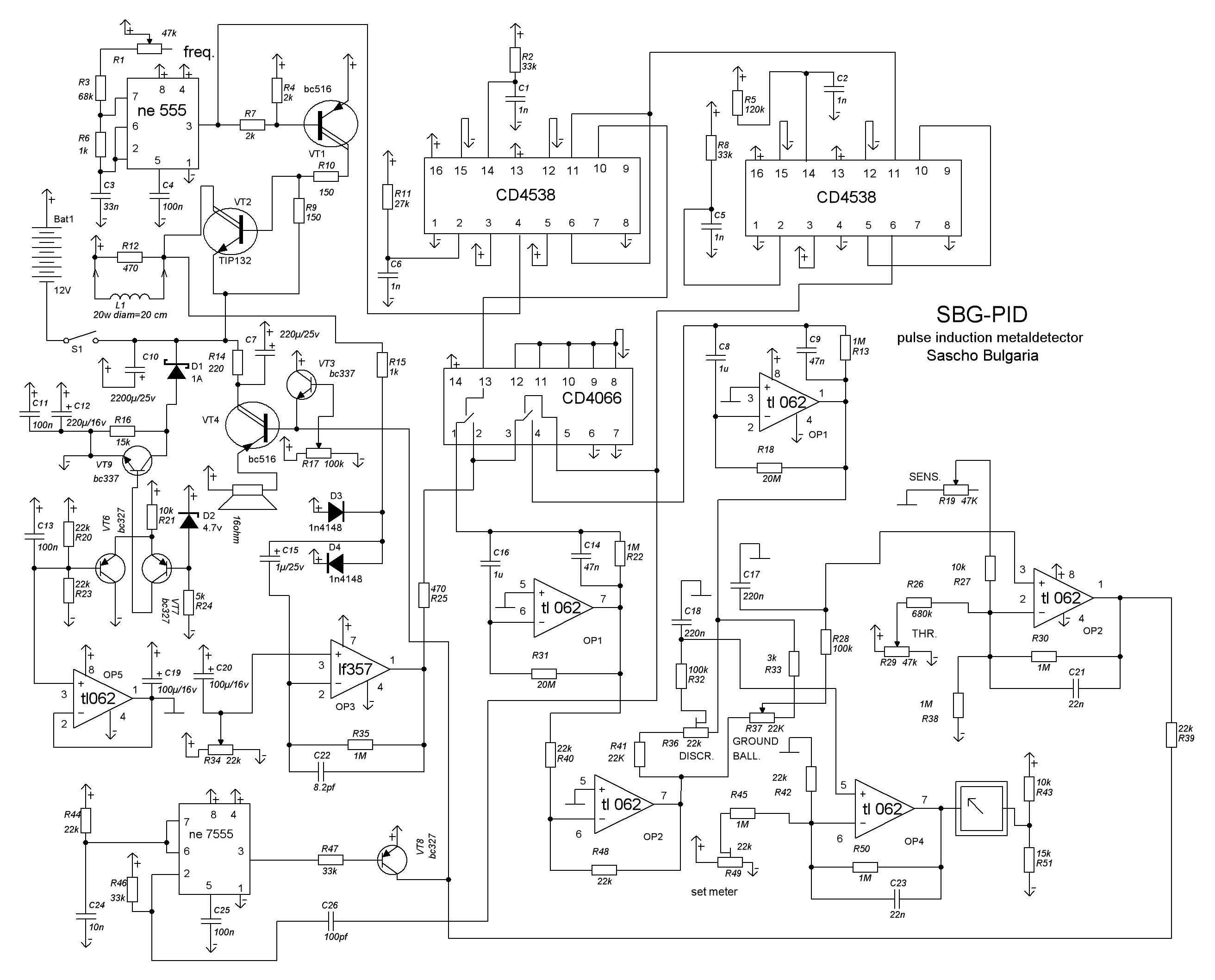
It doesn't look too different from many other old PI designs.Originally posted by scs View PostPulse induction motion detector.Ground balance and meter discrimination.Discrimination is possible best for PI detector with one coil.[ATTACH]46021[/ATTACH]
Please post the Timing and a description of how this does GEB & Discrimination.
From the schematic it looks like possible can discriminate High verse low conductors but not Fe.
Comment
-
My thoughts exactly, having looked at the schematic.Originally posted by waltr View PostIt doesn't look too different from many other old PI designs.
Please post the Timing and a description of how this does GEB & Discrimination.
From the schematic it looks like possible can discriminate High verse low conductors but not Fe.
Comment
-
Topic about this detector: http://www.thunting.com/smf/pi_desig...21018.110.html
Video of member ahocool: https://www.youtube.com/watch?v=sgs6Us8PjVs
Same member told that it can't discriminate...
Comment
-
In which case it is using conductivity discrimination, the same as White's TDI. This is not ferrous / non-ferrous discrimination, and will only be able to ignore small nails of a similar size and shape. The same as waltr said in post #5.Originally posted by scs View PostWorks like White's Electronics TDI SL Metal Detector .Well discriminates iron from gold, bronze, modern coins.Wrongly discriminates against thick silver and copper coins.
Comment
-
Thanks for sharing the circuit. Very much appreciated.
I will be keen on building it for testing if only you can provide a layout.
How significant is loss of sensitivity when discrimination pot is turned up?
Can the circuit knock out bottle caps while still detecting some coins and silver and still maintain good detection depth?
Beaches here are infested with bottle caps so this circuit might be just fine if it can eliminate bottle caps.
Comment

Comment