If this is your first visit, be sure to
check out the FAQ by clicking the
link above. You may have to register
before you can post: click the register link above to proceed. To start viewing messages,
select the forum that you want to visit from the selection below.
Возможно если у полевого транзистора имеется малое напряжения запирания.Нужна другая схема управления затвора
транзистора u/2=открит и -u закрит.
For the non Russian speakers:
"That's possible if the JFET transistor has a low pinch off voltage. You'll need another control circuit, use u/2 = to open and -u to close"
This is interesting because the word "открит" actually means "open" but assuming this is a n-channel then it should be "closed" or conducting while the word "закрит" means "closed" but it should be open or not conducting. I think you got the point.
It is an English speakers' forum after all. Nothing to get upset about. Vi kan alla börja prata på olika språk om du vill, men det skulle aldrig funka, eller hur?
Translation from Swedish for non Swedish speakers:
We can all start talking in different languages if you want, but that would never work, or?
Chill out man, I didn't intend to offend you, just to give others the opportunity to profit from the post.
Regards
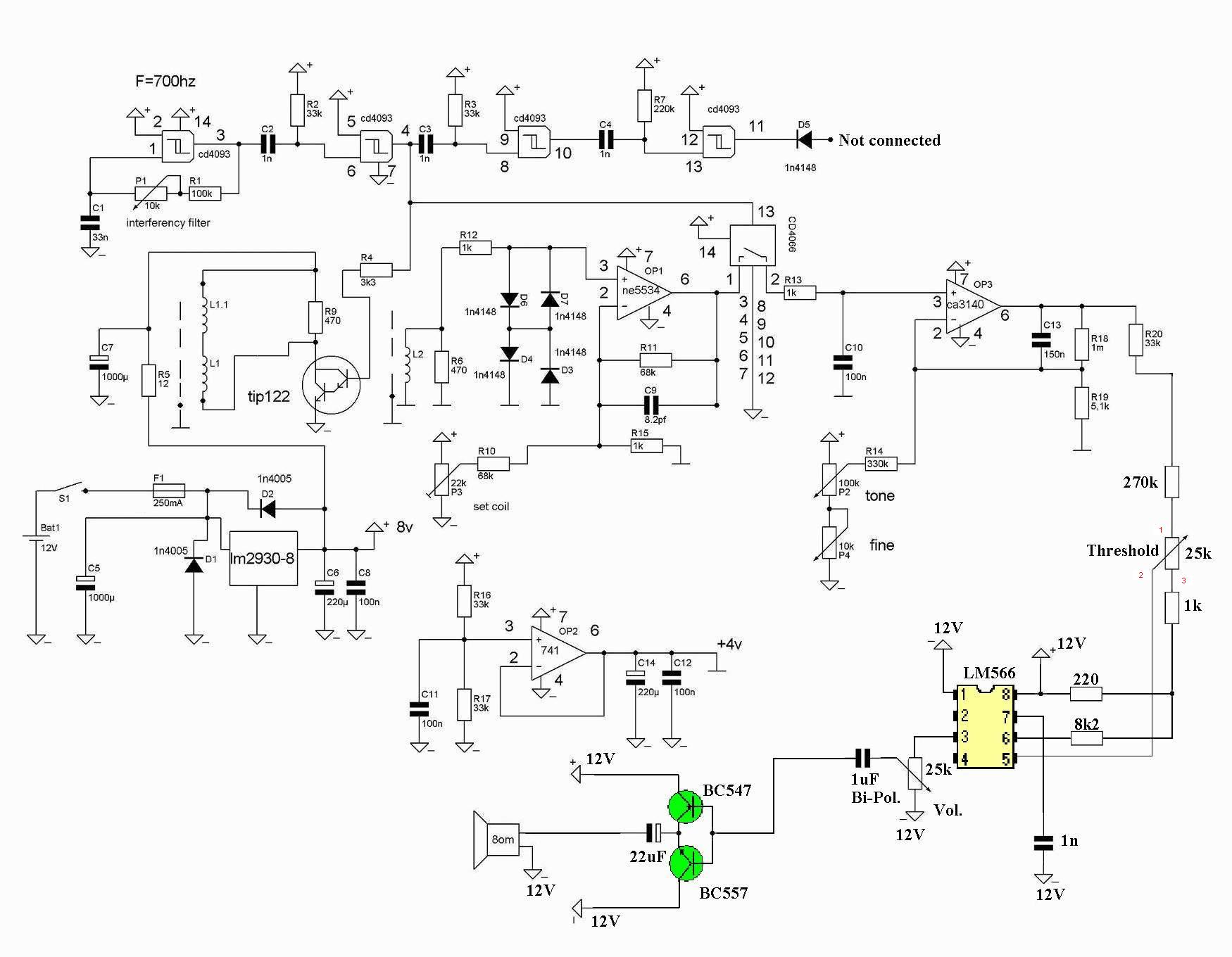
If someone has tested that device on the field, would share some test results – depth, discrimination and stability? Is this real pulse induction detector with discrimination, or only the name is IB Pulse?
… Ivconic, I will be grateful for your opinion also.
Comment