Since i am already having CS1220B with pretty good Isocon coil; i was thinking to make one better Cscope motion which will use with that coil too...
Announcement
Collapse
No announcement yet.
Announcement
Collapse
No announcement yet.
Cscope 2MX
Collapse
X
-
Ain't no such thing as smart and economical autorouter!

Trying to resolve this pcb draw and make it less complicated, more logical and more human.
So... tough job!
Tough, because original was done by autorouter, which was so stupid and made zillion nonsense tracks, vias etc...
Simple example is showed on photo bellow. Example A is original autorouter draw and example B is my manually routed draw.
That's why i don't like "machines"!
Man have to do what man have to do, ain't no machine to do the same job instead the man, simply as that.
Autorouting is necessary only at more complex designs, in cases when it would probably take months man to route it manually.
But i can only wander about those routes!?
...
Back to subject; i am sure now that posted schematic and posted pcb are not from same model.
So, again, is there anybody that might have more details on this? Photos, similar ...etc..?
I will do this anyway, with or without extra help, but it would be much easier if there is additional help...
Attached Files
Comment
-
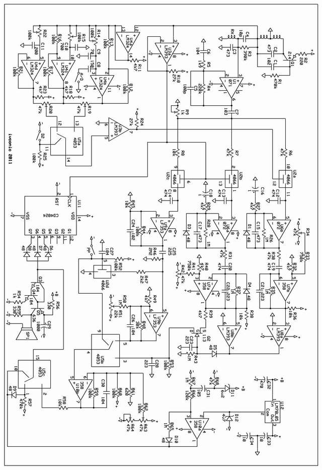
Of course, i made redraw from Lahr's sketch, because it is much easier for me to follow the "logic" on this one...Attached Files
Comment
-
It depends a lot on the flexibility of the autorouter and how you're allowed to set the cost functions. In general, lower priced autorouters will simply place horizontal tracks on one layer and vertical tracks on another. This creates a lot of vias. You can reduce the number of vias by setting a limit on each net, or define an allowed length that the router can deviate from the rules. Subsequent passes of the router can also be used to remove superfluous vias and other problems. Although you have to pay a lot of money for good autorouting software, it is sometimes possible to get acceptable results by careful adjustment of the parameters. I agree with Ivconic though that, most times, manual routing is best for smaller designs. That's the way I do it.Originally posted by ivconic View PostAin't no such thing as smart and economical autorouter!

Trying to resolve this pcb draw and make it less complicated, more logical and more human.
So... tough job!
Tough, because original was done by autorouter, which was so stupid and made zillion nonsense tracks, vias etc...
Simple example is showed on photo bellow. Example A is original autorouter draw and example B is my manually routed draw.
That's why i don't like "machines"!
Man have to do what man have to do, ain't no machine to do the same job instead the man, simply as that.
Autorouting is necessary only at more complex designs, in cases when it would probably take months man to route it manually.
But i can only wander about those routes!?
...
Back to subject; i am sure now that posted schematic and posted pcb are not from same model.
So, again, is there anybody that might have more details on this? Photos, similar ...etc..?
I will do this anyway, with or without extra help, but it would be much easier if there is additional help...
Comment
-
Yes that's a fact.Originally posted by Qiaozhi View PostIt depends a lot on the flexibility of the autorouter and how you're allowed to set the cost functions. In general, lower priced autorouters will simply place horizontal tracks on one layer and vertical tracks on another. This creates a lot of vias. You can reduce the number of vias by setting a limit on each net, or define an allowed length that the router can deviate from the rules. Subsequent passes of the router can also be used to remove superfluous vias and other problems. Although you have to pay a lot of money for good autorouting software, it is sometimes possible to get acceptable results by careful adjustment of the parameters. I agree with Ivconic though that, most times, manual routing is best for smaller designs. That's the way I do it.
Along with SL5 , ExpressPCB, Target3001, Eagle and few others; i also have EDA (Protel) installed on my PC.
Well... EDA is state of the art in any aspect, especially in autorouting.
But sometimes it took me twice as much time to adjust all the autorouter's parameters - than to route my work manually!
And pretty often i do "overadjust" some parameters that i later forget how to reset to defaults!

EDA (Protel) is good for somebody much smarter than me, Sprint Layout is just all i ever needed and wanted!
Comment
-
Hi folks,
As promised here are some photo's of the PCB of the Cscope CS2M. I have made some modifications - detatched the control pots from the circuit board to make more room in the control box for 2 x 9v packs of AA cells. As someone recently said on the forum "People who design detectors to run off two 9 volt batteries should be shot" Here here, I agree!
Anyway I will leave the board out of the box for a week or two as I know you guys will need to know about the component values that can't be seen in the photo's. Just mark on the photo whatever you want clarified and i will check it and post the info. If anyone does manage a rev eng of this machine then post your PCB, parts layout or schematic here and i will check it against the board. In a few weeks time i want to return it to factory specs and sell it, so I won't be able help with enquiries for long.
Good luck!
Regards, Jim.
Comment
-
-
-
-
Hi TH Jim
i have a acquired a Cscope cs2m detector. the sensitivity Potentiometer on the control box has broken, it just keeps turning around & around. when inspecting inside the control box someone has already changed the Potentiometer by the looks of it.
can you tell me please what the control box sensitivity Potentiometer value should be please if possible incase someone had fitted the wrong one. 50K ohm - 100K ohm etc.
thanks in advance.
here is a picture of the PCB and Potentiometer.

Comment
-
Of course! I am!Originally posted by TH Jim View PostAnyone Interested?
Sheeesshhh it was long time ago!
How i missed this!?
If any good from this, with loooong delay; TH Jim THANK YOU very much for posting those photos!
I completely forgot this one! I had plans to make it and than somehow it faded from my mind!?
This winter i will put some effort and make it.
Cheers!
Comment
-
Sorry Keith, but i no longer have the 2MX. But looking at your photo, i would say that that is not the original pot, as the original has an on/off switch incorporated, so yours has been replaced. Does you 2MX work? maybe you could email CScope for some help with the correct value.
Regards, Jim.
Comment


Comment