Originally posted by g.s
View Post
Announcement
Collapse
No announcement yet.
Announcement
Collapse
No announcement yet.
Superscan PI
Collapse
X
-
Hello!
I built a Superscan clone.
Now I try with 10×10 meters transmitter coil (N:4 wire, 2 ohm) and with receiver 60 cm diameter (N:19 wire, 2 ohm).
In my garden works well: to rusty helmet signal at 220 cm AND NO SIGNAL TO 2mm diameter rusty wire piece OR OTHER TRASHS. It filter every small object!
It works well in the garden, when i adjust threshold, and i walk 1-2 meters around.
BUT on field not work well!
Because when i walk in the trnsmitter coil, my distance to the transmitter coil wire is changing. When it change, it need change adjust threshold...
So if i adjust threshold in the middle of the big coil, and i walk some to the big coil wire, the receiver give signal. If i adjust threshold 1meter to the big coil, when start to walk to the middle of the coil, the receiver lost sensitivity.
I foul up something?
Or this 2 coil system not works with sound signal, only for measurment in 0.5 meters matrix and search for anomaly?
Comment
-
Yes . But there is big problems with is on field. Better way for 24v deep scanner is delta pulse modification. Delta pulse has good ground balancing circuit, it works with 24v power too. I used it for sometimes , i like it. Now i have 24v machine with arduino microcontroller, full distance 100% discrimination aluminium from rusty iron
Comment
-
Alltime problem. Superscan has no autimatic threshold (tune), so you need set threshhold pot in every step. Delta pulse has auto tune, very useable, fine. Many times i used delta pulse integrator and vco for my deepsearch machines. That is good. But delta pulse tx and preamp has many noise, i used my own tx. If dont want disc, you can use 1 coil, but for good disc must use 2.
Comment
-
Thank you sirbedevir
if I understand correctly, the problem is like that. wide detection by adding to the size of the object
https://www.youtube.com/watch?v=lw-AY4hteSs
- Likes 1
Comment
-
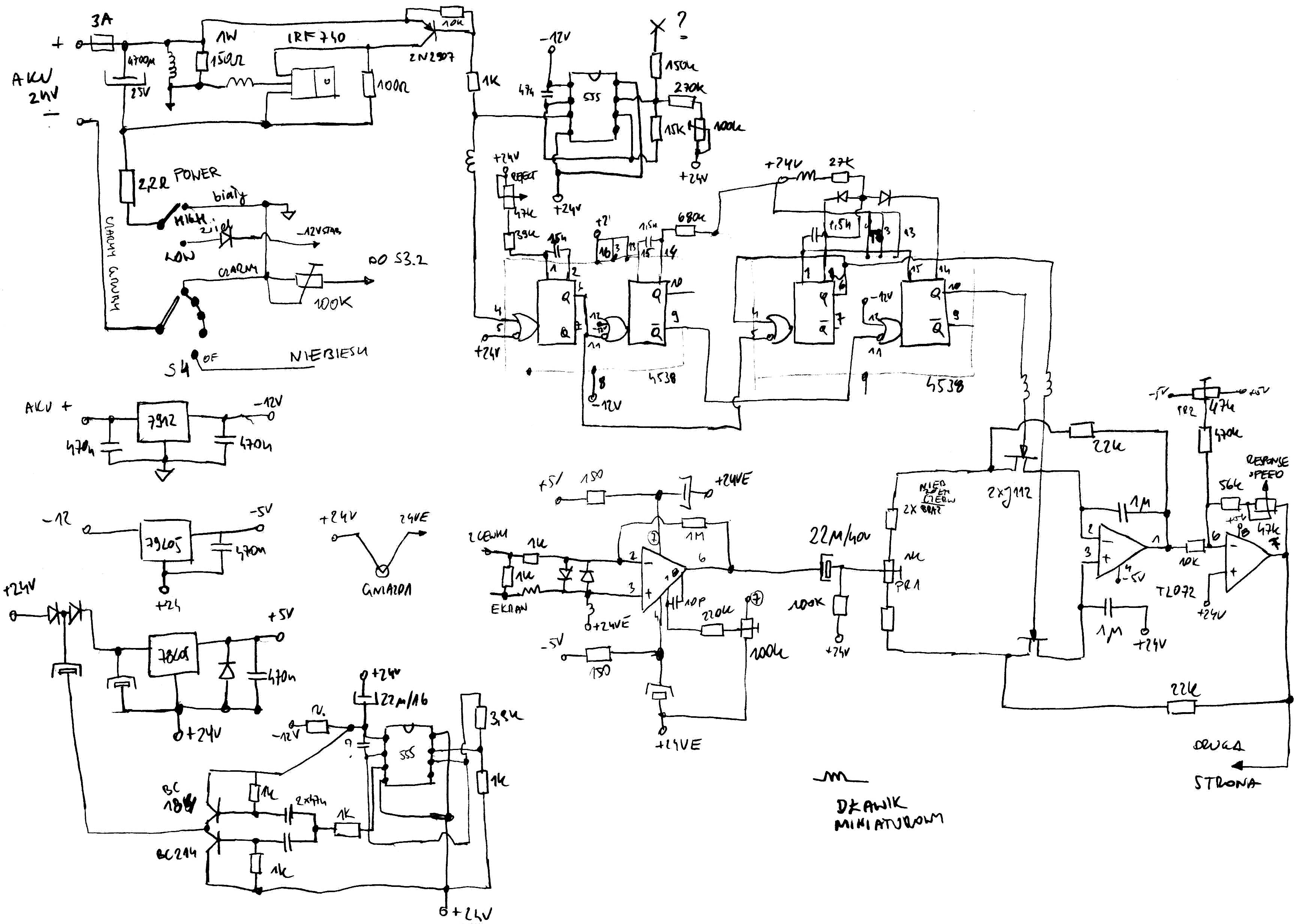
Hello! I'am over many-many measurment and building 3 microcontroller based discrimination pi metaldetector.
- Now i know, that is not need two coil for big frame PI discrimination, if you can make very low parasitic capacitant TX and monocoil. I managed it, works fine.
- My new monocoil pi detector has very-very big distance sensitivity (beercan more than 2 meter in air). But: with thin big sensitivity impossible to use on real field. (perhaps in sand desert or on water surface) It is impasibble, because of soul change. If you move the coil over the coil, on every step there is big change because of very big sensibility... On the former video you see that the coil no moveing, the target move. This is cheating
My detector can signal at that deepth with discrimination, when you move with the frame on field. But impossible to make a usable pi detector with more bigger deepth sensitivity (for this target size). My machine has more sensitivity, full softvere filtering, but not usable on that high sensitivity. I must reduce sentivity on real field. The real deep sensitivity for beercan in real soil, with real sensitivity settin is about 120-140 cm in dicrimination mode. 140cm on low soil clay, and 120cm on high soil clay.
Comment
-
repeating of filesAttached Files- 5_2.jpg (594.1 KB, 731 views)
- dsc00493vi4.jpg (274.4 KB, 647 views)
- P3140074.jpg (783.9 KB, 530 views)
- P3140080.jpg (788.8 KB, 482 views)
- P4090012.jpg (794.4 KB, 466 views)
- P6232237.JPG (767.8 KB, 456 views)
- P6232238.JPG (671.0 KB, 452 views)
- P6232244.JPG (675.4 KB, 446 views)
- P6232245.JPG (678.3 KB, 544 views)
- SS_pcb.jpg (338.5 KB, 675 views)
Comment
-
Comment

Comment