schematic
Announcement
Collapse
No announcement yet.
Announcement
Collapse
No announcement yet.
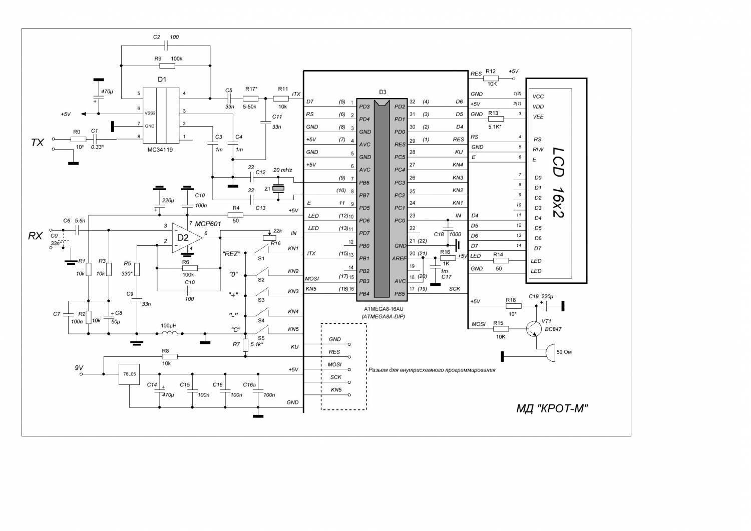
'KROT-M' (mole), new project
Collapse
X
-
all information on a site of author http://radiodom.ucoz.ru/index/selekt...ot_m_quot/0-14

video http://depositfiles.com/files/fjxclgtbx
- Likes 1
-
Some technical data (regarding author):Originally posted by kt315 View Postall information on a site of author
- IB type detector,
- working frequency selectable from 4 to 12 kHz (coil have to be tunned to selected Freq.)
- multi-tone ID
- supply 7-9V
- consumption 50mA
- discriminative
- visual display
- suggested/tested coil 20cm (CC type with RX and TX coil tunned in resonance)
- sensitivity in air test: 25mm (1") coin at 30cm (12") distance
Comment
-
Hi
Anyone here built this detector ?
The circuit Ive posted uses a MC34119, cheapest price I can find is £15.00, MCP601 is only £3.53, got everything else in stock.
Looked at a video file on the site and either it doesn't do it justice or theres instability problems and needs further work.
Would help if I could understand Russian.
RegardsAttached Files
Comment
-
It seems there is no means for measuring TX phase to use as reference. If the TX tank is anywhere near its resonance, where it's reasonably efficient to drive, shifts in its inductance due to ground conditions will shift the TX phase, regardless of fixed tx drive. Air tests would likely not reveal this?
Comment
-
-
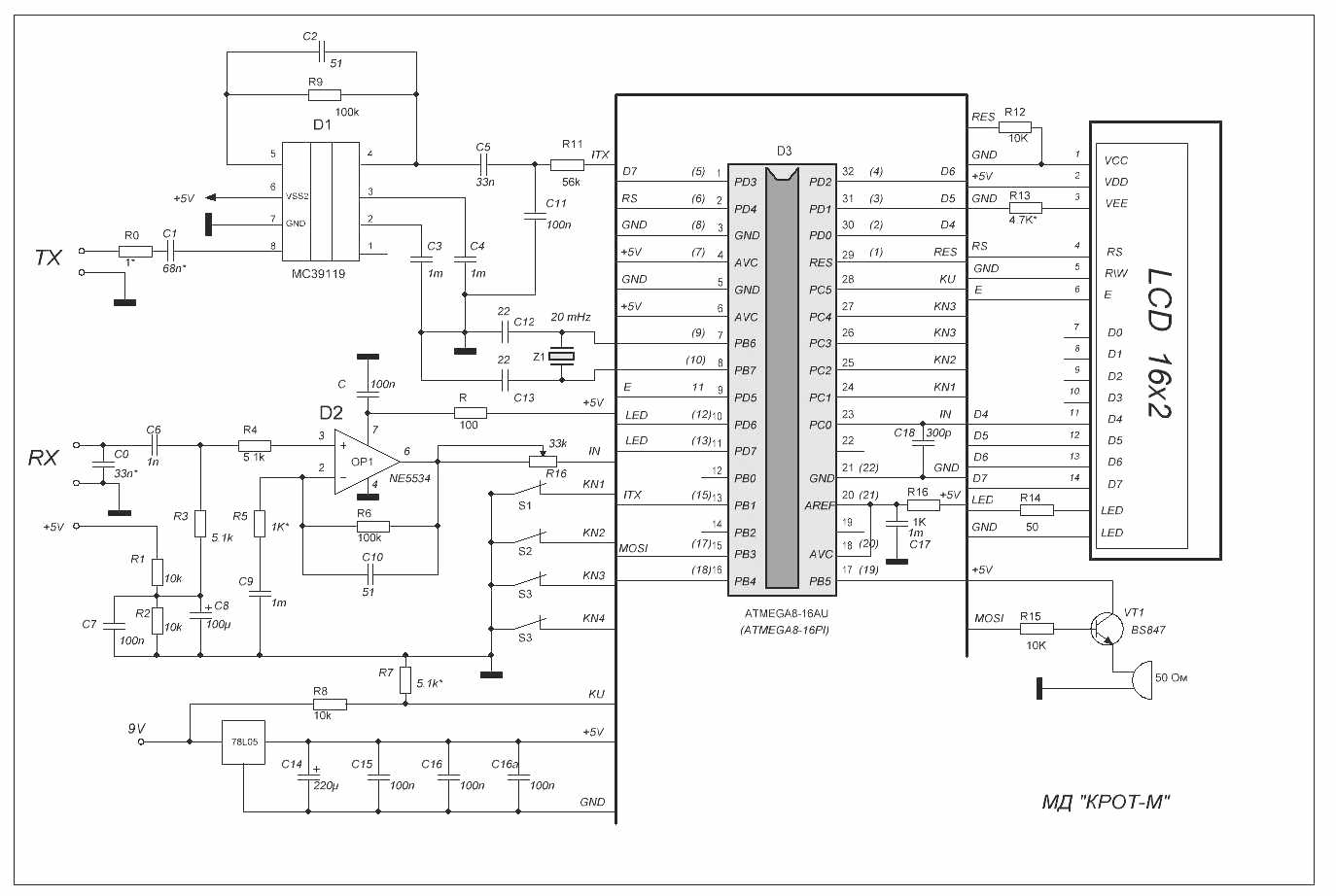
I built this scheme. It is practically the same and it does not work, I think my connections to lcd are wrong. The detector makes noise when I press a button and the LCD is illuminated 3 seconds and no letters.
pcb file upload I have used, do not hold me responsible if inoperative.
If anyone can help I would appreciate.
Pcb.pdf
Comment
-
Originally posted by Virdi_248 View Post[ATTACH]32446[/ATTACH]I built this scheme. It is practically the same and it does not work, I think my connections to lcd are wrong. The detector makes noise when I press a button and the LCD is illuminated 3 seconds and no letters.
pcb file upload I have used, do not hold me responsible if inoperative.
If anyone can help I would appreciate.
Image with connections to lcd.
Comment

Comment