Announcement

Collapse
No announcement yet.

Announcement

Collapse
No announcement yet.

Gardiner Metal Detectors

Collapse
X
 
  • Filter
  • Time
  • Show
Clear All
new posts

  • Gardiner Metal Detectors

    Were they really Deep Seekers ? Please post anything here like PCB photos , schematics , search coil information.

    Geotech member WM6 got us started on this NEW subject so here are some photos I found .

    Hard for me to believe that this Gardner "TreasureTron C" sold for $985.00 at one time !!!

    The photos below is all I could find so far including the ad for the cheap model#210 . I know Gardner has an old patent posted on this forum too , somewhere .

    Best Regards...........Eugene
    Attached Files

  • #2
    Now it is clear, after seeing your photo, it is about Gardiner not Gardner.

    Yes at those time you need to find a really big treasure to pay almost $1,000 for metal detector.

    Comment


    • #3
      I am trying to correct my big Boo Boo !! Gardiner Metal Detectors not Gardner !!

      If I can not fix the spelling , Mr. Qiaozhi [Forum Administrator] will have to make this very important spelling correction .

      Regards..........Eugene

      Comment


      • #4
        Originally posted by amtech2005 View Post
        I am trying to correct my big Boo Boo !! Gardiner Metal Detectors not Gardner !!

        If I can not fix the spelling , Mr. Qiaozhi [Forum Administrator] will have to make this very important spelling correction .

        Regards..........Eugene
        Done!

        Comment


        • #5
          Hi Eugene,

          look at bottom of your picture, small picture inserted with Ernest Clark on it. There was mentioned his Gardiner model 190A. Do you have any more info about this model?

          Comment


          • #6
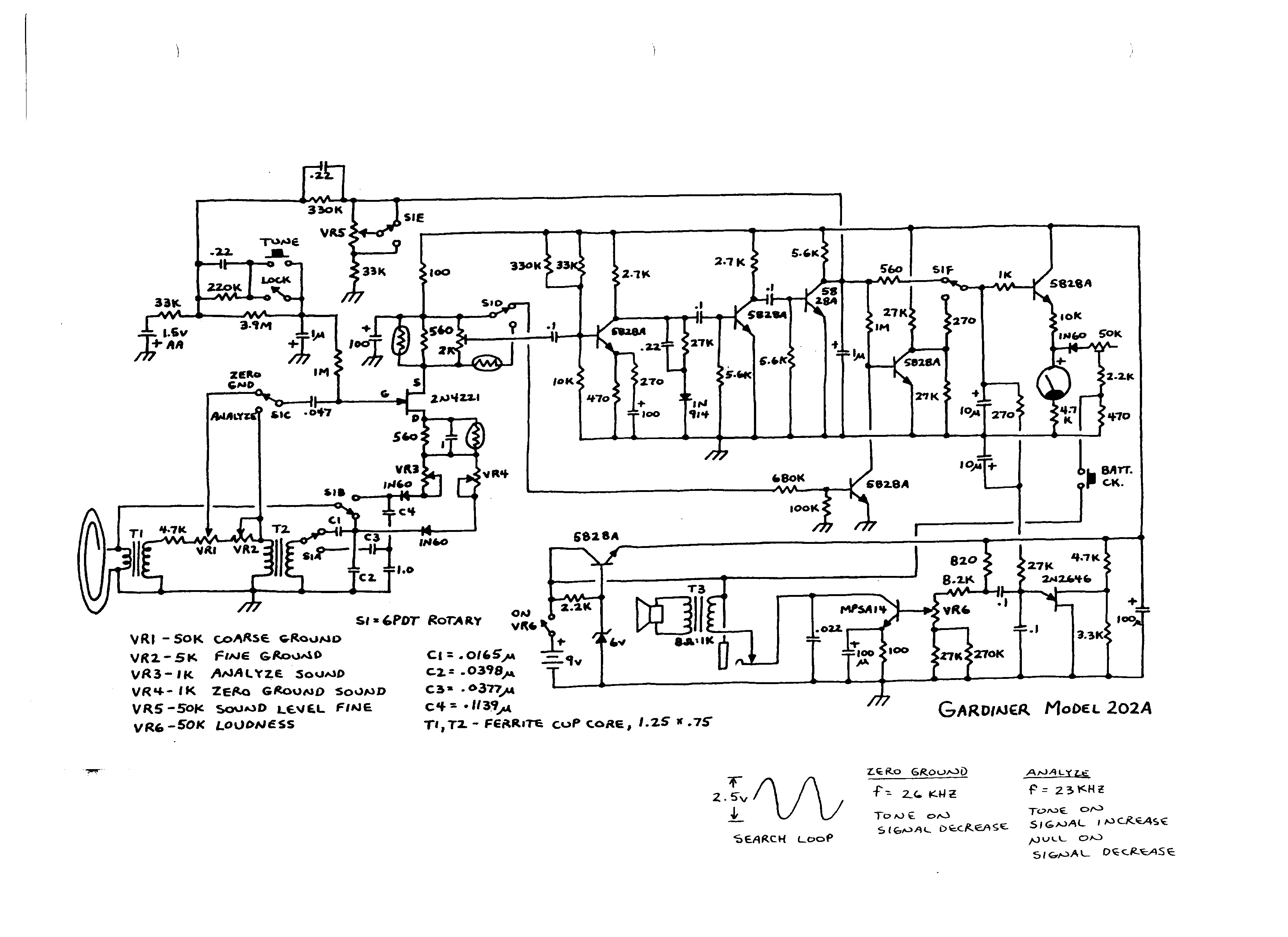
            Gardiner 202A metal detector schematic...

            Here is the model 202A schematic...
            Attached Files

            Comment


            • #7
              Originally posted by Melbeta View Post

              Here is the model 202A schematic...
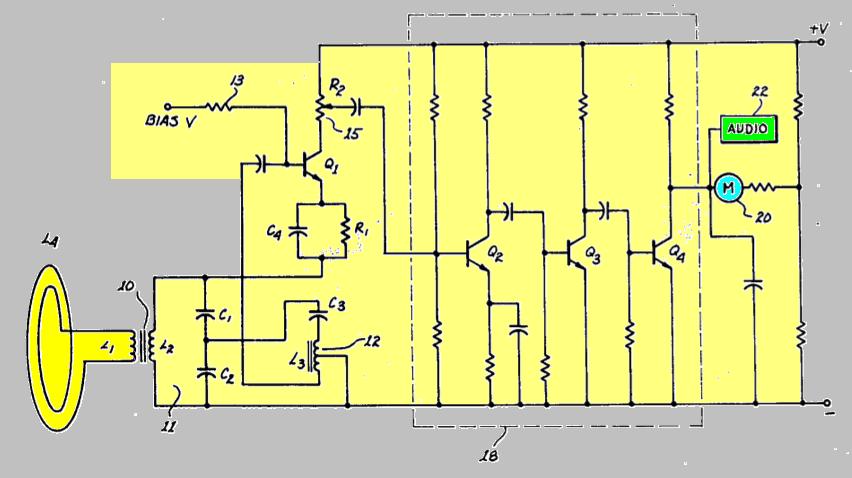
              Excellent contribution Melbeta, thank you.

              I think it is derived from this basic Byron B. Randolph (Gardiner) patent ( US 3,961,238 ):
              Attached Files

              Comment


              • #8
                Hello WM6 , Melbeta and Everyone . I just received the whole 1981 Gardiner Metal Detector Catalog by e-mail from a Great Forum member in the Netherlands . I am excited to see this again . I will try to post the important specs and photos on this forum if they can be compressed enough . Did you guys get anything in your e-mail ? Let us know .

                I wonder are these machines as good as they boast in the catalog ?

                The TreasureTron-C is powered by 18 transistors .

                Best Regards.............Eugene

                Comment


                • #9
                  Originally posted by amtech2005 View Post

                  I just received the whole 1981 Gardiner Metal Detector Catalog by e-mail from a Great Forum member in the Netherlands . I am excited to see this again .

                  Did you guys get anything in your e-mail ? Let us know .
                  Great news, Eugene.

                  I would be grateful for uncompressed version to my email [email protected] too.

                  I found some very good pictures of Gardiner model 190A, but I fear to post it here because of intellectual property (what admin say?). Anyone interested can download it from:

                  http://www.ebay.co.uk/itm/230646425284

                  If above link expired I can send those pics to interested on private email, so don't worry.

                  Comment


                  • #10
                    (what admin say?)

                    You can post the pics.

                    1981 would have been close to the end for Gardiner. I have some older catalogs, perhaps back to the late 50's. Also have 4 or 5 Gardiner detectors, including a Treasuretron C with 36" coil.

                    - Carl

                    Comment


                    • #11
                      Originally posted by Carl-NC View Post
                      (what admin say?)

                      You can post the pics.

                      1981 would have been close to the end for Gardiner. I have some older catalogs, perhaps back to the late 50's. Also have 4 or 5 Gardiner detectors, including a Treasuretron C with 36" coil.

                      - Carl
                      Thanks admin!

                      Carl, what is surplus in your interesting stock?

                      Comment


                      • #13
                        Ten and more:
                        Attached Files

                        Comment


                        • #14
                          WM6 , check your e-mail later tonight . It should be about 15 mega-byte total .

                          I am working on the Gardiner "Antique" Metal Detector Catalog in a [Zip-Folder]


                          Regards..............Eugene

                          Comment


                          • #15
                            No surplus for now. The ebay Model 190 is an early one, judging from the wooden coil. All my Gardiners have plastic coils.

                            Comment

                            Working...
                            X