Harold Weber
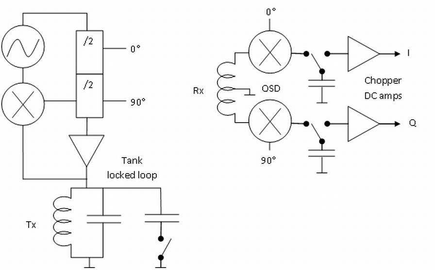
Here is a more sensitive detector invented by Harold Weber:
Here is a more sensitive detector invented by Harold Weber:
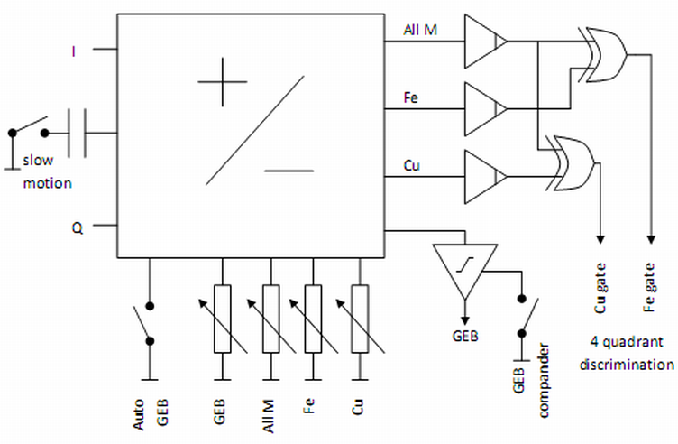
Residual disbalance signal on the RX coil , being converted to DC , is blocked by C6 and C7 and can't overload your amplifier , isn't it ? But motion signals can go further to the chopper .... it's interesting . IMHO very good solution !

Comment