Hello all.
I am struggling to understand a basic element in this design.
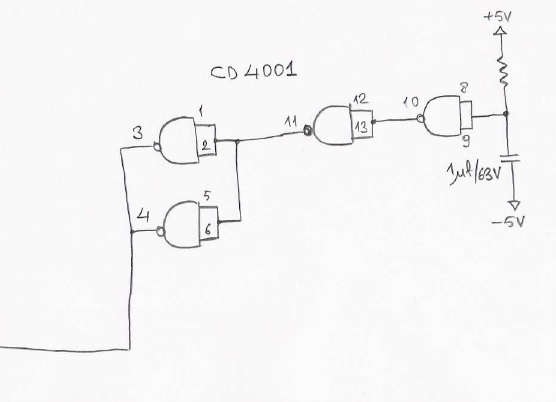
I was looking at the schematic for the Goldscan 5 posted here . Click the "here" to take you to the posted pdf schematic. On page 2 you can see the configuration of the CD4001. It seems to feed in after the comparator amp.

Is it supplying a pulse to the circuit ? Does it also have influence on the feedback of the channel B LT114 ?
I am struggling to understand a basic element in this design.
I was looking at the schematic for the Goldscan 5 posted here . Click the "here" to take you to the posted pdf schematic. On page 2 you can see the configuration of the CD4001. It seems to feed in after the comparator amp.
Is it supplying a pulse to the circuit ? Does it also have influence on the feedback of the channel B LT114 ?


while original bara schematic HAS a reset of SAT, surf pi HAS tuning SAT part , but in the schematic with mods. why people are so blind it is mistery...
Comment