Disregard that data above. I had 2 coils on my bench and used the wrong leads
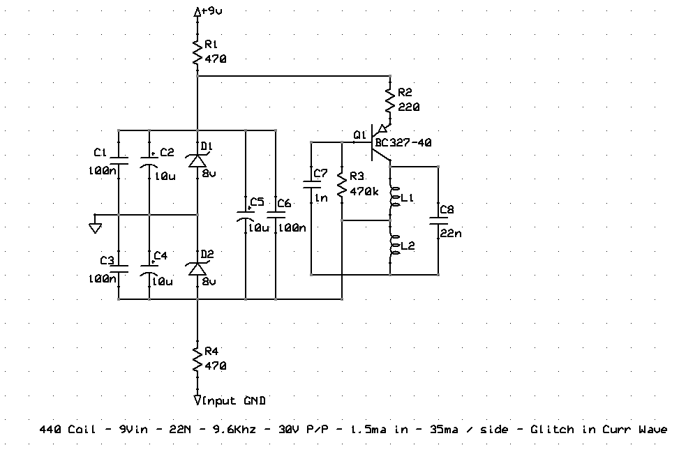
after changing over to the pnp's. Now putting the 440 coil on it gives dismal results.
The 12.6 mh has too much resistance to get any power going without higher voltages.
Maybe make a doubler?
after changing over to the pnp's. Now putting the 440 coil on it gives dismal results.
The 12.6 mh has too much resistance to get any power going without higher voltages.
Maybe make a doubler?

Comment