An aspect of PI design has been stuck in the same place since 70's. I'm talking about the series R-D combination for probing the decay signal at the coil.
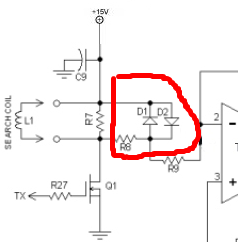
Examples:





This design suffers from many drawbacks:
- the R-D acts as a delay line because of the diode's capacitance, this adds several usec. to the earliest possible sampling time.
- the damping resistor is lower than it should be because it's in parallel with R during most of the transient (when D is conducting). This adds further usec. to the decay (and sampling) time.
As a result, sensitivity and signal/noise is horrible.
The use of this deficient solution to this day shows the lack of commitment by competent designers to PI technology. Where are all the brains?
Examples:
This design suffers from many drawbacks:
- the R-D acts as a delay line because of the diode's capacitance, this adds several usec. to the earliest possible sampling time.
- the damping resistor is lower than it should be because it's in parallel with R during most of the transient (when D is conducting). This adds further usec. to the decay (and sampling) time.
As a result, sensitivity and signal/noise is horrible.
The use of this deficient solution to this day shows the lack of commitment by competent designers to PI technology. Where are all the brains?

Comment