Now I continue. I have forgotten to give the parameters I have used : L : 300 uH, C : 250 pF and Rs : 0.3. That are the values I have measured on a 11" Minelab coil I have purchased on eBay. The current at Tx off is about 1.5 A.
Usually, to limit the voltage at the preamp input, it is necessary to add a resistor and diodes like that :

The same but with the inductance :

With these components there is a decay time increase as seen on the following images :


Now we have 6.0 us without inductance and 4.4 us with inductance. Once again, the damping resistor is optimized to get the shortest decay time.
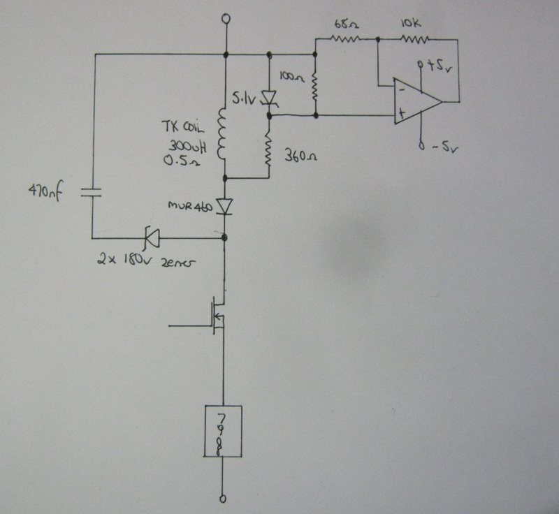
So I had the idea to add diodes serially with the damping resistor instead to have R + D in parallel with the damping resistor. Here is the result :


There is a 22 ohms resistor in parallel with the diodes to prevent oscillations. The related waveforms are the following :


Now we have 4.3 us without inductance and 3.5 us with inductance. Not so bad isn't it ?
The result is a very short time and an output low impedance very good to enter a low noise amplifier.
What do you think about these ideas ?
Next time, I will present you my ideas for the Rx part !
Usually, to limit the voltage at the preamp input, it is necessary to add a resistor and diodes like that :
The same but with the inductance :
With these components there is a decay time increase as seen on the following images :
Now we have 6.0 us without inductance and 4.4 us with inductance. Once again, the damping resistor is optimized to get the shortest decay time.
So I had the idea to add diodes serially with the damping resistor instead to have R + D in parallel with the damping resistor. Here is the result :
There is a 22 ohms resistor in parallel with the diodes to prevent oscillations. The related waveforms are the following :
Now we have 4.3 us without inductance and 3.5 us with inductance. Not so bad isn't it ?
The result is a very short time and an output low impedance very good to enter a low noise amplifier.
What do you think about these ideas ?
Next time, I will present you my ideas for the Rx part !

Comment