The could only get hot if they are soldered in wrong direktion.
Announcement
Collapse
No announcement yet.
Announcement
Collapse
No announcement yet.
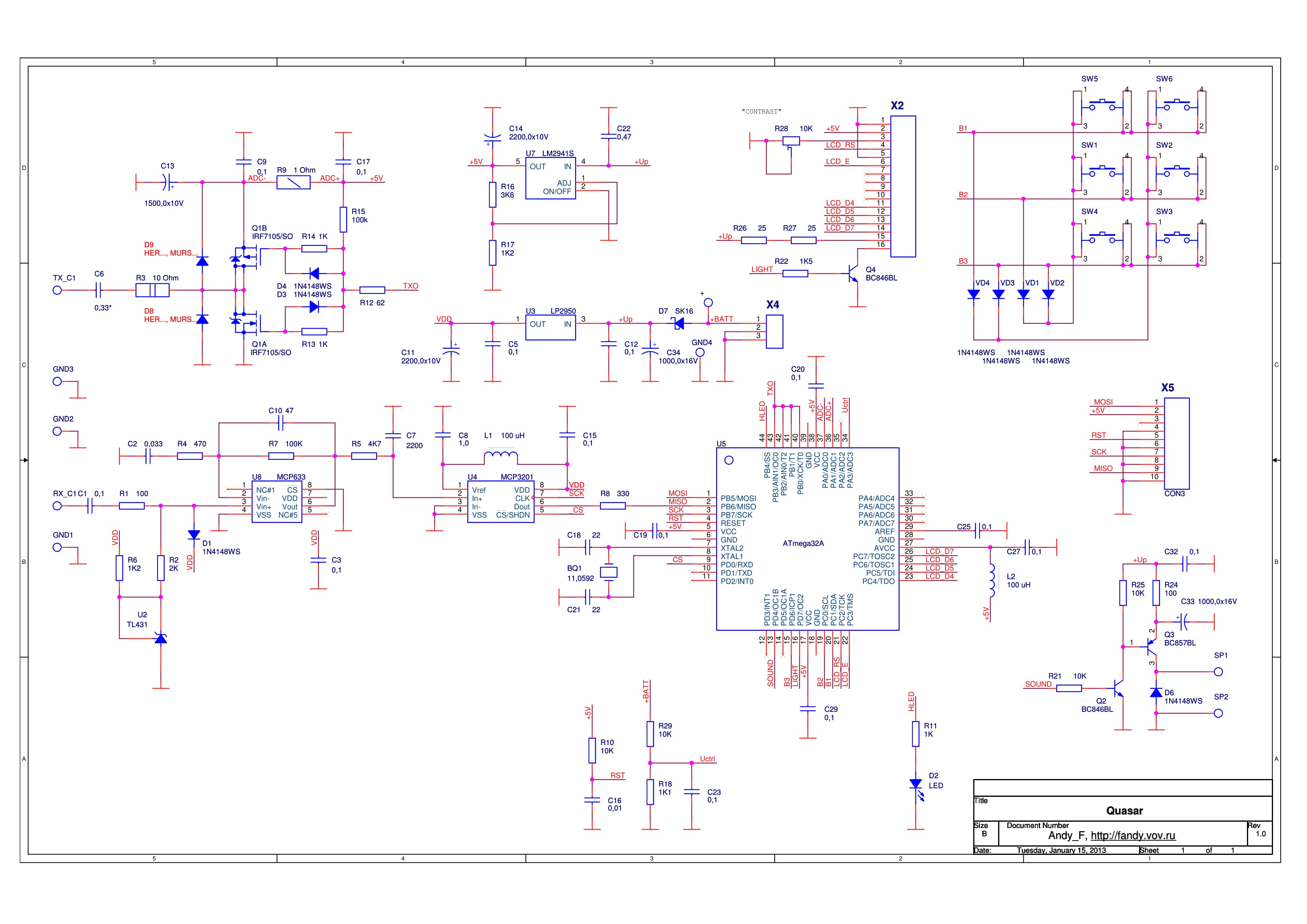
QUASAR AVR SMD version build
Collapse
X
-
Hi! Do not waste time and money on the construction of this device. Much better device FORTUNE 2M. Here all the information - http://alltech.at.ua/forum/3-135-1
Comment
-
Without resistors, the hexfet is not driven and the tx on coil is null.
With the resistors, the irf7105 and the two diodes becomes very hot and the supply fail (too much current).
On the tiny version, they are no such resistors. I realy don't understaand .
I have a nice TX0 signal from mcu and the wiring is good
Comment
-
-
@reptooyep,
i dont nothing about a tiny version, i have only the schematic from the original Quasar AVR. You wrote that the diodes gets hot, I think you talking about the MUR diodes on the output of the IRF.
Are you shure that the IRF and the diodes are ok? Whithout a coil there is no way for current to flow through the diodes. Is it possible that a diode is build in with a wrong direction (Anode<>Katode)?
Comment


Comment