More pics of the Nautilus 2b
Announcement
Collapse
No announcement yet.
Announcement
Collapse
No announcement yet.
Nautilus revisited
Collapse
X
-
Interesting. My wife worked on a VPN system with her company. But my problem is predicated by a connection problem. My only connection so far is through an old telephone line, which the telephone company admitted to me that the line has bandwidth problems. In some areas they are putting in newer lines, some are by the telephone company, and some are by other companies. So I have to wait. The second problem is we only have three houses on our line. The first two sit outside the forest area, so they have wireless into the air. I tried getting wireless, but the trees and weather just scatter the signals, which they called pixelating.
Not sure how putting a VPN between my dial up modem and the telephone company line, using AOL would work. Any answers?
Melbeta
Comment
-
From what I figured out it was when the coil was returned to Nautilus for service work. They always wrote inside what they did in order to get it working again. The writing is too faint for my eyes to figure out. There was 45 photos posted on a Russian website, which I found one day, but most of the photos were not that clean. One of the photos you posted was one of the photos from that Russian website, which was the photo of the switch with red coating on it and a mumble jumble of wires. It was one of the rare Russian websites that I was able to access.Originally posted by dbanner View PostMembers, thanks for pic of coil, I did not have this one. Can you make out what is written on inside of coil? Also, thanks for posting null circuit, it matches the one I reversed draw from pics.
Melbeta
Comment
-
Its easy to use , you just download a small program to use the VPN, should not be a problem as it uses your internet connection after you log on , all AOL will see is data being used.Not sure how putting a VPN between my dial up modem and the telephone company line, using AOL would work. Any answers?
Comment
-
with mine very poor english i was been able to do albums and put pics. so it is not hard for you to do that in my opinion.Originally posted by Melbeta View PostPhotos that one INSERTS into the post, are smaller in size. One that one ATTACHES as an attachment, where one can download the attachment, are the same size as the original attachment. This is my expeience...
Melbeta
Comment
-
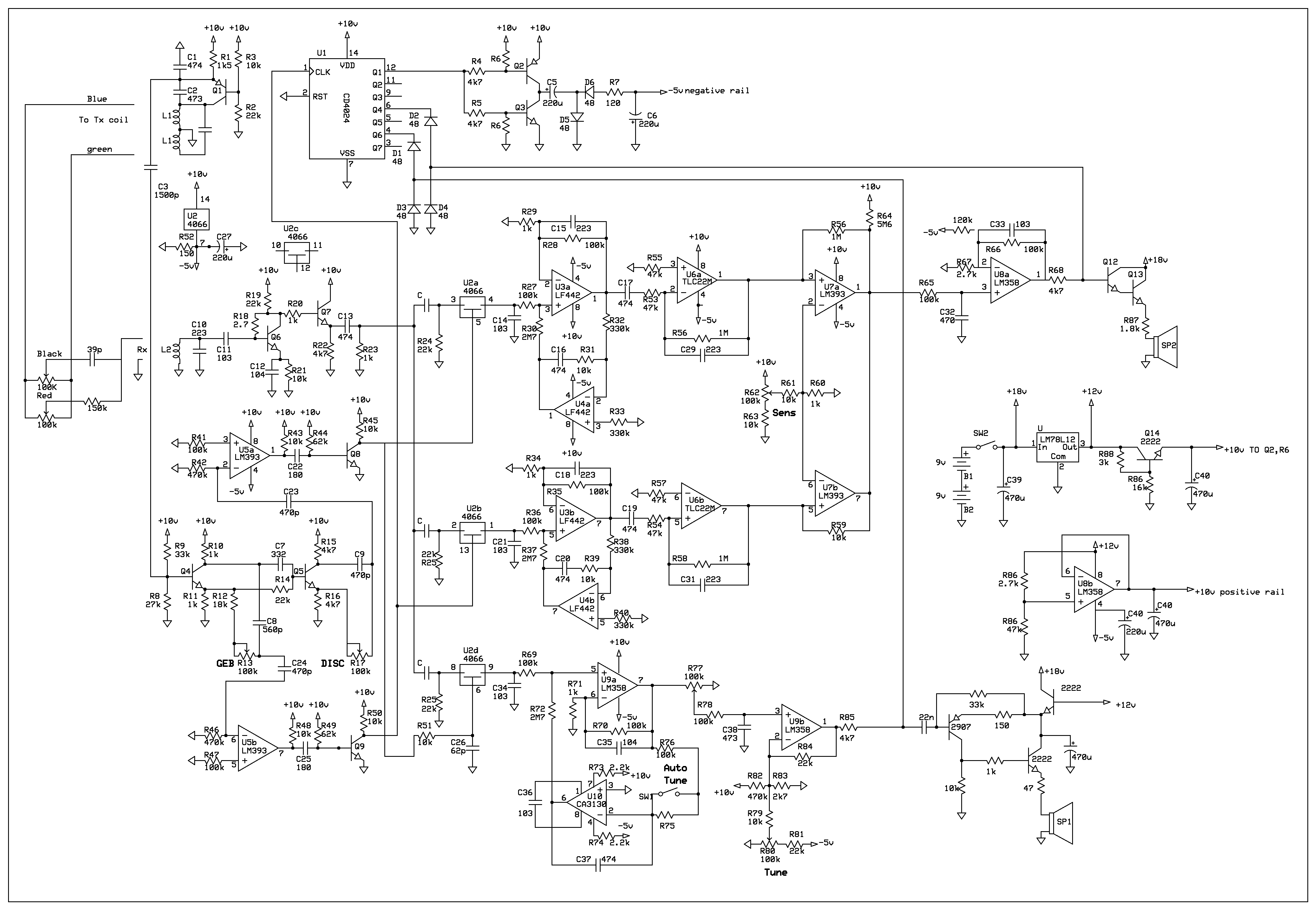
Schematic DMC-2b. The differences are:
The 4024 clock pin 1 connected to different part of circuit.
The audio driver circuit for SP1 is different.
Coupling caps added to inputs of 4066 switches, 22k resistors connected to ground.
TlC22m and 442 replaces 2 LM358 chips.
Few component values are different, still need to change them to new values.
The nulling circuit.Attached Files
Comment
-
There appears to be two seperate +10V rails, it would be sensible to name the differently, it's not obvious which is which.
It's not the most energy efficient design, is it? 18 Volts, linearly regulated down to 10 Volts. [ it's similar to the Fisher F2 / F4, actually ]
Do you think the purpose of R52 is to load the -5V rail, to make it closer to -5 Volts, as without it, it would be nearer to -8 Volts ( 10 volts less two diode drops, roughly)
Comment
-
Actually, the positive rail is 11 volts on this setup simulation in LTspice.
Also the speaker 1 circuit shows pulses with low duty cycle no doubt to save on battery drain. This is the channel that is low continuous hum threshold, so that makes sense to me.
I still need to do some work on schema to correct some component labels etc, but the essence is clear for all to see. No big surprise here.
Now that's a handsome looking machine.Attached Files
Comment
-
Yes, the negative rail would be closer to - 8volts. ButOriginally posted by Skippy View PostThere appears to be two seperate +10V rails, it would be sensible to name the differently, it's not obvious which is which.
It's not the most energy efficient design, is it? 18 Volts, linearly regulated down to 10 Volts. [ it's similar to the Fisher F2 / F4, actually ]
Do you think the purpose of R52 is to load the -5V rail, to make it closer to -5 Volts, as without it, it would be nearer to -8 Volts ( 10 volts less two diode drops, roughly)
that's how the actual circuit is copied from pcb, so maybe it's correct. I just assumed that it was negative 5 volts because the dmc2 schematic was this voltage.
I wasn't really paying attention to this.
Also, there is no 150R resistor(R52), this is leftover from dmc2 schematic. Pin 7 of 4066 connected to ground on the 2b.
Will have to update the schematic.
Comment
-
you see just two tone. i see advantages: 1/ first try of use preamp in coil. whites, garrett, tesoro, first texas-fisher still do not want use this trick. but only minelab does. i well know this tipo of transistor preamp, plus the emitter follower. thats really superior was for that time 2/ 52V p-p on TX.Originally posted by Altra View PostI have not seen a full schematic of the 2b. The DMC2 had a unique two tone audio. In one ear you would hear the disc channel and in the other the all metal channel. The tones came from the 4024 divider.
in general it is tesoro schematic but with some three 'mods'. want to say every guy with TGSL may moded the schematic to Nautilus but TGSL does not have all-metal part )))
also look DFB post http://www.geotech1.com/forums/showt...2244-Aquasound
Comment


Comment