Announcement
Collapse
No announcement yet.
Announcement
Collapse
No announcement yet.
2 tone ID update release.
Collapse
X
-
hi all,
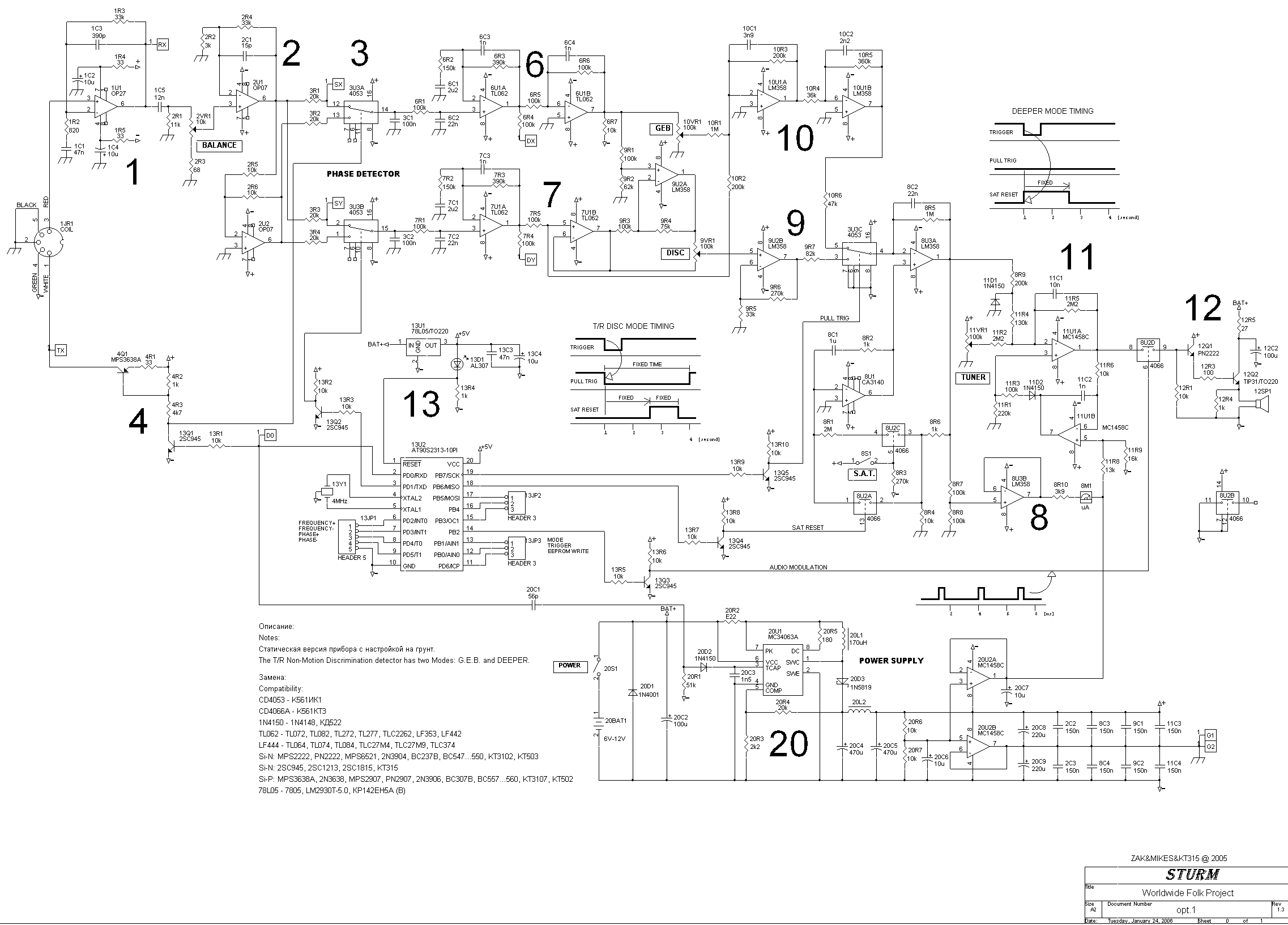
new conception, old idea. I did take a part from very famous schematic and added a part on AVR. it is same static GEB disc. mode, you can see this in TM-808 also. all vantages are now. you do not need in the specific quartz.
respectfullyAttached Files
-
HI KT315!
you write:
You have soft for micrrokontroler 2313 for project STURM?
Programator for project is ICP? (Pin 11 - 2313).
Regards
(deleted for privacy)
1. STURM is a clearly part of Whites 6000 DI PRO. but more universal
because you may use coil from Tesoro, Fisher etc. and will get
static mode of 6000 DI PRO.
2. a soft you can take from Iwan's K. project http://sevzirfo.narod.ru/md.htm
Classic MOD ver 0.3. (same development of Whites Classic schematic).
3. there is yet not a block in the programm for SAT control - I hope
anyone can be able to add this without problem. I did a diagramm on schematic how it must working in my appreciation, but some time references maybe changed and probably has need in adjustment.
4. frequency and phase are tuning by one time. these are not operative tuning.
4. programmator is any. I have an access to the brand, at my work, so
I do not need in it.
--
all the best
Comment
-
up date
I did some small changes of the schematic.Attached Files
Comment
-
HI KT315!
It’s a may modyfication block Signal Balance. All see for drawing.
That schema Signal balance beautiful works in motion detector.
I have modyfication Classic III, ther’s one sensitivity – signal balance.
Regards
EDIKAttached Files
Comment
-
-
'Sturm' schematic was updated. still not tested. PCB layout will be ready in the week.
Comment
-
aft,
God sees I would not like give what is nothing now. schematic is simple and based on F-1266 one. I use Whites coil, 6,59 kHz. RX driver stage is a bridge but you can use any driver there. I has met many criticism on it.
hhAttached Files
Comment
-
Comment
-
Hi KT315Originally posted by kt315 View Post'Sturm' schematic was updated. still not tested. PCB layout will be ready in the week.
please say me about STURM circuit.
In circuit, it uses atmel micro.
What is name of software that you draw PCB? May be sprit layout
Please upload or send Me PCB file.
My email : [email protected]
Best regards.
Comment
-
Interesting, be on your good job.Originally posted by kt315 View Postaft,
God sees I would not like give what is nothing now. schematic is simple and based on F-1266 one. I use Whites coil, 6,59 kHz. RX driver stage is a bridge but you can use any driver there. I has met many criticism on it.
hh
Best regards.
Comment

Comment