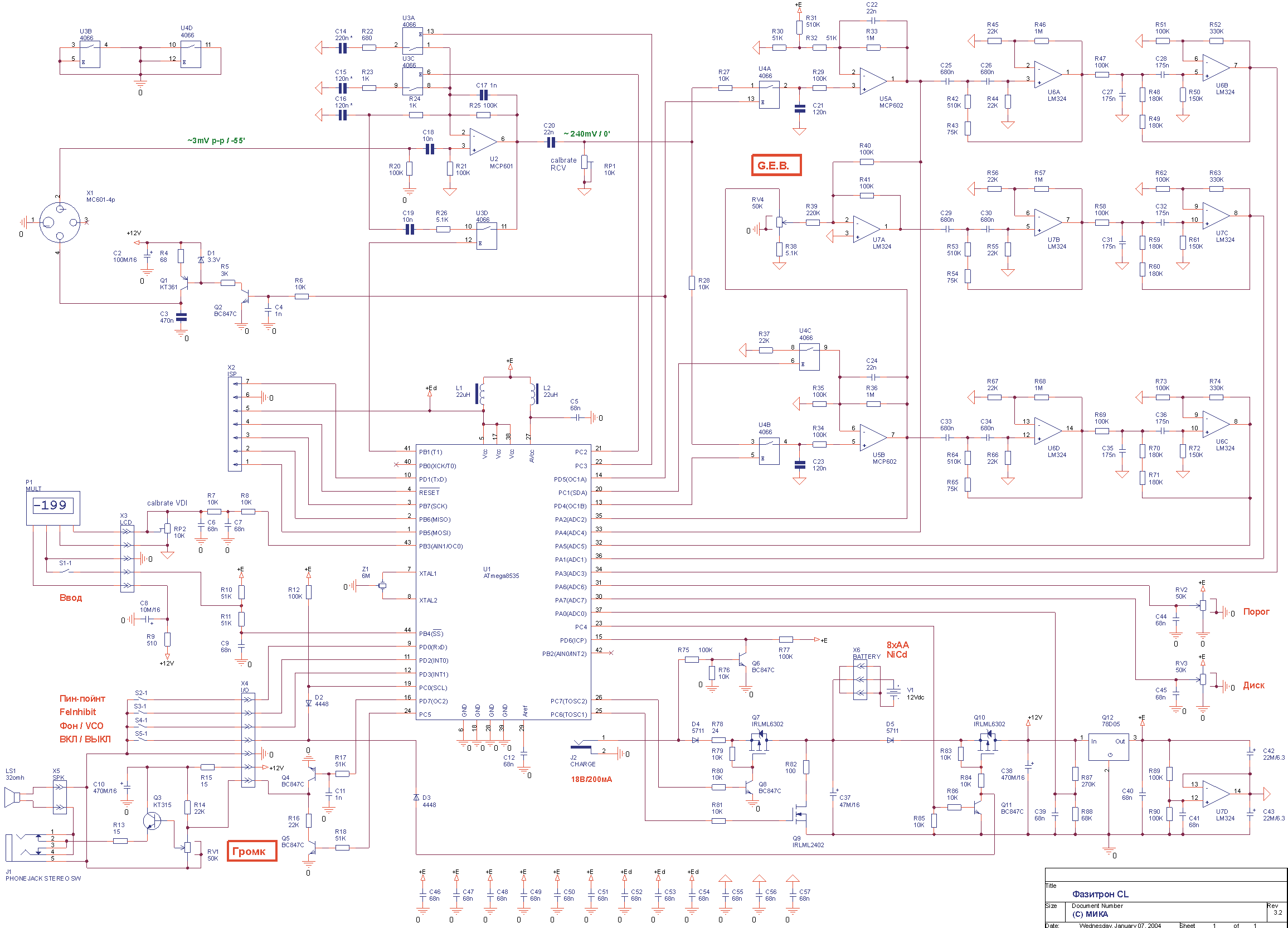
have you see this schematic? it is Mikado.
Announcement
Collapse
No announcement yet.
Announcement
Collapse
No announcement yet.
2 tone ID update release.
Collapse
X
-
Hi KT315Originally posted by aft_72005 View PostHi KT315
please say me about STURM circuit.
In circuit, it uses atmel micro.
What is name of software that you draw PCB? May be sprint layout
Please upload or send Me PCB file.
My email : [email protected]
Best regards.
??????

Comment

Comment