All the micros I use now have motor control HSPWM modules. These work very well for vco audio. I'll try an h-bridge.
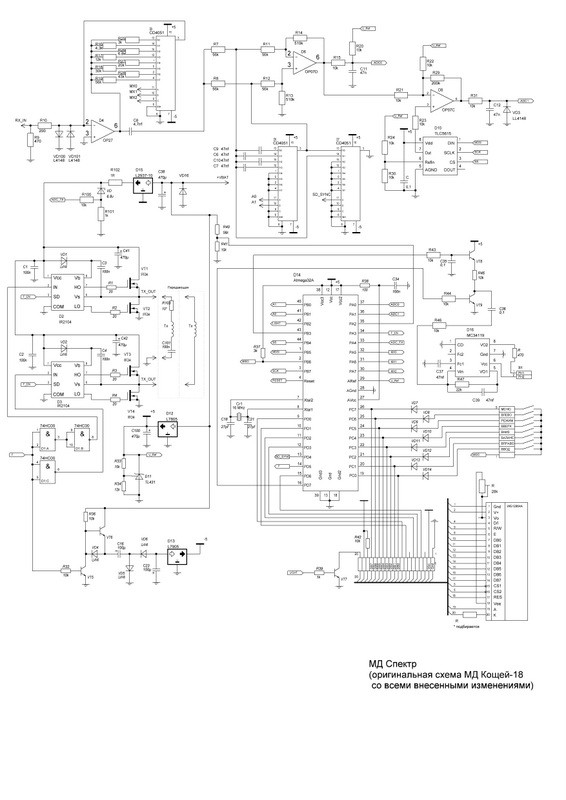
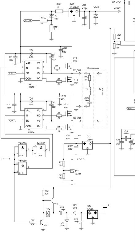
Found this file on my hard drive. Don't remember the source. It has a nice h-bridge for cw. These mosfet driver IC's (IR2104) will not work on PI because of the isolation diode going to coil on the highside n-fet. The bootstap circuit in the driver needs to be connected to the source and load. If anyone knows a way to make it work ?
Found this file on my hard drive. Don't remember the source. It has a nice h-bridge for cw. These mosfet driver IC's (IR2104) will not work on PI because of the isolation diode going to coil on the highside n-fet. The bootstap circuit in the driver needs to be connected to the source and load. If anyone knows a way to make it work ?

Comment