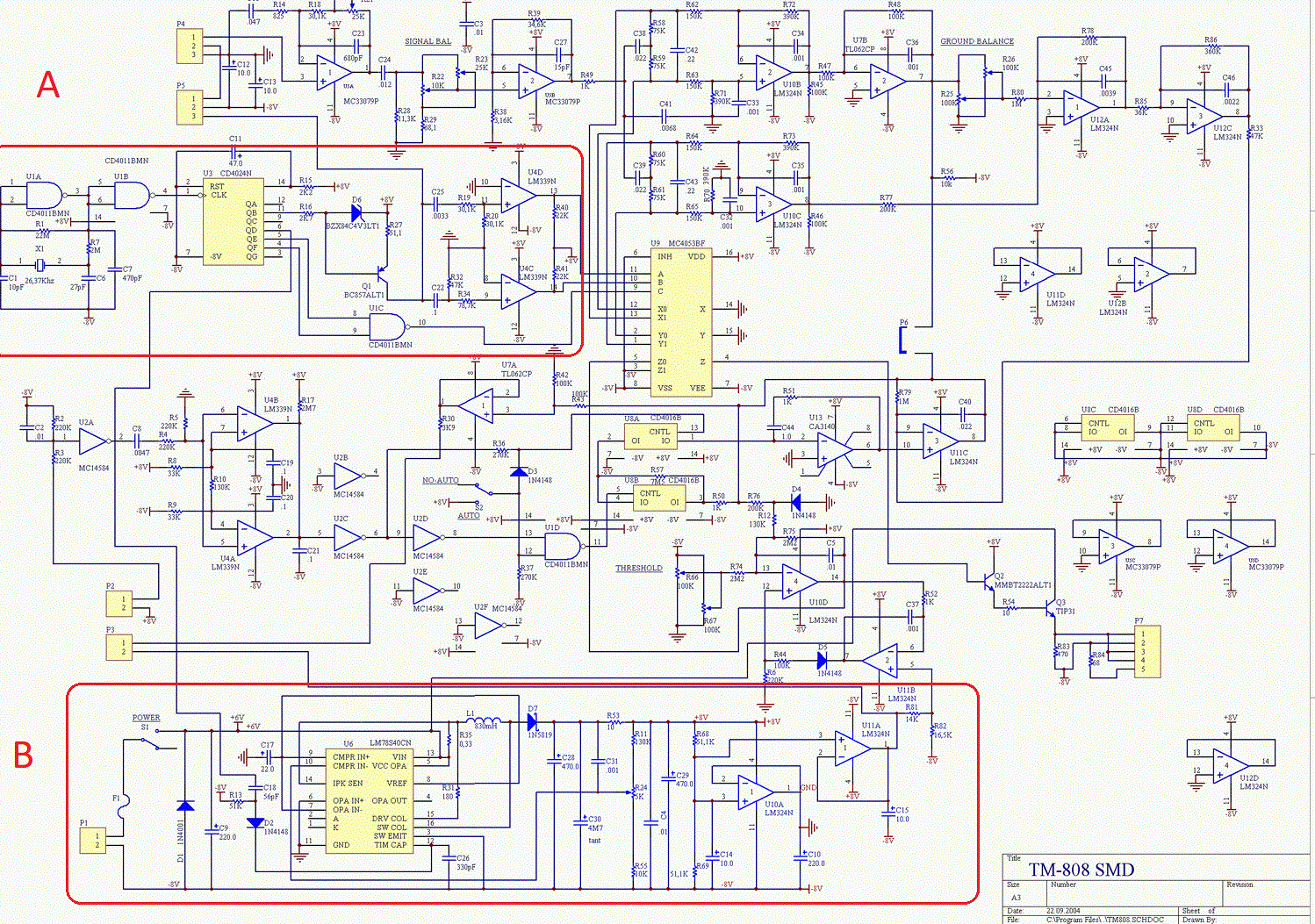
A can be replaced by stm32f103, B by 3x18650 battery.
Announcement
Collapse
No announcement yet.
Announcement
Collapse
No announcement yet.
TM 808 White's
Collapse
X
-
You need to minimize this to millivolts , using aragment as on post #195, that is channel 1 oscilloscope to channel 2 connect testing coil and switch oscilloscope to XY mode, you should see respond to a can of coca cola from about 1 m away.Originally posted by berreizeta View Post
Comment
-
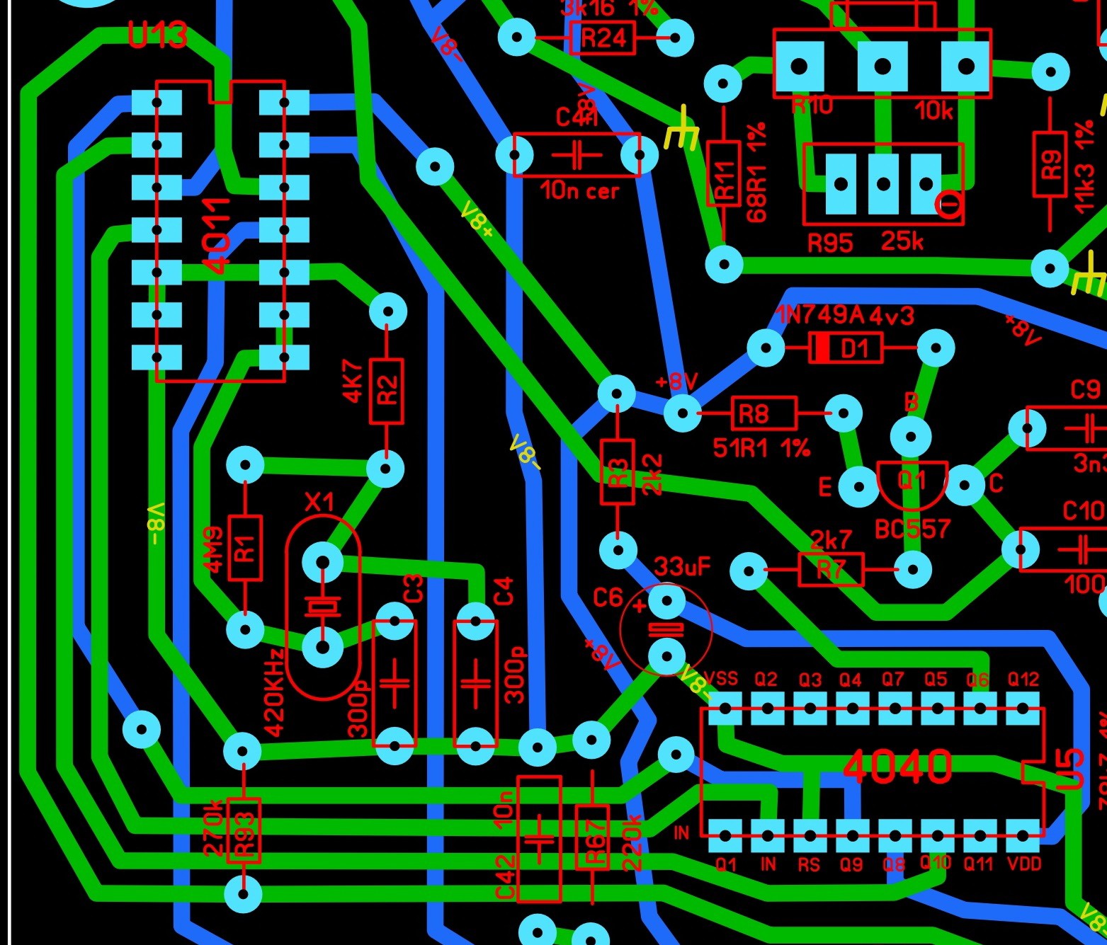
TIP331 is powered directly from batteries to separate it from rest of circuit, I believed that connector P7 is for speaker - it is very strange design.Originally posted by berreizeta View Post
Comment
-
Sensitivity is very low, that can be to low transmitter power, or Rx not in rezonanse. Put Rx and Tx 10m or 5m apart, adjust for max voltage on RX , at 10m you need about 10 mV.Originally posted by berreizeta View Post
Maybe there is someone who have access to TM808 an can measure emitted power of Tx for comparison ?
Comment

Comment