Announcement
Collapse
No announcement yet.
Announcement
Collapse
No announcement yet.
Tracker IV Tx circuit
Collapse
X
-
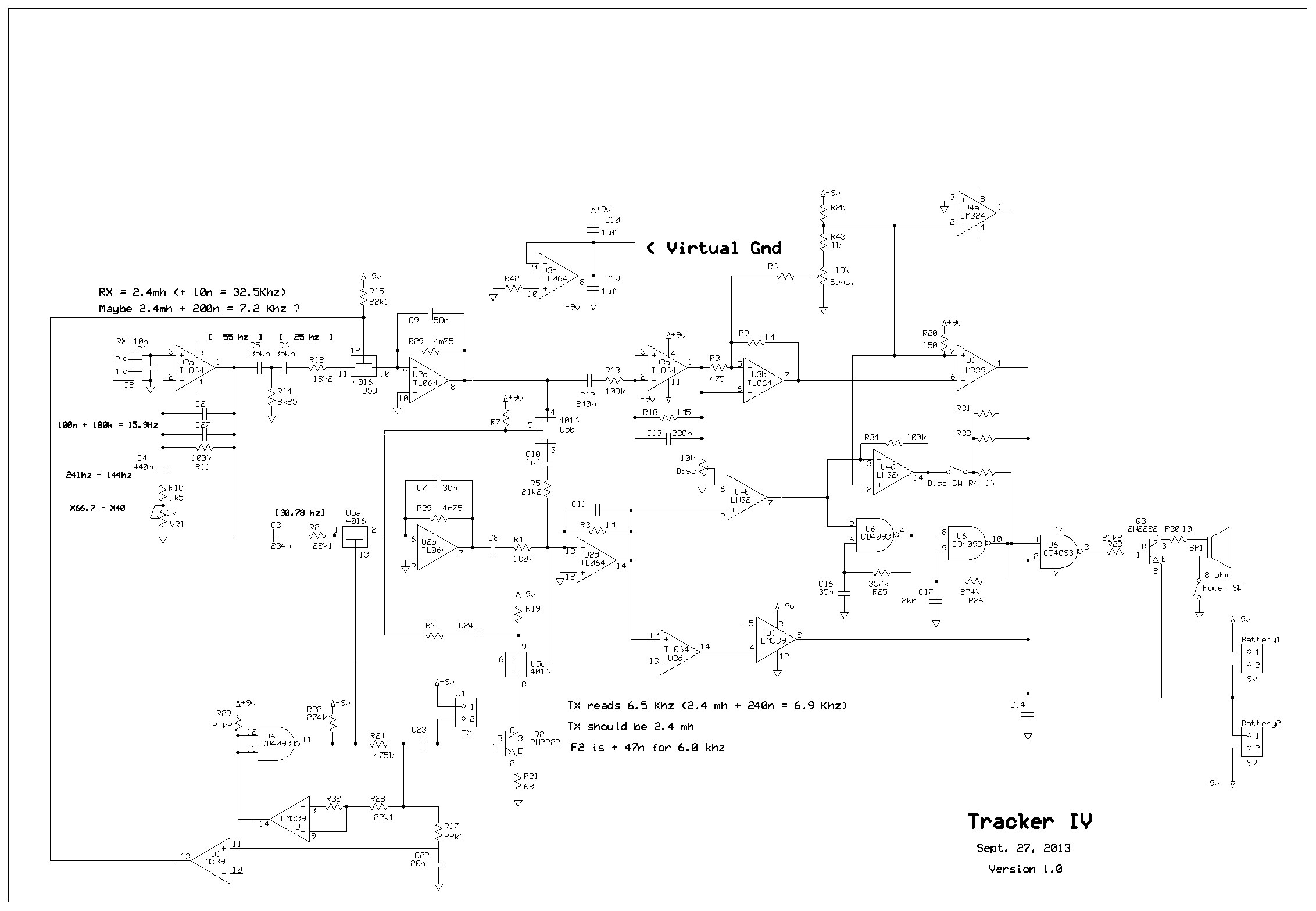
I compared the scheme with the PCB and whoever traced it did a very good job, except for the Tx circuit, everything else is correct. But it is not complete. The second half of the disc/all met/tone switch is missing from the scheme but that is easy to draw in. And the low battery circuit is omitted, no big deal.Originally posted by kt315 View Postfirst and main rule. never do not trust aliens' schematics. do your own. your mistakes will be just your.
Comment
-
Here is a top and bottom of the pcb
Comment
-
I agree.Originally posted by Skippy View PostIt appears to me that what is shown on the schematic as Base / 1 is the Collector; Collector / 3 is the Base; the Emitter to 68R looks correct. Transistor is shown correctly as npn type.
I redraw the main circuit, here it is. I will complete it with the corrections.
I also observed many similar designs which achieved decent detection depth- Harbor freight 9 function metal detector, for example. There was also the tracker II in the old style box which is essentially the same circuit but which was said to perform much better in terms of depth. I just wonder what is kneecapping the Tracker IV, are there some "magic" simple mods to improve performance.
Comment
-
The capacitor values in the filter stages bother me.Originally posted by Altra View PostDBanner, I have a complete pcb if you need me to check anything, Agree with Skippy, the base and collector reversed
I'm redrawing the Tx circuit along with the phase comparators. I want to simulate this section just to see what it's doing. It looks strange, but except for the incorrect transistor orientation, the rest of the circuit checks out(matches what's on the PCB.
Comment
-
-
The thru-hole and SMT schematics are absolutely identical. The one shown has SMT 1% resistor values.Originally posted by kt315 View Postthere are two version of BH4 - thru hole board and SMD board. do you sure know the sch is for? i am not.
Definitely.Originally posted by Altra View PostAgree with Skippy, the base and collector reversed
Looks like it. Corrected/missing values are:Originally posted by Skippy View PostBizarre capacitor values, for one. I wonder if someone measured them in-circuit ?
C4,C13 10n C2,C27 120p C3,C5,C6,C8,C12 220n C7,C9 3.9n C11,C16,C22 22n C14 470n C17 6.8n C20,C21,C23,C19,C26 100n C24 1u
Also, U3-pin6 connects to U3-pin2, not pin1.
Originally posted by dbanner View PostThere was also the tracker II in the old style box which is essentially the same circuit but which was said to perform much better in terms of depth. I just wonder what is kneecapping the Tracker IV, are there some "magic" simple mods to improve performance.
The Tracker 2 is identical to the Tracker 4 except that the speaker driver has a 2-transistor gain stage which might give it the perception of more sensitivity.
Comment
-
My pcb is no longer functional
see attached cap values - measured off pcb
Also J5 and J2 go to the analog meter
Add: Thanks Carl
Attached Files
Comment

Comment