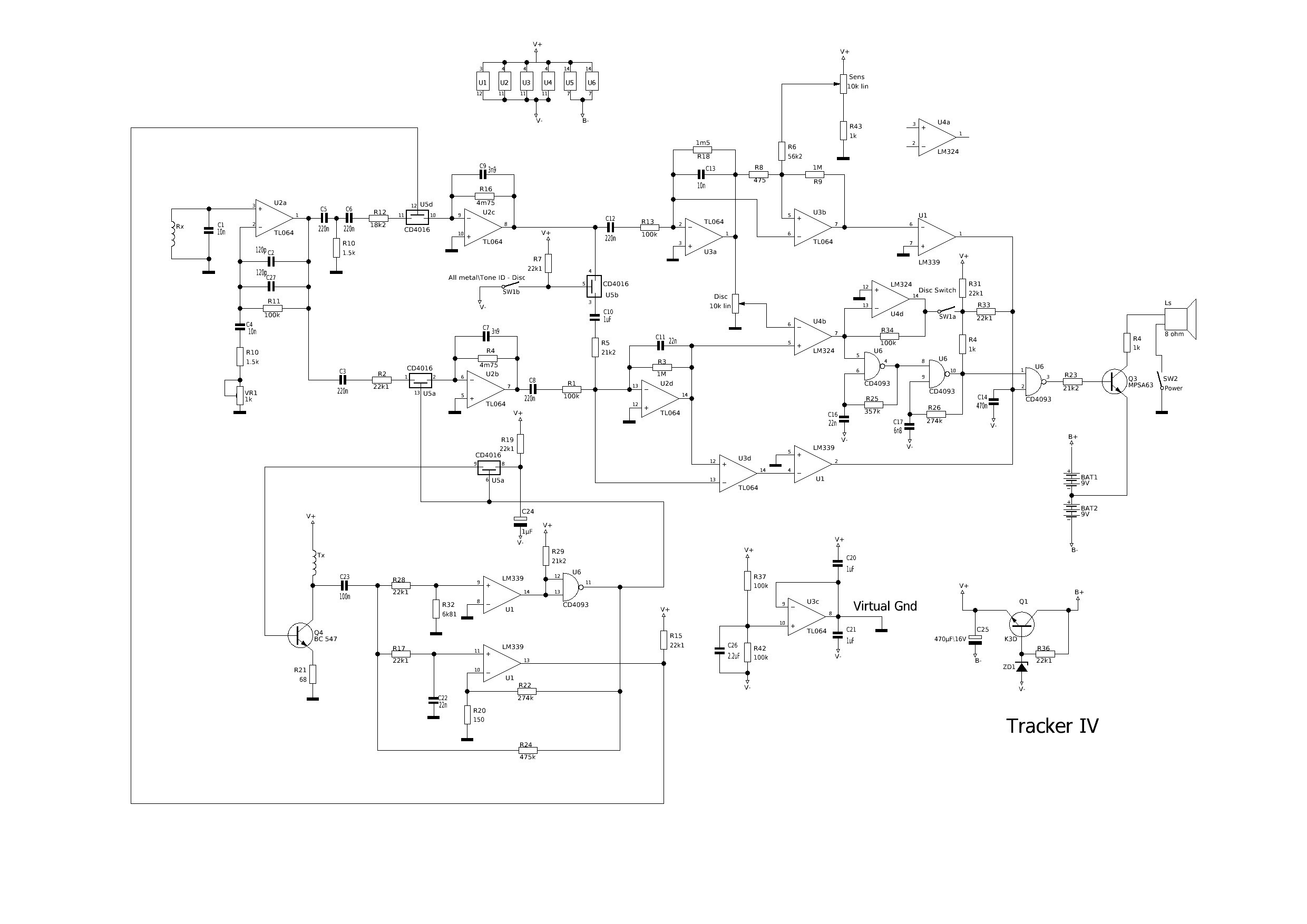
Well, this is what I've drawn. I'll update and complete the component values, thanks to all.
I can't see how that circuit is supposed to oscillate, unless there are caps in the search coil assembly, even so, how do you get to a colpitts from what is on the PCB? Components are missing no doubt, but where.
I can't see how that circuit is supposed to oscillate, unless there are caps in the search coil assembly, even so, how do you get to a colpitts from what is on the PCB? Components are missing no doubt, but where.

Comment