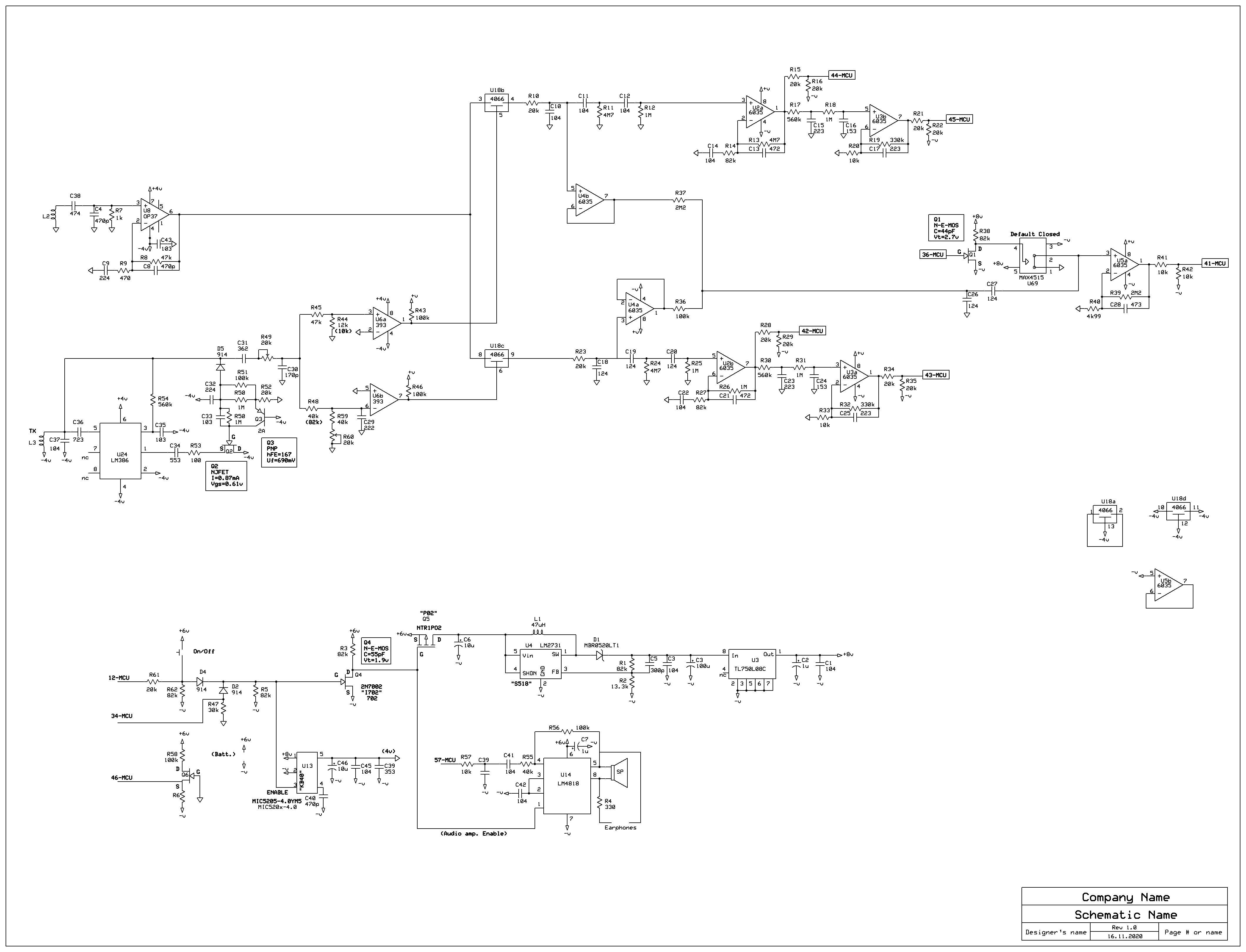
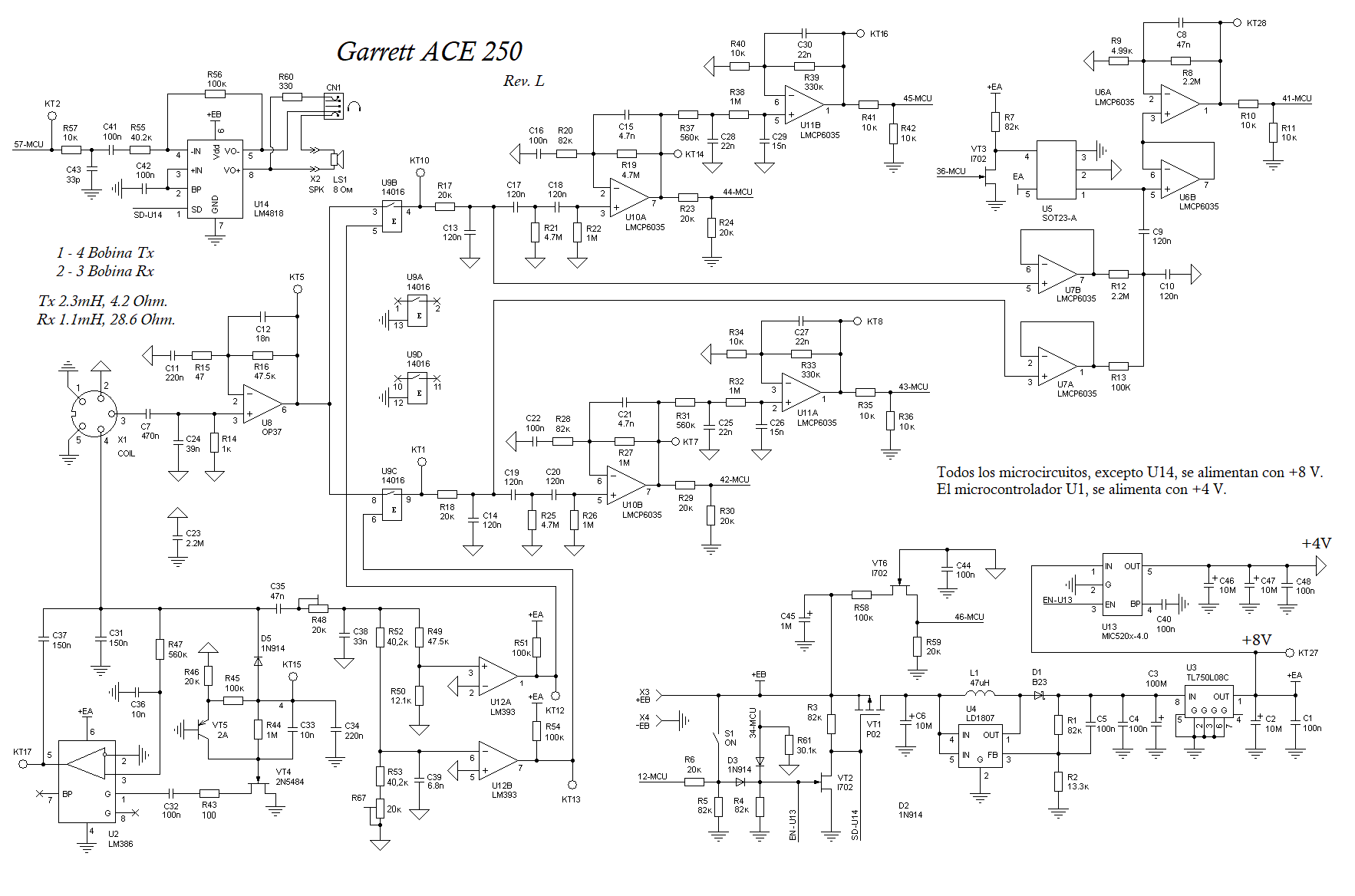
I picked up a non-working ACE 250 very cheap a couple of weeks ago. It had multiple issues - bad solder joint on the coil connector and caps C38 and C39 on the attached schematic were bad. C38 measured 100pf or so and C38 about 2.3nf. I replaced the caps with the values in the schematic and after that the signals that control the analog switches looked much closer to what I expected. TX signal is a clean sinewave 8Vpp 6650hz which seems correct. The differentiator and integrator signals from the opamps seem reasonable - slow blips as you sweep metal thru the coil.
I set the pots to align KT12 to the zero crossings of the RX signal at KT5 and KT13 to the peaks of the RX signal but it didn't work well set like that - no ferrous/non-ferrous tones and little to no discrimination.
Then I set pot R48 to its original setting of 3.15k and pot R67 to about 11k. This more or less aligns test point KT12 on the schematic so it switches near the zero crossings of the TX signal at KT3 (not shown on schematic) and test point KT13 switches close to the peaks.
Its working with these settings - detects reasonably well, generally distinguishes ferrous and non-ferrous and the discrimination seems to work. If I increase the gain past half it starts beeping with no targets present which doesn't seem right - ground balance issues?
Can anybody offer suggestions on how to set up the timing of the analog switch control signals at KT12 and KT13?
Thanks to whomever posted this schematic - it was a huge help!
I set the pots to align KT12 to the zero crossings of the RX signal at KT5 and KT13 to the peaks of the RX signal but it didn't work well set like that - no ferrous/non-ferrous tones and little to no discrimination.
Then I set pot R48 to its original setting of 3.15k and pot R67 to about 11k. This more or less aligns test point KT12 on the schematic so it switches near the zero crossings of the TX signal at KT3 (not shown on schematic) and test point KT13 switches close to the peaks.
Its working with these settings - detects reasonably well, generally distinguishes ferrous and non-ferrous and the discrimination seems to work. If I increase the gain past half it starts beeping with no targets present which doesn't seem right - ground balance issues?
Can anybody offer suggestions on how to set up the timing of the analog switch control signals at KT12 and KT13?
Thanks to whomever posted this schematic - it was a huge help!

Comment