Hi everyone,
Some of you might remember me from years ago, others probably not - it’s been quite a while since I was active in the detector building community.
I’m turning 50 in just a few days, and as I hit this milestone, I found myself reflecting on the projects that gave me the most joy over the years. I’ve spent my professional career as an AI Engineer in the IT industry, dealing with abstract algorithms and data. But lately, I’ve been missing the "real" engineering - the smell of solder, the challenge of a low-noise analog front-end, and the magic of physics.
I always remembered the Geotech1 community warmly, as a place of true innovation. So, I decided to return to my hobby, but this time, I’m bringing my professional "AI toolbox" with me.
I’ve been working on a project I call Spectral-G4. It’s a VLF platform that represents my vision of how modern tech can revitalize our hobby. Instead of the usual phase-ID, I’m implementing Neural Spectral Fingerprinting.
A few technical teasers of what I’ve been up to:
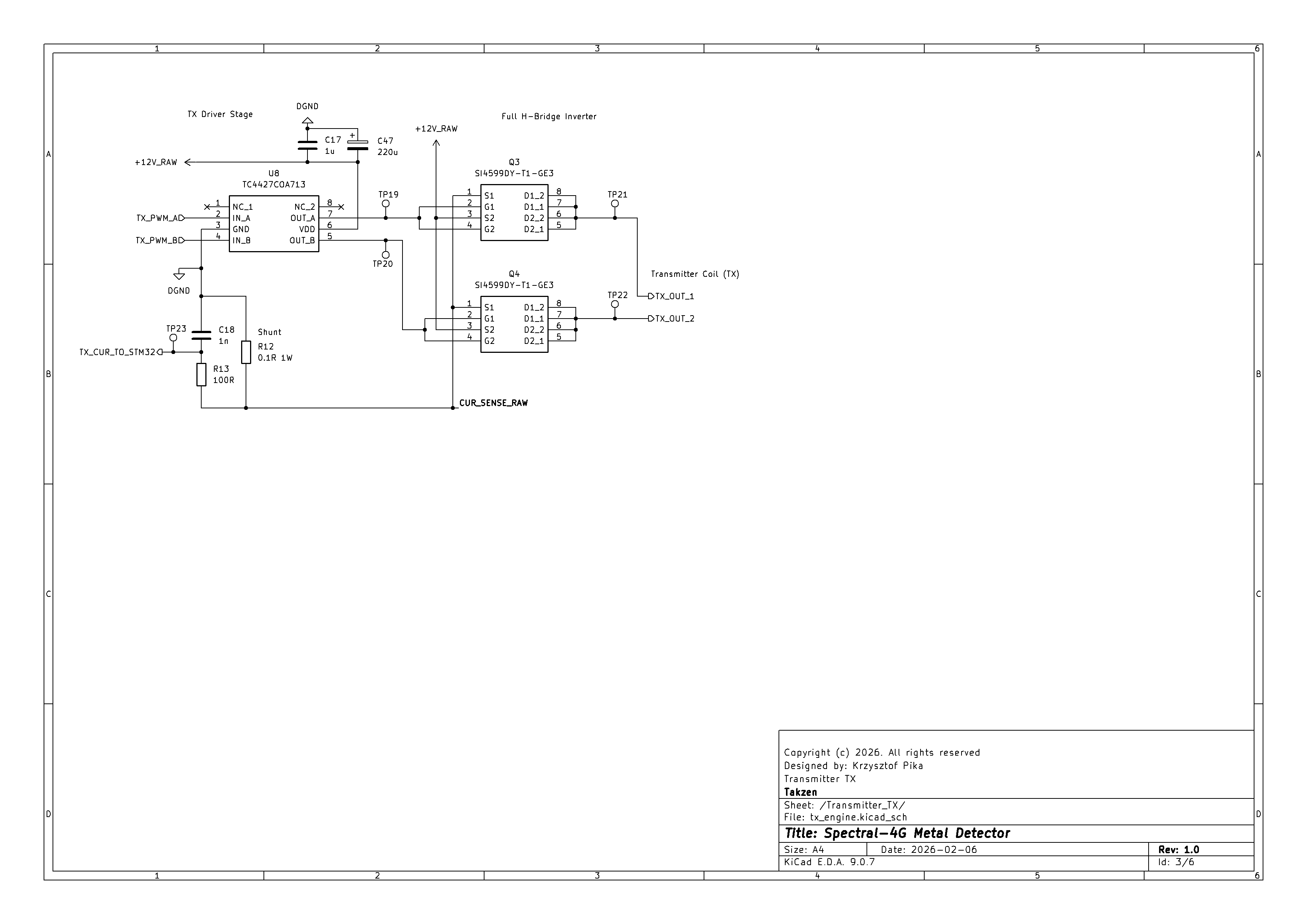
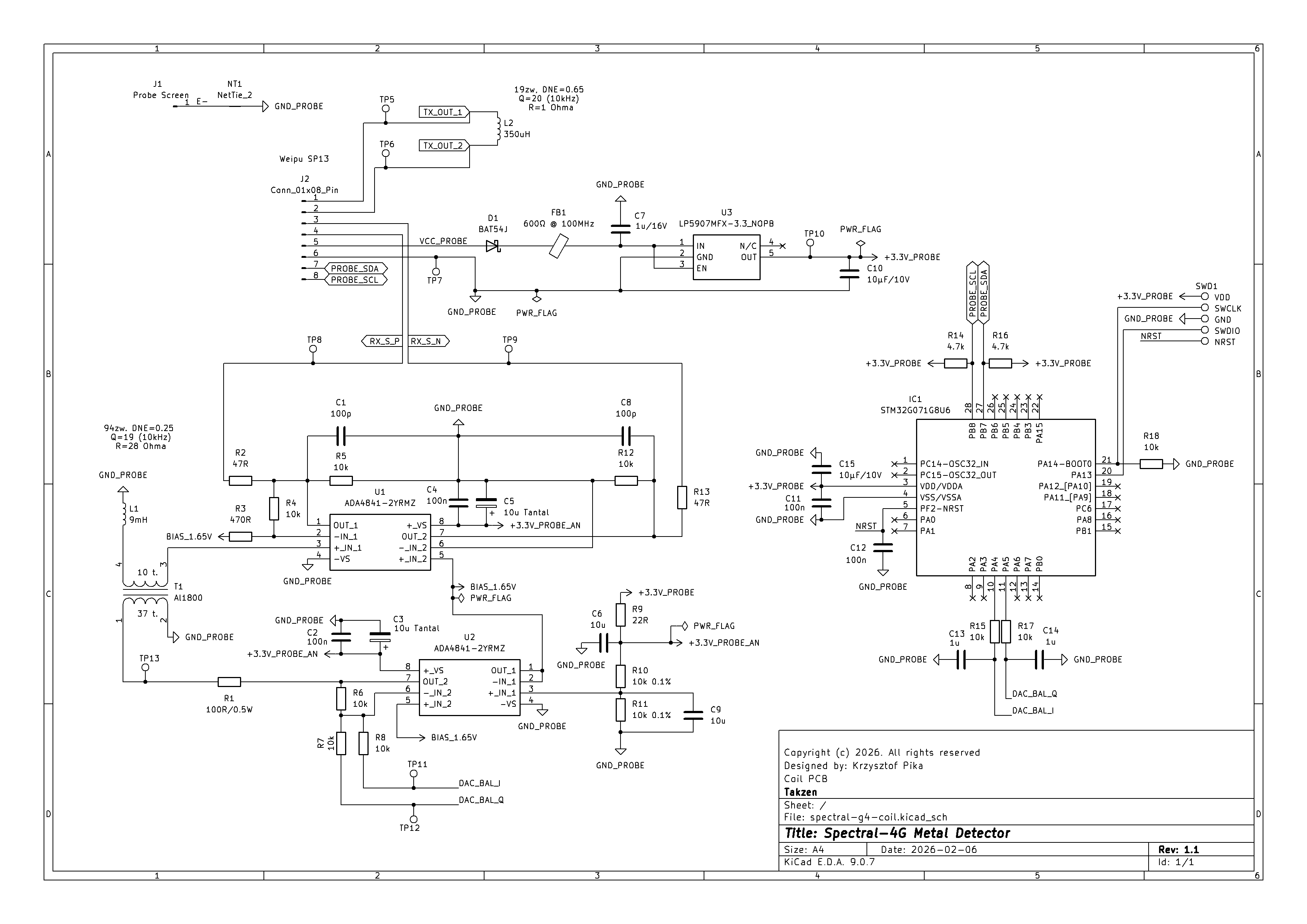
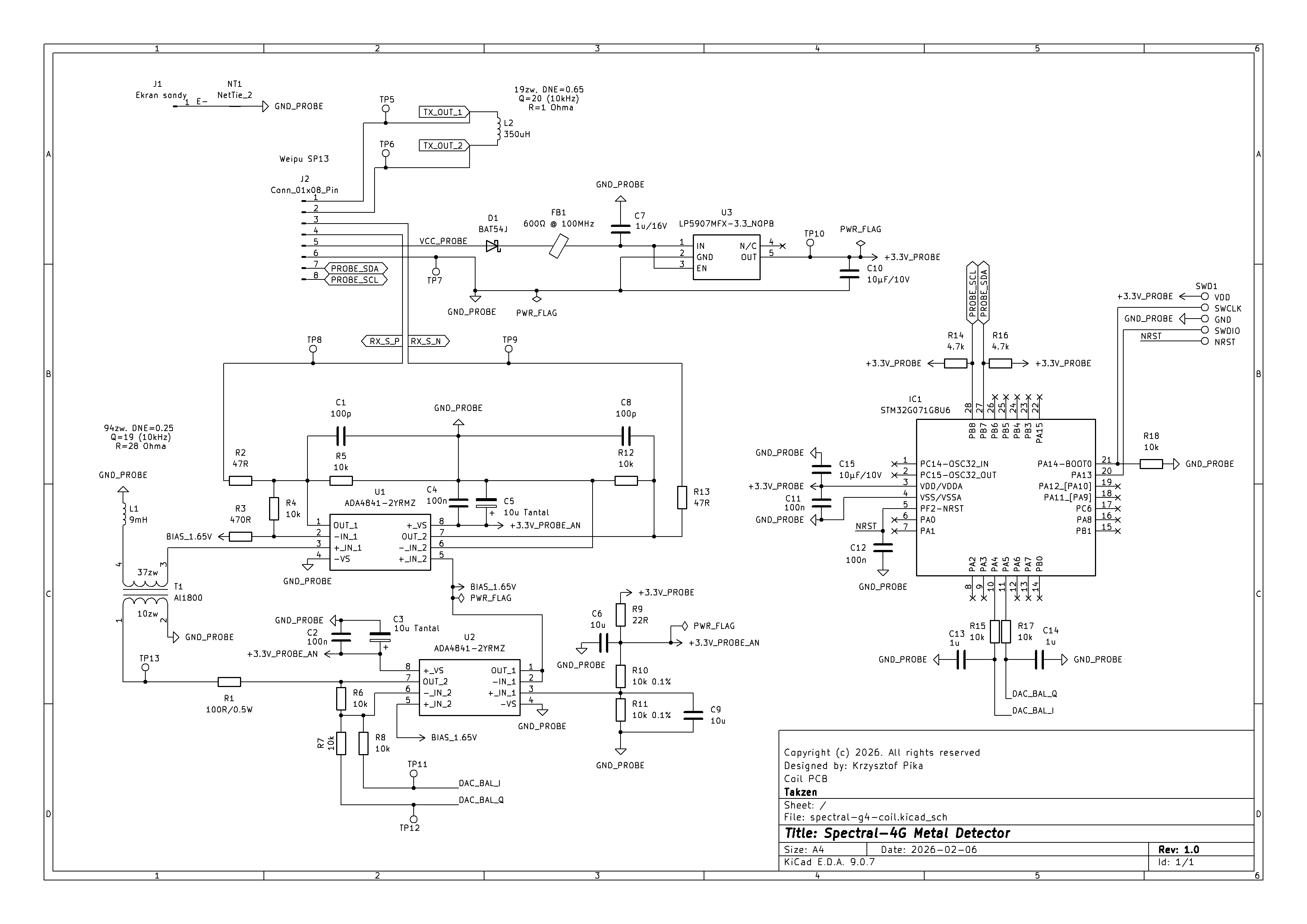
18-bit SAR High-Speed Acquisition: Using the AD7690 to get a crystal-clear signal.
20-bit Effective Resolution: Implementing hardware dithering and oversampling (a bit of an obsession of mine).
Distributed Intelligence: A Dual-MCU architecture with a "Smart Probe" (STM32G0) doing active vector nulling inside the coil.
The AI Layer: Using TinyML on an STM32G4 to classify targets based on harmonic profiles.
I’ve reached a stage where M1 (Analog/Power) is completed, and I’m now diving deep into the DSP and AI layers. I’ve set up a technical showcase and a landing page to document the journey.
I’m doing this primarily for the love of the craft, though I am considering a small "Founder Series" for those who want to join the development.
It feels great to be back. I’d love to hear your thoughts on the architecture.
Technical Showcase: https://github.com/takzen/spectral-g4-showcase
Project Website: https://spectral-g4.pl
Cheers,
Christopher
Some of you might remember me from years ago, others probably not - it’s been quite a while since I was active in the detector building community.
I’m turning 50 in just a few days, and as I hit this milestone, I found myself reflecting on the projects that gave me the most joy over the years. I’ve spent my professional career as an AI Engineer in the IT industry, dealing with abstract algorithms and data. But lately, I’ve been missing the "real" engineering - the smell of solder, the challenge of a low-noise analog front-end, and the magic of physics.
I always remembered the Geotech1 community warmly, as a place of true innovation. So, I decided to return to my hobby, but this time, I’m bringing my professional "AI toolbox" with me.
I’ve been working on a project I call Spectral-G4. It’s a VLF platform that represents my vision of how modern tech can revitalize our hobby. Instead of the usual phase-ID, I’m implementing Neural Spectral Fingerprinting.
A few technical teasers of what I’ve been up to:
18-bit SAR High-Speed Acquisition: Using the AD7690 to get a crystal-clear signal.
20-bit Effective Resolution: Implementing hardware dithering and oversampling (a bit of an obsession of mine).
Distributed Intelligence: A Dual-MCU architecture with a "Smart Probe" (STM32G0) doing active vector nulling inside the coil.
The AI Layer: Using TinyML on an STM32G4 to classify targets based on harmonic profiles.
I’ve reached a stage where M1 (Analog/Power) is completed, and I’m now diving deep into the DSP and AI layers. I’ve set up a technical showcase and a landing page to document the journey.
I’m doing this primarily for the love of the craft, though I am considering a small "Founder Series" for those who want to join the development.
It feels great to be back. I’d love to hear your thoughts on the architecture.
Technical Showcase: https://github.com/takzen/spectral-g4-showcase
Project Website: https://spectral-g4.pl
Cheers,
Christopher

Comment