So what now ?
@OSTIN
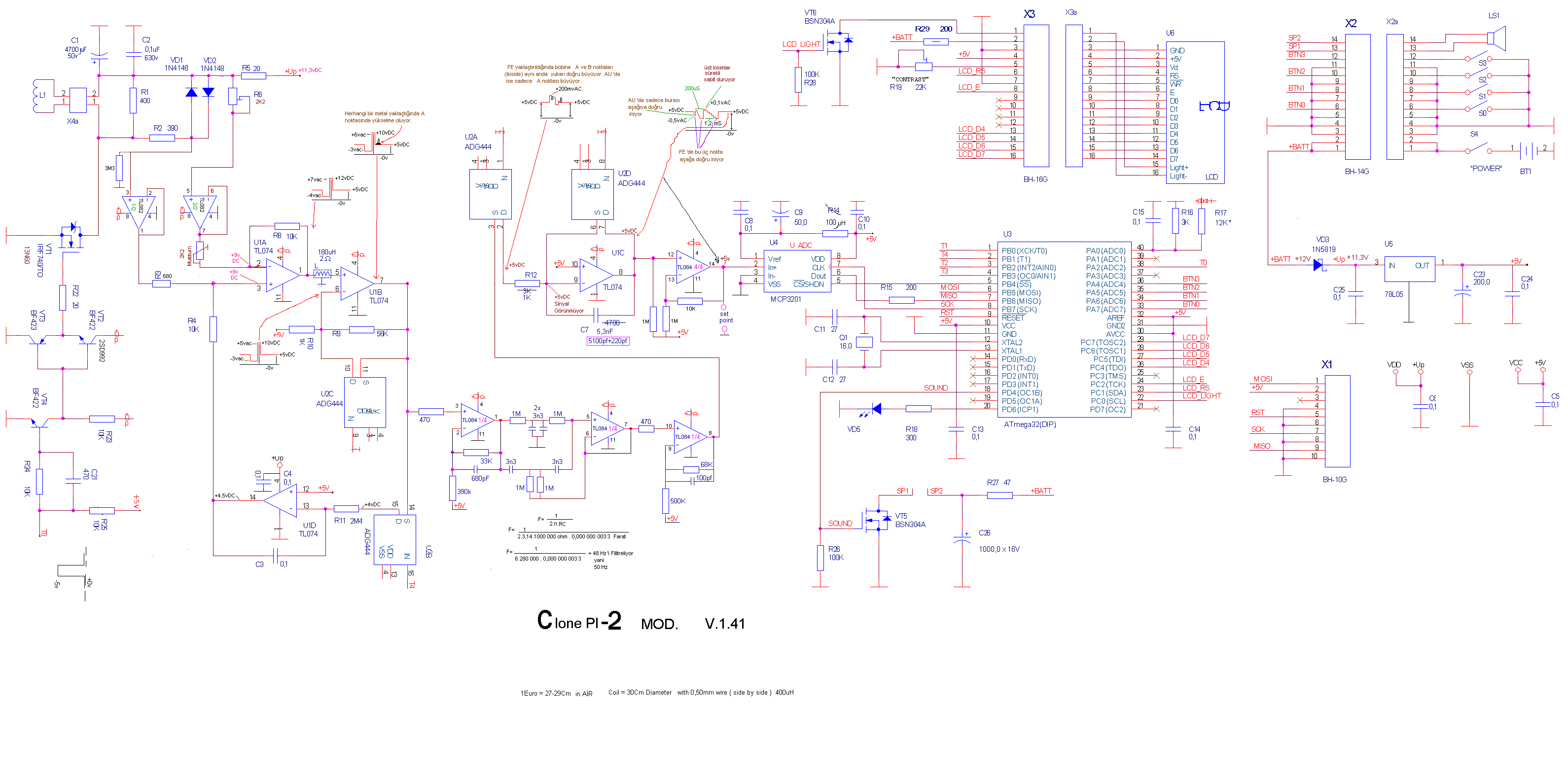
You are right, if you say that Clone-PI-AVR is not discriminating, but as Clone-PI-PIC and Clone-PI2-AVR both have the MCP3201-ADC they both do discriminate.
@kt315
As I am dedicated to the detector theme only for a few days or weeks (except my building of a PI with NE555 many years ago), I do not exactly know what you mean by "Classic" and "TGS". If Classic is analogue technique, I believe the disc. of Goldscan4 (only known analogue with disc.) is not as good as software solutions might be.
If Classic means non-PI, then a PI certainly would be more sensitive and to be prefered comparing to conventional VLF.
And what means TGS?
By the way, as the ADC did cost me 2 EURO’s at ebay (and PIC an LCD not more) the clone-PI is not expensive.
But as best sensitivity is worthless without a good discriminator because of the lots of iron here, discrimination is nearly more important than sensitivity.
The PD3200 does best work on it, but ATMega8 can not be read out with fuse bits set
and so not be built by anyone
.
Finally again my question:
Combining sensitivity and excellent discriminating (beeping only on non-iron !!) :
So what PI-disc.-detector should I build (Please post a concrete Project!) ?
@OSTIN
You are right, if you say that Clone-PI-AVR is not discriminating, but as Clone-PI-PIC and Clone-PI2-AVR both have the MCP3201-ADC they both do discriminate.
@kt315
As I am dedicated to the detector theme only for a few days or weeks (except my building of a PI with NE555 many years ago), I do not exactly know what you mean by "Classic" and "TGS". If Classic is analogue technique, I believe the disc. of Goldscan4 (only known analogue with disc.) is not as good as software solutions might be.
If Classic means non-PI, then a PI certainly would be more sensitive and to be prefered comparing to conventional VLF.
And what means TGS?
By the way, as the ADC did cost me 2 EURO’s at ebay (and PIC an LCD not more) the clone-PI is not expensive.
But as best sensitivity is worthless without a good discriminator because of the lots of iron here, discrimination is nearly more important than sensitivity.
The PD3200 does best work on it, but ATMega8 can not be read out with fuse bits set
and so not be built by anyone
.Finally again my question:
Combining sensitivity and excellent discriminating (beeping only on non-iron !!) :
So what PI-disc.-detector should I build (Please post a concrete Project!) ?



Comment