If you're really lucky the chip type may be printed underneath.
Announcement
Collapse
No announcement yet.
Announcement
Collapse
No announcement yet.
SD2000 Chips
Collapse
X
-
another guess... could be this ?
not easy to find a 7pnp array in dip16 ! but this seems interesting even if there are npn ones... look at integrated diodes... could give you a false reading when try to measure junctions.
Kind regards,
MaxAttached Files
Comment
-
I must of had one to many Reds when I measured that chip.. I remeasured it and it has a mix of NPN and PNP transistors and one diode.
1st PNP 1,16,5
2nd PNP 2,3,5
3rd NPN 2,3,4
4th NPN 6,7,8
5th NPN 9,10,11
6th NPN 12.13,14
Diode 15,16
The 3rd NPN could be a couple of diodes as I only tested junctions.
Base connections are 1 ,2 ,3, 6, 10 ,13
I still cannot find a Transistor array that fits the profile.
Comment
-
Hi,Originally posted by Woody.au View PostI must of had one to many Reds when I measured that chip.. I remeasured it and it has a mix of NPN and PNP transistors and one diode.
1st PNP 1,16,5
2nd PNP 2,3,5
3rd NPN 2,3,4
4th NPN 6,7,8
5th NPN 9,10,11
6th NPN 12.13,14
Diode 15,16
The 3rd NPN could be a couple of diodes as I only tested junctions.
Base connections are 1 ,2 ,3, 6, 10 ,13
I still cannot find a Transistor array that fits the profile.
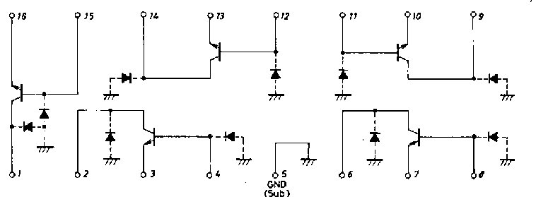
very strange configuration...
are you sure of it ? You must consider that some transistors may have difference from the others... I think maybe is something simple like the all-NPN array I've found... take a look.
Here Q1 and Q2 are matched pair for low offset...
Kind regards,
MaxAttached Files
Comment
-
Max wins the competition, When I tested to your picture it measured spot on, what had me confused was the substate connections on pin 5 going to various points on the chip. If I ignore all the other readings and just measure the same transistor connections on your picture then it fits right in.
Comment
-
mysterious chip
I hope this pic makes it this time
gefAttached Files
Comment
-
Thanks to Max for getting me onto the right path
Now we have every IC in the Minelab SD2000 nutted out. I will update the drawings to incorporate the NE5534 that they use as the audio output, The LM394 they use as a front end amp, the TL074 low level audio and the pesky CA3083 Transistor array.
Now lets start dissecting the GPX 4000
Comment
-
Hi Woody,Originally posted by Woody.au View PostThanks to Max for getting me onto the right path
Now we have every IC in the Minelab SD2000 nutted out. I will update the drawings to incorporate the NE5534 that they use as the audio output, The LM394 they use as a front end amp, the TL074 low level audio and the pesky CA3083 Transistor array.
Now lets start dissecting the GPX 4000
the one in my last picture is not CA3083 but a different one, it's the
NTE929
by NTE electronics , NJ
I'm posting the datasheet for it.
Kind regards,
MaxAttached Files
Comment

Comment