Announcement

Collapse
No announcement yet.

Announcement

Collapse
No announcement yet.

Audio question

Collapse
X
 
  • Filter
  • Time
  • Show
Clear All
new posts

  • #31

    Hey!

    Comment


    • #32
      "Overlap" is the term i couldn't remember! Yes, finally! I want to void overlaping! Bravo Simonbaker...and thank you for thinking!
      Now we know whole idea! Only thing left is to adapt circuitry and to see how to achieve proper signal levels!
      Best Regards!

      Comment


      • #33
        Why am i saying this? You already noticed that final signal at ..let's say TGS/TGSL is pretty awkward to be easy played with it, signal from last LM358. It is momentary and swings from -0.xx to -0.5V....if i remember good...or it was from +2V to -4.5V....not sure, must check.
        So first to process that signal and shape it to something more easy to be processed further. I stuck just at that moment. Last couple days i am thinking about that problem only...

        Comment


        • #34
          Originally posted by ivconic View Post
          Why am i saying this? You already noticed that final signal at ..let's say TGS/TGSL is pretty awkward to be easy played with it, signal from last LM358. It is momentary and swings from -0.xx to -0.5V....if i remember good...or it was from +2V to -4.5V....not sure, must check.
          So first to process that signal and shape it to something more easy to be processed further. I stuck just at that moment. Last couple days i am thinking about that problem only...
          Dang! I ment to say -5V not -0.5V !!

          Comment


          • #35
            Originally posted by ivconic View Post
            Why am i saying this? You already noticed that final signal at ..let's say TGS/TGSL is pretty awkward to be easy played with it, signal from last LM358. It is momentary and swings from -0.xx to -0.5V....if i remember good...or it was from +2V to -4.5V....not sure, must check.
            So first to process that signal and shape it to something more easy to be processed further. I stuck just at that moment. Last couple days i am thinking about that problem only...
            I think voltage at LM358 output is -5V to around 7V (or 9V depending on which V+ you use).

            But speaker only responds when above 1.4 volt (because transistors referenced to ground) anyway... but doesn't really matter.

            I think voltage is square pulse that stays high when target signal is present.

            But remember this pulse is only the "pull-up" for the outputs of the CD4024, so the audio is the narrow pulses that come from the CD4024 as long as the LM358 output is high.

            I think such LM358 output is OK to work with -- just simple square pulse that is high as long as target is detected.

            So new idea is this: instead of simple CD4024, use "multiplexer" (or special sampler), that samples four times per 1000 hz cycle (for example).

            To repeat idea:

            It samples channel 1 (LM358 output) twice per cycle (slots 1 and 3) and feeds it to audio transistor.

            It samples channel 2 (LM358 output) once per cycle (slot 4) and feeds it to audio transistor.

            Audio transistor sees same voltage pulses as before, but new arrangement. When both channels "high", gets pulses 1,3, and 4. When only channel 1 has target, gets pulses 1, 3 only. When only channel 2 has target, gets pulse 4 only.

            Maybe whacky idea, but might work. Question is: what is easiest way to make "multiplexer"?

            I think maybe you can use diode arrangements like posted before, just select pulses that correspond to different time slots. No special multiplexer needed????

            I'm going camping/hiking for week, maybe think about it while making feet sore...

            Regards,

            -SB

            Comment


            • #36
              Simulation with LTSpice to get idea of what non-overlapping pulses of different frequencies sound like.

              One pulse waveform is 1000 pulses / sec. Other is 500 pulses / sec. Waveforms are offset so not overlap.

              Audio contains each sound separately and mixed.
              Attached Files

              Comment


              • #37
                Yes that's thereabout what i ment. Do i hear saw signal there?
                (i dont have spice installed to see)

                Comment


                • #38
                  Originally posted by ivconic View Post
                  Yes that's thereabout what i ment. Do i hear saw signal there?
                  (i dont have spice installed to see)
                  Square pulses, like TGSL from CD4024. Filtered slightly by capacitor to round off corners to try to make more realistic. Actual built circuit probably sounds somewhat different.

                  Image 1: 1000 Hz pulses.
                  Image 2: 500 Hz pulses.
                  Image 3: combined pulses.

                  Regards,

                  -SB
                  Attached Files

                  Comment


                  • #39
                    Eh! I will install spice again!
                    You provoked me enough to do that!

                    Comment


                    • #40
                      Originally posted by ivconic View Post
                      Eh! I will install spice again!
                      You provoked me enough to do that!
                      FYI: The circuit I used was totally unrealistic, just to make sounds -- not for building.

                      Regards,

                      -SB

                      Comment


                      • #41
                        Ok, ok..i got that. Never mind. Thing is to simulate, just in educational purposes. Besides..i am the last one on planet Earth who will trust simulators more seriously. But it is good to have it and see the "other side" from time to time.

                        Comment


                        • #42
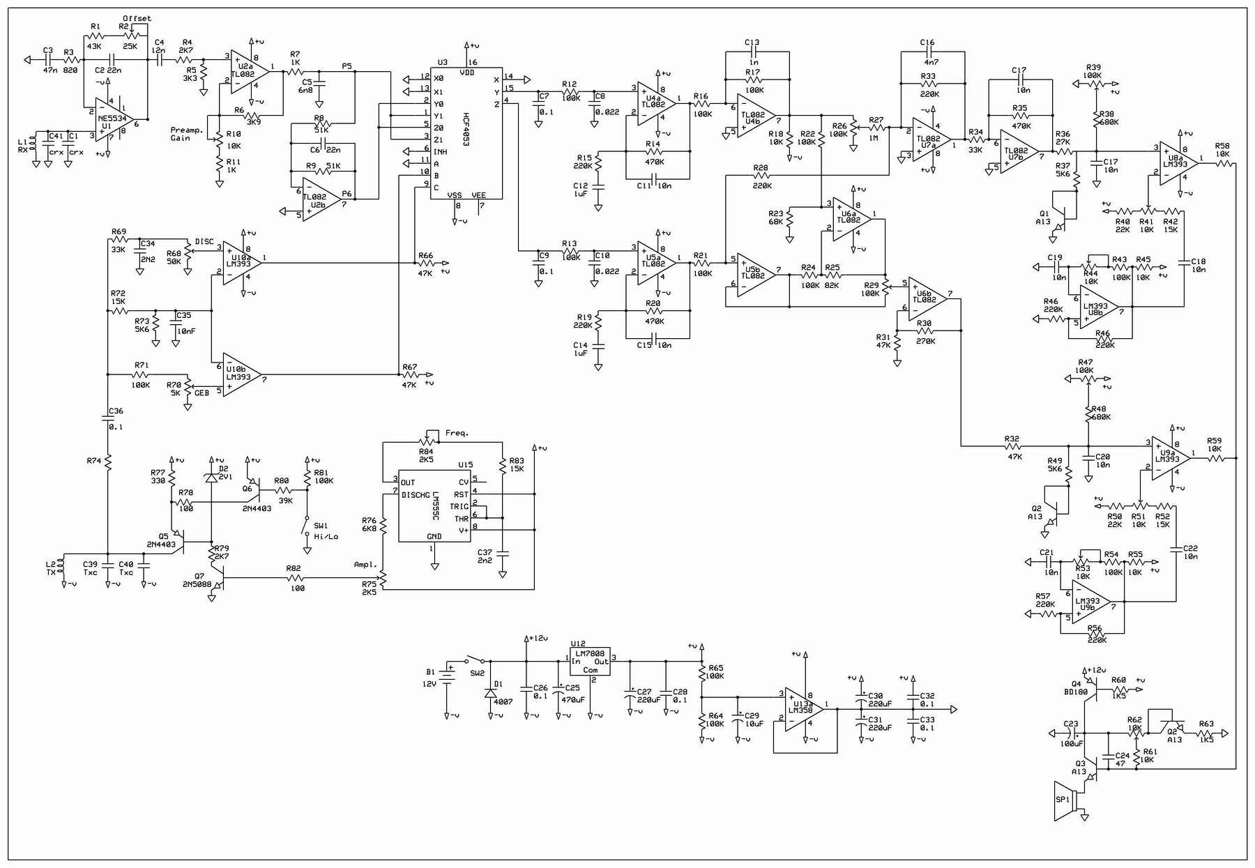
                          I was thinking to experiment a bit with this one. Separate audios from both channels with own presets. Each component of separate audio is adjustable.
                          This schematic is "frankenstein" completed from various projects. Most probably it has some mistakes. But i will make pcb and than solve one by one in process of experimenting.
                          Attached Files

                          Comment

                          Working...
                          X