Announcement
Collapse
No announcement yet.
Announcement
Collapse
No announcement yet.
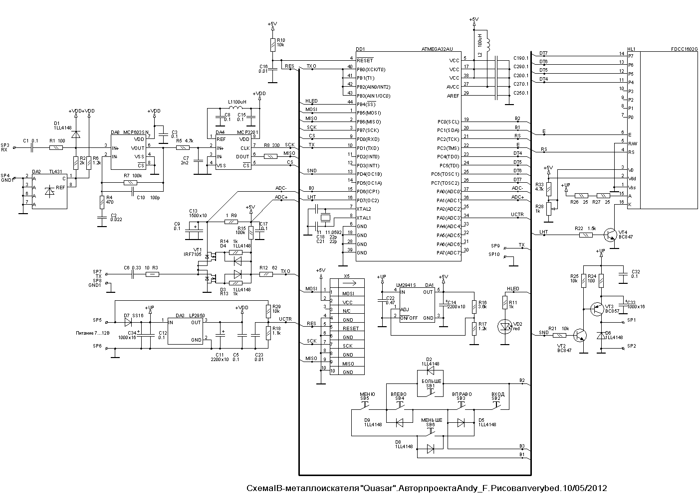
Quasar
Collapse
X
-
Comment
-
Comment
-
-
noticed there is a guy selling good looking PCBs for good price. 80 Ukrainian grivna is appox. 10 USD, for one board.
http://forum.cxem.net/index.php?showtopic=111583
Comment
-
Comment
-
-
MAX473 - "Not Recommended for New Designs" http://datasheets.maxim-ic.com/en/ds/MAX473-MAX475.pdf
This product is No Longer Available. See Ordering Information for recommended replacements.
MAX4130 - http://datasheets.maxim-ic.com/en/ds...30-MAX4134.pdf
MAX4484 - http://datasheets.maxim-ic.com/en/ds...84-MAX4487.pdf
MAX4490 - http://datasheets.maxim-ic.com/en/ds...90-MAX4492.pdf
AD8601 - http://www.analog.com/static/importe..._8602_8604.pdf
AD8605 - http://www.analog.com/static/importe..._8606_8608.pdf
OPA353 - http://www.ti.com/product/opa353
IRF7105PBF - http://www.irf.com/product-info/data...irf7105pbf.pdf
IRF7105QPBF - http://www.irf.com/product-info/data...rf7105qpbf.pdf
TS971 - http://www.st.com/internet/analog/product/65474.jsp
LM2941S - http://www.ti.com/lit/ds/symlink/lm2941c.pdf
LP2950 - http://www.onsemi.ru.com/pub/Collateral/LP2950-D.PDF
Comment

Comment