Announcement
Collapse
No announcement yet.
Announcement
Collapse
No announcement yet.
Pulse Delay Pot and LED Placement
Collapse
X
-
by satdaveuk
Hi Sinclair The LED is directly wired between +...Hi Sinclair
The LED is directly wired between + supply line and the junction between R35/R36
It mimics the audio responses perfectly providing your speaker load is 32 ohms as Barracuda manufacture...
hello sven
the second delay 10k is only connect pin1 from pot to 25k trimmer and pin 2 from pot under 470N cap (where the word delay stands)
i dont use 10k pot
i only use a 22k external pot instead of trimmer and next there instead of a 10k pot a wire bridge
it works in a wider spectrum
-
hiOriginally posted by bernte_one View Postby satdaveuk
Hi Sinclair The LED is directly wired between +...
Hi Sinclair
The LED is directly wired between + supply line and the junction between R35/R36
It mimics the audio responses perfectly providing your speaker load is 32 ohms as Barracuda manufacture...
hello sven
the second delay 10k is only connect pin1 from pot to 25k trimmer and pin 2 from pot under 470N cap (where the word delay stands)
i dont use 10k pot
i only use a 22k external pot instead of trimmer and next there instead of a 10k pot a wire bridge
it works in a wider spectrum
i wanna make coil for it by 0.2mm wire in 20cm circle .how many winds need to turn?
regards
Comment
-
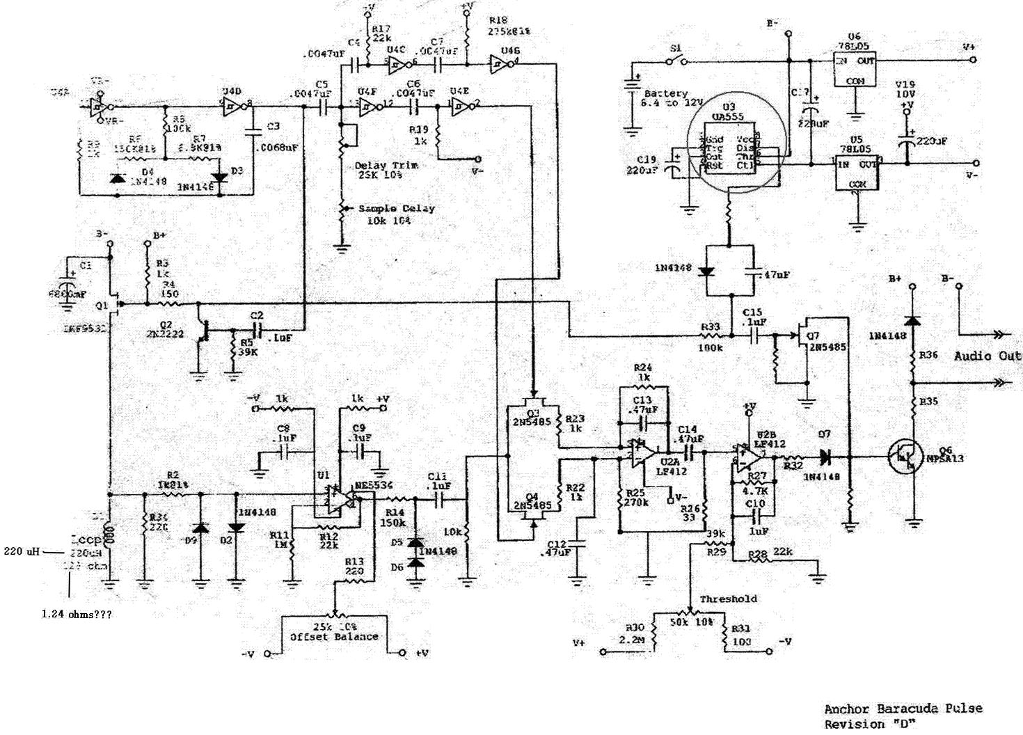
Cuda delay - no response
I have a question that has arose since I am messing with my cuda. The delay has never worked correctly and or the added 10k pot
does absolutely nothing. I have tried it numerous different ways but still get no response from the pot.
Which or what is the correct way to wire in the second pot, anyone have a pic of which way is the correct position of the legs, 123, top or bottom of pot
or does it matter and also please see attached pic, I found this which looks to me like a discrepancy where the trim pot is wired. Is this correct, incorrect
or what the hey...
Comment
-
So if that is the case the trimmer connected to pin 9 of the 40106 on the schematic is wrong/incorrect?
(attached the schematic)
[schematic deleted]
I purchased my board kit thru silverdog, in general it works fairly well, I would just like to have some
external adjustment for different coils so have tried numerous different ways of hooking up the ext pot
but to no avail.
Any ideas on what I am doing wrong or ?
Comment
-
Oh Thank You Sinclaireuser... That is what I was wondering, I do actually have it wired correct,
but just wanted to make sure the 3rd post wasn't being used with the 2nd jumped over....
For whatever reason it doesn't seem to make any difference with the added pot, no changes
that I can detect anyhow at least for my particular board/build.
I appreciate you taking the time to answer...
Comment
-
yes lots of us had the same experience which is why it was discarded, bernte's solution up the thread works, replacing the preset with a 22k external pot, but you have to manually set up the detector every time you use it.Originally posted by geoscash1 View PostOh Thank You Sinclaireuser... That is what I was wondering, I do actually have it wired correct,
but just wanted to make sure the 3rd post wasn't being used with the 2nd jumped over....
For whatever reason it doesn't seem to make any difference with the added pot, no changes
that I can detect anyhow at least for my particular board/build.
I appreciate you taking the time to answer...
Comment
-
Ah, ok... Hadn't seen where it hadn't worked so I'll maybe switch it to the way bernte did it.. It works good the way it isOriginally posted by sinclairuser View Postyes lots of us had the same experience which is why it was discarded, bernte's solution up the thread works, replacing the preset with a 22k external pot, but you have to manually set up the detector every time you use it.
just wanted to see what the difference was with the added delay pot.
I'm getting decent detection with a makeshift spider/basket coil I wound for it so may just leave well enough alone...lol..
Thanks for the help with it...
Comment

Comment