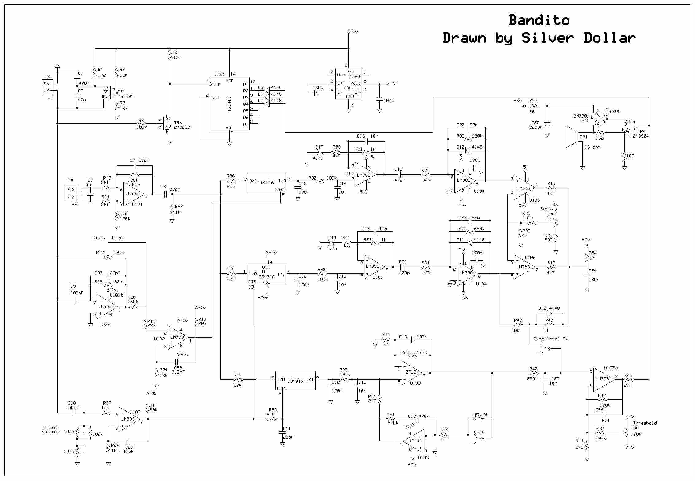
The bandito I have is interesting. It's a rev B board and has these components on a substrate;
LM308
LF353
LM358
LM393
27L2
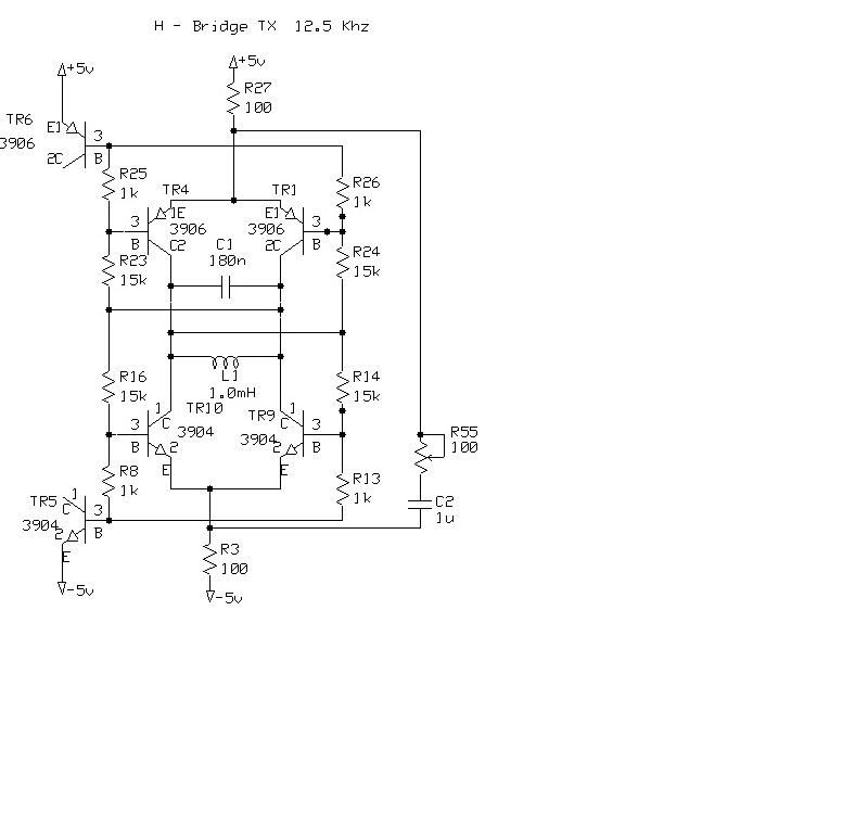
7660
4024
4016
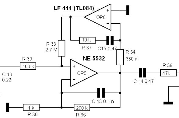
OFF the substrate is a LM2930-5 and a circuit with a LF442 in a dip package.
The GEB has a 100k trimmer to ground then a 100k 10 turn with a fixed 100k across it.
The sens and Disc pots are 100k.
Maybe something like this? I'm not sure where the 442 is though;

The negative voltage on this board is -4.4V. The batteries are paralleled with reverse diodes on the plus side.
Here's a picture
LM308
LF353
LM358
LM393
27L2
7660
4024
4016
OFF the substrate is a LM2930-5 and a circuit with a LF442 in a dip package.
The GEB has a 100k trimmer to ground then a 100k 10 turn with a fixed 100k across it.
The sens and Disc pots are 100k.
Maybe something like this? I'm not sure where the 442 is though;
The negative voltage on this board is -4.4V. The batteries are paralleled with reverse diodes on the plus side.
Here's a picture

Comment