Hi to all.
As told Silver Sabre is quite good detector.
It somewhat simpler than Golden Sabre but also easyer to use.
I'm working on PCB.. so if anyone know/sees any mistake in below drawing
please let me know...
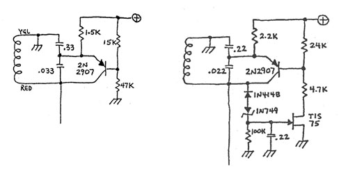
As told Silver Sabre is quite good detector.
It somewhat simpler than Golden Sabre but also easyer to use.
I'm working on PCB.. so if anyone know/sees any mistake in below drawing
please let me know...

I almost destroyed treshold pot turning it all around...
.

Comment