Originally posted by Qiaozhi
View Post
Announcement
Collapse
No announcement yet.
Announcement
Collapse
No announcement yet.
PI: Effects of pulse shape and transmit time.
Collapse
X
-
Thanks for the reply My spice model shows a target signal increase when the coil current is changing and a target signal decay when the current is constant. The bottom CC circuit shows a signal over 30 mv during the time the CC pulse is building up (changing), close to what it shows on turn off. The model doesn't show an increase when the current is constant. Does a CC coil discharge kick the target? My suggestion was to turn the fast on ramp off before it flat-topped while there is still a signal. It only works if the CC discharge doesn't change the target. Is my spice model showing things that aren't true? If a CC discharge doesn't kick the target it seems like it couldn't be used with a normal PI circuit. Still trying to add a CC discharge to my spice circuit to see what it would show.
-
It's probably the terminology you're using that's causing some confusion.Originally posted by green View PostThanks for the reply My spice model shows a target signal increase when the coil current is changing and a target signal decay when the current is constant. The bottom CC circuit shows a signal over 30 mv during the time the CC pulse is building up (changing), close to what it shows on turn off. The model doesn't show an increase when the current is constant. Does a CC coil discharge kick the target? My suggestion was to turn the fast on ramp off before it flat-topped while there is still a signal. It only works if the CC discharge doesn't change the target. Is my spice model showing things that aren't true? If a CC discharge doesn't kick the target it seems like it couldn't be used with a normal PI circuit. Still trying to add a CC discharge to my spice circuit to see what it would show.
To make it clearer ... eddy currents are only stimulated in the target during the time(s) when the coil current is changing. That is, during the time when the mosfet is initially switched on (and up until the current starts to level off), and also during the the time when the mosfet is initially switched off (and up until the time the current has decayed to zero). If the coil current is constant (i.e. not changing) then the target is not being stimulated. There is a difference between a coil current that is constant, and a constant current ramp. In the former, the coil current is indeed constant. Having a current of 1A flowing in the coil for a period of 100us (for example) does not produce any rate-of-change of current over time, and therefore no changing magnetic field. The current is 1A at the start of the period, and it is still 1A after 100us. But ... a constant current source being used to energize a coil (or a constant current load being used to de-energize the coil) will produce a rate-of-change of current, and a corresponding change in the magnetic field (the magnetic field is either expanding or contracting depending on whether it's due to a constant current source of load, causing flux cutting of the target). The value of the current at the start and ends of the period are different, producing a rate-of-change of current over time (di/dt).
Comment
-
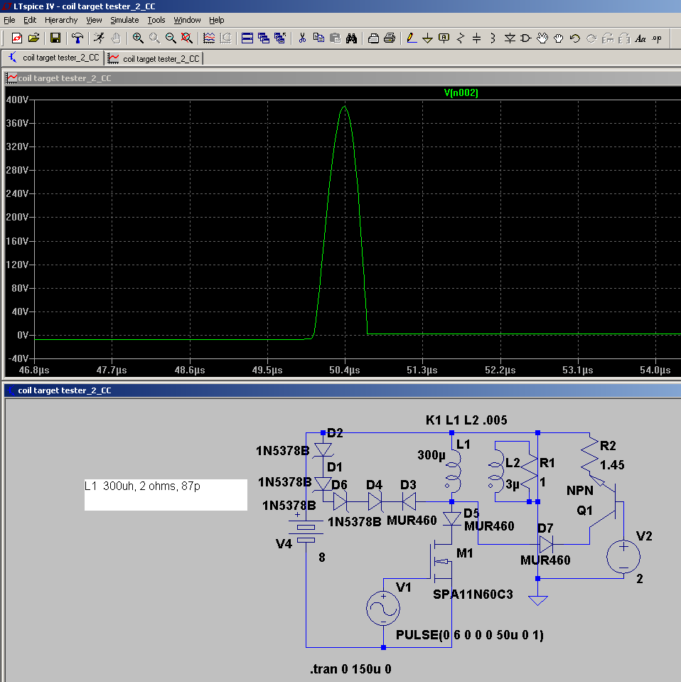
Added a CC sink to circuit. Doesn't go to zero volts, but low enough to show the effect on target signal. The 3 usec target comparison, critical damped vs CC discharge the CC signal was just over half. With the coil shunt capacitor 0 pf the signal dropped another half. The peak voltage is critical to R2 wich sets the CC. The target signal does change with CC discharge with spice, but I think the wave form not being perfect and shunt capacitance has something to do with itAttached Files
Comment
-
[The value of the current at the start and ends of the period are different, producing a rate-of-change of current over time (di/dt).]
I guess I'm still confused, The coil current gets discharged thru R or the constant current sink if the voltage doesn't exceed the fet clamp voltage. I thought you were adjusting R so that the discharge current was the same at the start and the end of discharge (600 ma). I'll think about it. You are right about the terminology being some of the problem, I'm not speaking the right language yet. I'll try to work on that.
Comment
-
Green great work as usual. Your chart indicates a very improved fall time (less than 0.33us). If this can be achieved in real circuity it will allow for a very short delay time for detecting gold nuggets. Do you think the simulation is accurate in simulating added capacitance and loading from the added circuity? Is L2 a single turn with a ratio to L1 of approximately 1 to 30 turns? I am not versed in Spice, what does the Pulse and .tran codes translate to in values? It would be nice to get a circuit like this breadboarded and measured with an oscilloscope.Originally posted by green View PostAdded a CC sink to circuit. Doesn't go to zero volts, but low enough to show the effect on target signal. The 3 usec target comparison, critical damped vs CC discharge the CC signal was just over half. With the coil shunt capacitor 0 pf the signal dropped another half. The peak voltage is critical to R2 wich sets the CC. The target signal does change with CC discharge with spice, but I think the wave form not being perfect and shunt capacitance has something to do with it
Comment
-
First I would kike to thank Qiaozhi for the replies. I know a lot of this has been discussed before. One thing I didn't think about, the current at turnoff is 1 amp and has to drop to the 600 ma in a short time. Change in current. I'm just trying to learn, sometimes I'm slow. I saw constant current and thought no target stimulation. The CC circuit I added to spice doesn't take the coil volts to zero. I thought it would be close enough to see if it effected the target signal. There is less signal with the CC decay with spice , but then I'm not sure the spice simulation is correct. I don't know much about spice, I just make the L2/R1 equal the target time constant I want. Looking at the decay signal across R1 makes sense to me. I have looked at target signal during coil on time with a DD coil. The scope signal is different than the spice signal. It's easy to make the coil decay signal look good with 400 volts full scale. Getting it right at 5 mv and less is a lot harder. I don't know how to make a CC circuit that would work with a real PI circuit. It looks like it would be a lot harder than adding a damping resistor. I don't know the benefits of using CC decay over critical damping. The pulse code controls V1 and turns the fet on for 50 usec and then off. The .tran takes 150 usec of data starting at time zero.Originally posted by Chet View PostGreen great work as usual. Your chart indicates a very improved fall time (less than 0.33us). If this can be achieved in real circuity it will allow for a very short delay time for detecting gold nuggets. Do you think the simulation is accurate in simulating added capacitance and loading from the added circuity? Is L2 a single turn with a ratio to L1 of approximately 1 to 30 turns? I am not versed in Spice, what does the Pulse and .tran codes translate to in values? It would be nice to get a circuit like this breadboarded and measured with an oscilloscope.
Comment
-
I think the main benefit of a constant current (CC) delay is the sharp linear drop of all energy into the target area with hopefully no energy left to cause oscillations. This will allow the op amp to recover from saturation sooner allowing detection of low conductive (short time constant) targets before the target eddy currents expire. I agree that it is not an easy task to get a CC circuit to work, this will take some research and experimenting. Thank you for answering my questions.
Comment
-
I'm currently simulating CC with models of actual components and there seems to be no benefit. As the current in the coil approaches zero, instability occurs (non-linearity of the current sink components) which causes underdamping and oscillations all over the signal. The optimal bias of the current sink is very critical (4 digits accuracy). Too much trouble for no benefits.Originally posted by green View PostI don't know the benefits of using CC decay over critical damping.
I'm dissapointed because moodz hyped so much and I was expecting to build a more sensitive PI out of it. It won't happen.
Will keep you posted on this with schematics, simulation code and signals.
Comment
-
After modifying Green's SPICE circuit to make the damping resistor sink a constant current during the discharge period, I found something interesting. Although the current through the damping resistor can be kept more or less constant, the coil current is not constant. It does however decay with a linear slope, as long as you remove the series diode. With the diode in circuit, the coil current is highly nonlinear. As Teleno also observed, there is a tendency for instability at the end of the decay curve.Originally posted by Teleno View PostI'm currently simulating CC with models of actual components and there seems to be no benefit. As the current in the coil approaches zero, instability occurs (non-linearity of the current sink components) which causes underdamping and oscillations all over the signal. The optimal bias of the current sink is very critical (4 digits accuracy). Too much trouble for no benefits.
I'm dissapointed because moodz hyped so much and I was expecting to build a more sensitive PI out of it. It won't happen.
Will keep you posted on this with schematics, simulation code and signals.
Personally I'm still not convinced of the merits of this approach. As far as I can see, when you hurry along the coil current decay, you effectively remove energy from the system that could otherwise be used to kick the target. Even though it's possible to sample earlier, the same result could have been achieved by simply putting less energy into the coil in the first place. IMHO it looks like the originator of this concept is under the delusion that the coil charging period is responsible for "charging" the target, which is (as we know) is a fallacy.
Comment
-
This sim is done with Zener diodes. Avalanche diodes like BYV27-200 should be better.Originally posted by Qiaozhi View PostAfter modifying Green's SPICE circuit to make the damping resistor sink a constant current during the discharge period, I found something interesting. Although the current through the damping resistor can be kept more or less constant, the coil current is not constant. It does however decay with a linear slope, as long as you remove the series diode. With the diode in circuit, the coil current is highly nonlinear. As Teleno also observed, there is a tendency for instability at the end of the decay curve.
Personally I'm still not convinced of the merits of this approach. As far as I can see, when you hurry along the coil current decay, you effectively remove energy from the system that could otherwise be used to kick the target. Even though it's possible to sample earlier, the same result could have been achieved by simply putting less energy into the coil in the first place. IMHO it looks like the originator of this concept is under the delusion that the coil charging period is responsible for "charging" the target, which is (as we know) is a fallacy.
The damping is faster and with a bit of twiddling locks perfect in the sim. Probably also works with real components. However, the target stimulation is indeed reduced.Attached Files
Comment
-
The LTSpice file
Could not upload it with CHROME, fut with FIREFOX it worksAttached Files
Comment
-
While we have the sim at hand, we could look at the target response.
We see the TX eddy currents in the targets, to the time of TX switch Off and then the new eddy currents generated by the switch OFF di/dt.
v(n011) is the coil voltage decay
I(L2), ..L3, L4, L5, L6 are the responses of targets with TC's of 5us, 10us, 100us, 500us
We see how the short TC target eddy currents raise to a certain level during TX, but then start decaying again.
The long TC eddy currents keep increasing right to the time of switch OFF, because their TC is longer that the TX time.
We see that the switch Off must first destroy the negative eddy currents from the TX before it can build the positive eddy currents from the switch OFF.
Now, just one more hint:
When we use an IB coil, we can sample the TX eddy currents just before the TX switch OFF, invert the result and add it to the sample after switch OFF, obtaining an enhanced peak target response.
Of course, if we really want some more target information, there are many many more ways to extract this information from these target response curves.Attached Files
Comment

Comment