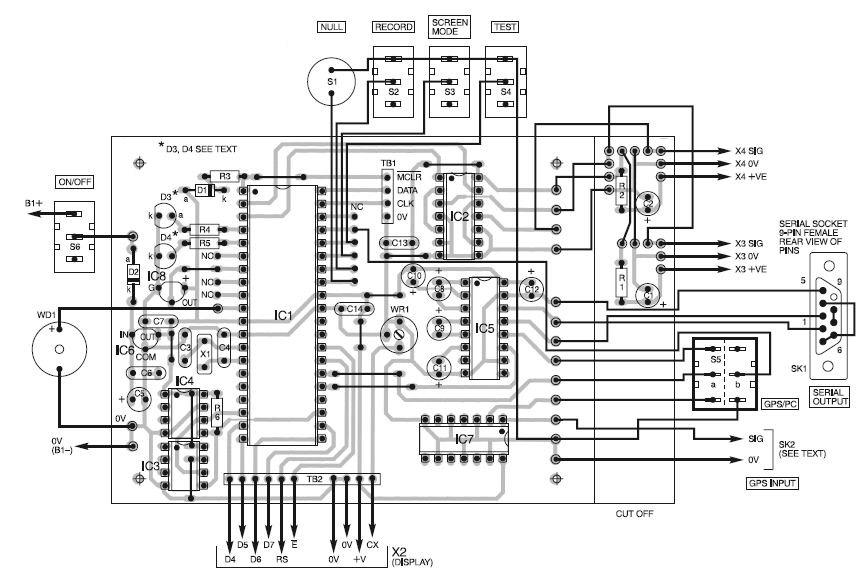
Does anybody have schematic or mounting schematic, i have this but it's not enough visible
Announcement
Collapse
No announcement yet.
Announcement
Collapse
No announcement yet.
Epe pic magnetometer
Collapse
X
-
-
Hi Strujas..
hope not too much copyrighted
.. John Becker and EPE magazine are the best..
Attached Files
Comment
-
-
Hi strujas,
Hard to say, I would give it about 8-15nT resolution.
With it its possible to detect remains of pottery furnace (without any iron) 1.5m in ground,
or pile of iron drums 5m deep in river.. for caves you need high contrast between soil and empty void (cave) so it will work probably better on mineralized grounds.
I'm in the process of making third fluxgate magnetometer and I'll try to take some pictures assembling it.
Comment
-
Nice, i am interesting how did you made mehanical part, is it possible to looks like device on photo under, is it matter how much over ground is a sensor?Attached Files
Comment
-
Nope, this is high resolution cesium magnetometer from Geometrics inc. mounted with GPS.. way out of our league
Strujas I would like to send you original files of this project - but are huge (15mb). Do you have gmail account or simmilar? Write me a private message.
Comment
-

, did you ever made it?, what you think abouth proton sensor for it?
Comment